- 易迪拓培训,专注于微波、射频、天线设计工程师的培养
磁放大器的稳压原理/稳压理论分析
录入:edatop.com 点击:
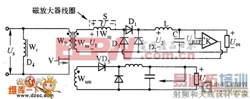
图1 所示是一个带辅助输出的正激式转换器,其辅助输出由磁放大器调节。图中的磁放大器相当于一个占空比可调的开关S。如果用S来代替磁放大器线圈,图2 则为开关管V的时序图。

图1 由磁放大器调节辅助输出的正激式转换器

图2 开关管的工作时序图
在开关管V导通期间,通过控制磁放大器的磁饱和时间来控制磁放大器的“导通”时间,图中th为V的导通时间;tb为磁放大器的阻断时间;t(为磁放大器的导通时间(饱和时间);T为一个工作周期。在V关断时,磁放大器退出饱和,相当于S关断。则可得到主输出和辅助输出如下:

射频工程师养成培训教程套装,助您快速成为一名优秀射频工程师...
天线设计工程师培训课程套装,资深专家授课,让天线设计不再难...
上一篇:有源功率的对输入端谐波电流的限制
下一篇:按有源功率因数校正电路分类
射频和天线工程师培训课程详情>>

