- 易迪拓培训,专注于微波、射频、天线设计工程师的培养
一种压控恒流源的研究
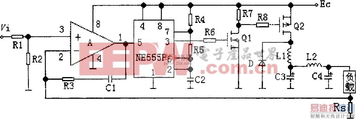
1 恒流源的组成和工作原理
恒流源电路如图1 所示。图中A 是高精度运放,Q1、Q2 是功率MOSFET ,负载为感性。由NE555P 构成脉位调制器,工作于无稳态方式,其振荡频率受⑤脚输入的信号调制。控制端⑤脚加入调制信号VΩ (该端允许外加0~ EC 的电压) ,使定时器的阈值电平Vth1和触发电平Vth2均随VΩ 而变,即:

因而定时器电容C2 的充电时间和放电时间均受调制信号VΩ 的控制; ③脚输出正脉冲的位置及脉冲宽度将随调制信号VΩ 的变化而变化,实现脉冲的位置及宽度的双重调制。

图1 恒流源电路
控制电压Vi 经R1、R2 分压后加到运放A 的输入端, 运放的输出信号作为NE555P 的调制信号。
NE555P ③脚输出的PWM信号控制Q1 ,驱动Q1、Q2 交替工作在开关状态;Q1 的工作频率和占空比等于NE555P ③脚输出电压信号的频率和占空比。Q2 导通时,D 处于截止状态,直流电压EC 加在D 的两端,经LC滤波后对负载供电;Q2 截止时,输入电压为0 ,D 在回路电感的作用下导通,构成续流回路,D 还可以削弱输出信号电压从高电平跳变到低电平时在感性负载两端产生的反电动势。RS 为取样电阻。所以,控制电压经运放后,控制脉位调制器输出脉冲信号的占空比,改变Q1、Q2 的开关时间,从而控制输出电流的大小。
由图1 ,根据运放的特性知:

取RS = 1Ω , R1 = 24k , R2 = 16k 时,得I0 =0. 4Vi .当输入电压Vi 从0~5V 变化时,输出电流I0 将在0~2A 变化。由此可见,输出电流主要由R1 、R2 和RS 决定,与负载大小无关。
2 试验结果
为了测试恒流源的性能,笔者对其进行了实验研究。电源选用直流12V 2A 的高精度稳压电源,在元件选择上,A 选用高精度运放,电阻选用千分之一精度的精密电阻器,取样电阻选用温度稳定性好的无感线绕电阻,实验采用的负载为感性,其电感量为180mH、静态电阻为4Ω ,MOSFET的参数见表1.
表1 MOSFET的参数

2. 1 输出电流与输入电压的关系
当RS = 1Ω , R1 = 24k , R2 = 16k ,输入电压Vi 从0~5V 变化时,理论计算和实际测量的输出电流I0 随输入电压Vi 的变化关系如图2 (吻合) ,输出电流与输入电压成线性关系。

图2 输出电流与输入电压的关系[p]
2. 2 取样电阻与输出电流的关系
当R1 = 24k , R2 = 16k ,输入电压Vi 为5V 时,测得取样电阻与输出电流的关系如图3.取样电阻越小,输出电流越大,电阻的功耗也相应增大;反之亦然。与理论计算基本相吻合。

图3 取样电阻与输出电流的关系
2. 3 其他性能的测量
测得恒流源输出电流与PWM 信号占空比成线性关系,占空比越大,输出电流越大(见图4) ;纹波电流 3mA ;负载调整率 1 %.

图4 占空比与输出电流的关系
3 结论
选择适当元件参数,当控制电压从0~5V 变化时,该恒流源电路的输出电流I0 将在0~ + 2A 范围内连续变化;电源的效率高,线性度好,具有结构简单、安全(输出电压 12V) 、稳定的优点。此恒流源可作为磁流变阻尼器的驱动电源,也可应用于其他领域。
射频工程师养成培训教程套装,助您快速成为一名优秀射频工程师...

