- 易迪拓培训,专注于微波、射频、天线设计工程师的培养
揭秘STC12C控制智能家电防盗系统应用电路
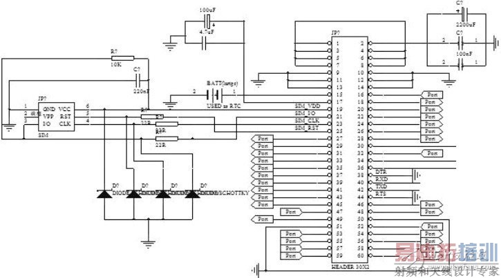
GPRS通信模块
本设计中GPRS通信模块采用的是一款三频段GSM/GPRS模块SIM300,适合于开发一些GSM/GPRS的无线应用产品,如移动电话,无线MODEM卡,无线POS机,无线抄表系统以及无线数据传输业务,应用范围十分广泛。SIM300模块具有一套标准的AT命令集,包括一般命令、呼叫控制命令、网络服务相关命令、电话本命令、短消息命令、GPRS命令等。本系统中与GPRS模块的通信是通过串口连接,通过处理相应的AT命令,来实现系统与模块的数据通信。
系统中,设计了SIM300模块的相应接口板电路,该电路板主要包含SIM300必要的外围电路,4.2V电压供给电路 , SIM卡座以及RS232($780.5000)串口电平转换电路等。该模块的功能是通过天线接收手机发过来的信息,并且通过串口与系统主控CPU通信,判断是否有读短信的AT命令,等单片机读短信成功,由系统主控CPU对信息进行分析后,做出相应的处理。同样,当防盗系统发出报警信号时,由主控CPU发出报警,控制SIM300模块实现相应的信息发送。

图2SIM300外围接口部分电路

图3CPU及部分外围电路
设计采用增强型高速单片机STC12LE5A60S2为控制器、SIM300作为无线GPRS通信模块来实现系统的远程控制,各防盗模块与系统之间采用无线模块来通信。系统可通过拨打指定手机或发送短信等方式,实现对各个模块的状态进行远程监控,异常情况可远程操作该系统实施相应的控制命令。
射频工程师养成培训教程套装,助您快速成为一名优秀射频工程师...
天线设计工程师培训课程套装,资深专家授课,让天线设计不再难...
上一篇:机器视觉电子电路设计
集锦
下一篇:PC机智能家电控制系统电路设计详解

