- 易迪拓培训,专注于微波、射频、天线设计工程师的培养
剖析几种智能家居电源稳压电路
录入:edatop.com 点击:
第一种电路设计5V开关电源稳压器电路
由于系统单元电路较多对且对5V电源的要求比较高,其中TC35模块的突发耗电电流峰值可达2.5A,故外加的稳压器件必须达到足以提供TC35和其他电路额定电流的条件。采用了开关电源芯片LM2576完成从12V到5V的转换,作为对TC35终端和其他5V单元的供电。必须特别注意的是,如图由LM2576芯片完成开关电源转换需要大功率的电感(100uH)和电容,以提高储能的能力,达到单元电路的耗电需求。LM2576为5.0V3A开关电源稳压器。

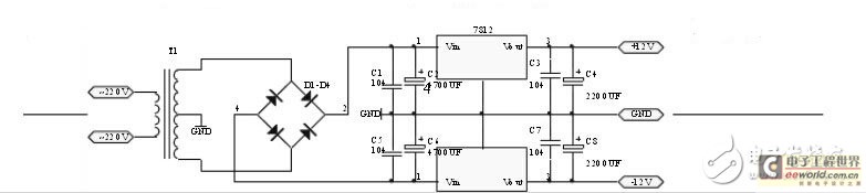
第二种电路设计 ±12V电源稳压器电路
本系统的设计还涉及到传感器信号采集与信号放大,其中放大器等部分需要用到±12V电源,因此根据设计要求增加了7812/7912三端稳压IC提供的±12V电源,如图由220V的交流电经交流变压器T降压,变成12V交流电,低压交流电再经过全桥整流变成脉动直流17V左右为三端稳压提供电源,脉动直流电经4700u电解电容和0.1u瓷片电容滤波,送到稳压块输入端,进行稳压,然后由三端稳压输出端输出±12V直流电压,±12V直流电再由2200u和0.1u电容进行滤波,输出比较稳定的±12V直流电压,给模块供电源。

射频工程师养成培训教程套装,助您快速成为一名优秀射频工程师...
天线设计工程师培训课程套装,资深专家授课,让天线设计不再难...
上一篇:基于ADXL362的运动监测MEMS加速度计电路模块设计
下一篇:一种采用MSP430F2274无线充电电路设计
射频和天线工程师培训课程详情>>

