- 易迪拓培训,专注于微波、射频、天线设计工程师的培养
一种节能型视频监控终端电路设计
视频监控系统越来越多地走进人们的生活, 系统节能也是电子系统必须考虑的一个重要参数。对一个少有人出入的场合, 采用不间断的实时监控不仅没有必要,也会浪费很多的电能。针对这种情况, 本文设计了一个无人值守的智能监控终端。在没有人进入监控区域时,监控终端处于低能耗的休眠状态; 当红外传感器检测到有人进入监控区域时, 终端被唤醒并开始摄像, 同时将处理后的视频信号经过网络传输到监控中心, 为中心值班人员提供判断依据。对于出入人员较少的场合, 利用该监控终端可以有效减少系统能耗, 减少传输、保存的数据量, 而且不会错过监控对象。
红外传感信号处理模块
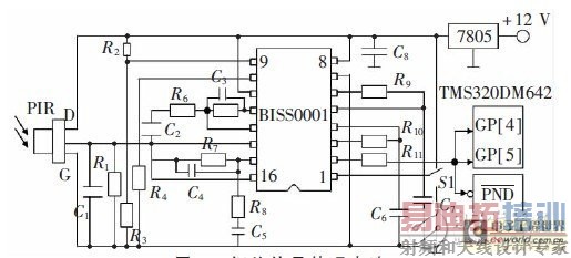
为了节约电能, 本终端采用红外传感器来检测监控区域有无人员进入, 只在有人员进入监控区域时, 终端才进入图像采集、处理、传输状态。本设计采用BISS0001芯片为热释电红外传感信号处理核心元件, 其应用电路如图2 所示。

图2 红外信号处理电路
图2 中,7805 为三端稳压集成电路, 为信号处理电路提供电源。BISS0001 芯片的第9 引脚为触发控制信号Vc的输入脚, 工作中应当保证输入电压, 可以通过调节电阻R3来达到目的。当有行人进入监控区域时, 热释电红外传感器PIR 将检测到的人体发出的红外线转化为电信号, 并将其送到BISS0001内部, 信号经BISS0001 处理后由2 脚输出, 输出Vo为低电平到高电平的跳变。如果BISS0001 工作在有效状态不可重复触发的情况下(即图2 中S1 接低电平), 高电平的持续时间为Ts (Ts=49 152 R1C1), 在Ts时间段结束时,输出Vo即刻由高电平进入低电平并被封锁Ti (Ti =24R2C2 ) 时长; 对于有效状态可重复触发的情况来讲( 即图2 中S1 接高电平), 如果在前一Ts时间段内, 输入的变化使得输出有效状态再次触发, 则Vo高电平信号将从此刻算起再持续一个Tx时长, 之后才转换为低电平并进入封锁时间Ti。在封锁时间内, 即使由于负载的切换而引入的干扰也不会改变输出Vo的状态。本设计中让S1 接高电平, 红外传感信号处理电路的输出信号Vo作为DM642 的外部中断信号, 同时也作为TVP5150 芯片的节电模式输入控制信号, 如图2 所示。
图像采集模块
对于图像采集模块, 本设计采用TI 公司的TVP5150作为解码芯片。TVP5150 是一款超低功耗的解码芯片,正常操作时的功耗只有113 mW, 节电模式下功耗为1 mW, 并支持PAL/NTSC/SECAM 等格式, 它能将摄像头所采集到的模拟图像信号转换为YUV4:2:2 格式的ITU-R BT.656 数字信号, 它可以接收2 路复合视频信号(CVBS) 或1 路S -Video 信号, 通过I2C 总线设置内部寄存器, 可以选择输出8 位4:2:2 的ITU-R BT.656 数字信号( 同步信号内嵌), 以及8 位4:2:2 的ITU-R BT.601 信号(同步信号分离, 单独引脚输出)。TVP5150 与DM642 的硬件连接如图3 所示。

图3 TVP5150 与DM642 硬件连接图
TVP5150 芯片的AIP1A 和AIP1B 为模拟信号的输入端, 该引脚需接0.1~1 μF 的滤波电容,HSYNC 为行同步信号的输出引脚。由于本设计采用了同步信号内嵌的ITU-R BT.656 格式, 所以该引脚未与DM642 相关引脚相连接。PND 引脚为省电模式的控制信号输入端, 低电平有效, 与红外传感信号处理电路的输出信号Vo连接,当监控区域无行人走动时,Vo为低电平, 这将使TVP5150 芯片进入省电模式。YOUT[6:0] 为BT.656/YUV数据输出引脚,YOUT [7]/I2CSEL 是BT.656/YUV 数据的第7 位, 也是I2C 接口设备地址设置位,TVP5150 设备地址由I2CSEL 引脚所接的上拉电阻或下拉电阻确定,I2CSEL 引脚的状态与设备地址映射关系如表1 所示,DM642 和TVP5150 应答过程中需要从片TVP5150 的地址。SCL、SDA 分别为I2C 接口的串行时钟和数据引脚,DM642 对TVP5150 内部寄存器的访问通过I2C 总线实现。DM642 芯片的VP0D [19:0] 为视频口VP0 的数据总线引脚, 其中VP0D [8:2] 与多通道串行口McBSP0 引脚复用, 为了将VP0D [8:2] 配置为VP0 的低位数据引脚,需要把PERCFG 寄存器中的VP0EN 位置1。VP0CLK0 为外部像素时钟输入引脚, 与视频解码芯片TVP5150 的像素时钟输出引脚PCLK/SCLK 连接。
射频工程师养成培训教程套装,助您快速成为一名优秀射频工程师...

