- 易迪拓培训,专注于微波、射频、天线设计工程师的培养
基于Zigbee技术的传感与节点电源模块电路设计
Zigbee技术作为无线传感器网络(WSN)的核心技术之一它具有如下特点:1) 设备能耗低,电池供电,适用于常规供电方式不可用的野外、田间。2) 通信可靠,网络自组织、自愈合,无需人工干预。各通信节点之间根据确定的路由规则自动找寻、加入网络。当节点脱离、故障、移动时,网络能够自我修复并形成新的拓补结构。3) 成本低廉,设备的复杂度低且网络容量大。Zigbee协议是免费的,TI等公司也已经推出了相关免费协议栈,且其工作在2.4Ghz全球免执照频段,这使其产品化成本极低。4)数据安全。Zigbee支持数据完整性和鉴权工程、AES-128加密算法。新版本的Zigbee Pro支持更高级的安全算法,并能根据应用场景不同灵活配置。
系统工作原理如下:终端传感节点采集数据后向路由节点发送数据包,路由节点汇总各节点数据包后向协调器节点转发。协调器节点接到数据包后继续向上转发至串口转网口设备。串转网设备将接到的串口数据包重新打包成RJ45数据包经无线路由器转发至现场监控PC。与此同时分布在温室中的无线IP摄像头也将数据通过路由器传至现场监控PC。手持嵌入式网关同时也可以直接接入路由器实时显示环境数据。现场监控PC安装有服务系统,作为Server服务器,远程PC直接通过浏览器和IP地址访问即可实现远程测控。上述主要是传感数据的上行链路,下行链路类似,由上位机发出控制指令,依次经路由器、串转网设备、协调器最终转发至对应控制节点执行控制指令。
传感控制模块设计
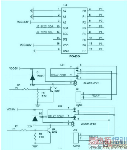
传感和控制模块是系统实现测控的根本。空气温湿度传感器采用瑞士Sensirion推出的SHT11数字温湿度传感器,IIC接口,湿度值输出分辨率为 14位,温度值输出分辨率为12位,并可编程为12位和8位。电源电压范围为2.4~5.5 V。电流消耗:测量时为550μA,平均为28μA,休眠时为3μA[4, 5]。光照传感器采用光敏探头BPW34S[6],光敏探头经运放处理后到AD输入。传感控制模块中均采用NXP公司IIC总线控制GPIO扩展芯片 PCA9554提供8位并行I/O口。处理器通过IIC直接读取SHT11温湿度数据,通过AD间接读取光照数据。传感模块原理图如图3。

控制模块主要采用继电器和DA模拟电压输出。继电器模块原理图如图。上位机下达控制指令后,PCA9554驱动相关I/O口使三极管导通或断开驱动继电器闭合或断开。

DA程控模拟电压输出模块采用TI公司DA芯片DAC5573和缓冲放大运放使用TLV2372。DAC5573最大输出电压为3.0V,经运放TLV2372放大3.3倍后输出约为10V。电压输出模块原理图如图。

节点电源模块设计
节点电源模块设计采用的是TI公司TPS63001DRC(3.3V)和TPS63002DRC(5.0V)两款DC/DC电源转换芯片为系统提供稳定的 3.3V和5.0V电压。系统设计成两节干电池或USB供电方式,预留锂电池接口。供电电源之间可无缝切换。电源模块原理图如图。

该系统将当前热门物联网核心技术之一的Zigbee技术应用于温室监控系统中,实现了温室基本环境因子的采集与控制,并实现了监控的远程可视化操作,可靠性高、抗干扰能力强。设计解决传统温室中线缆纵横交错,布置不便且维护成本高的难题,具有很高的实用意义与推广价值。
射频工程师养成培训教程套装,助您快速成为一名优秀射频工程师...

