- 易迪拓培训,专注于微波、射频、天线设计工程师的培养
高浪涌千兆网的单颗ESD保护方案
录入:edatop.com 点击:
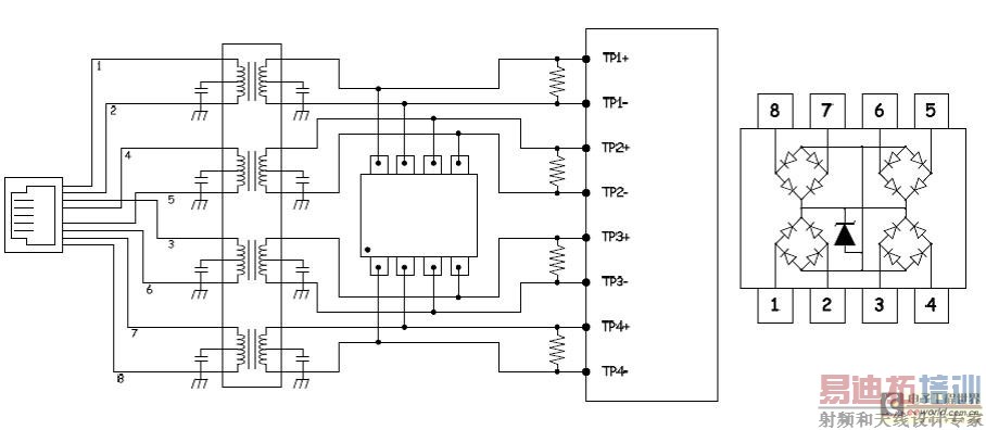
上海雷卯电子推出了LC2508P8瞬态抑制二极管阵列ESD,该产品专门用于保护电信和工业设备千兆网免遭静电放电(ESD)和雷击导致的浪涌现象的破坏。 每个通道或输入/输出引脚均可安全吸收高达40A的反复性ESD冲击,且性能不会下降。 由于氧化层极薄且晶体管结点较浅,现代芯片组极易受到损坏。 由于具有极低的动态电阻和箝位电压,LC2508P8系列装置能够保护当今的小型芯片组免受瞬态现象的损害。 凭借每个输入/输出端与地面之间极低的电容,该装置可提供强大的保护、保持信号的完整性,并防止数据在传输时丢失。
LC2508P8产品可提供最高40A的雷击浪涌保护,最大箝位电压为25V,比类似的工业解决方案低10%。

此外,由于具有较低的负载电容(2.0pF,比市面上同类产品低40%),LC2508P8也是保护高速数据线接口的理想之选。
这意味着电路设计师无需舍弃稳定的保护来维持信号的完整性。
LC2508P8具有以下关键特性和优势:
功能
●工作电压2.5V 击穿电压为3V,更加精确保护IC
I/O到接地端的电容极低,仅为2pF
●强大的浪涌保护:雷击,IEC61000-4-5, 40A (8/20μs);峰值脉冲功率,450W (8/20μs)
●增强的ESD保护能力:IEC61000-4-2,±30kV(触点),±30kV(空气)

射频工程师养成培训教程套装,助您快速成为一名优秀射频工程师...
天线设计工程师培训课程套装,资深专家授课,让天线设计不再难...
上一篇:新手福利:TL431的基本应用电路与接法
下一篇:移动视频监控及定位系统的设计方案
射频和天线工程师培训课程详情>>

