- 易迪拓培训,专注于微波、射频、天线设计工程师的培养
IGBT保护电路设计总结
本文论述了IGBT的过流保护、过压保护与过热保护相关问题,并从实际应用中总结出各种保护方法,这些方法实用性强,保护效果好,是IGBT保护电路设计必备知识。
IGBT(绝缘栅双极性晶体管)是一种用MOS来控制晶体管的新型电力电子器件,具有电压高、电流大、频率高、导通电阻小等特点,因而广泛应用在变频器的逆变电路中。但由于IGBT的耐过流能力与耐过压能力较差,一旦出现意外就会使它损坏。为此,必须但对IGBT进行相关保护。
过流保护
生产厂家对IGBT提供的安全工作区有严格的限制条件,且IGBT承受过电流的时间仅为几微秒(SCR、GTR等器件承受过流时间为几十微秒),耐过流量小,因此使用IGBT首要注意的是过流保护。产生过流的原因大致有:晶体管或二极管损坏、控制与驱动电路故障或干扰等引起误动、输出线接错或绝缘损坏等形成短路、输出端对地短路与电机绝缘损坏、逆变桥的桥臂短路等。
对IGBT的过流检测保护分两种情况:
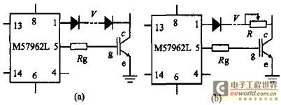
(1)驱动电路中无保护功能。这时在主电路中要设置过流检测器件。对于小容量变频器,一般是把电阻R直接串接在主电路中,如图1(a)所示,通过电阻两端的电压来反映电流的大小;对于大中容量变频器,因电流大,需用电流互感器TA(如霍尔传感器等)。电流互感器所接位置:一是像串电阻那样串接在主回路中,如图1(a)中的虚线所示;二是串接在每个IGBT上,如图1(b)所示。前者只用一个电流互感器检测流过IGBT的总电流,经济简单,但检测精度较差;后者直接反映每个IGBT的电流,测量精度高,但需6个电流互感器。过电流检测出来的电流信号,经光耦管向控制电路输出封锁信号,从而关断IGBT的触发,实现过流保护。

图1 IGBT的过流检测
(2)驱动电路中设有保护功能。如日本英达公司的HR065、富士电机的EXB840~844、三菱公司的M57962L等,是集驱动与保护功能于一体的集成电路(称为混合驱动模块),其电流检测是利用在某一正向栅压 Uge下,正向导通管压降Uce(ON)与集电极电流Ie成正比的特性,通过检测Uce(ON)的大小来判断Ie的大小,产品的可靠性高。不同型号的混合驱动模块,其输出能力、开关速度与du/dt的承受能力不同,使用时要根据实际情况恰当选用。
由于混合驱动模块本身的过流保护临界电压动作值是固定的(一般为7~10V),因而存在着一个与IGBT配合的问题。通常采用的方法是调整串联在 IGBT集电极与驱动模块之间的二极管V的个数,如图2(a)所示,使这些二极管的通态压降之和等于或略大于驱动模块过流保护动作电压与IGBT的通态饱和压降Uce(ON)之差。

图2 混合驱动模块与IGBT过流保护的配合 上述用改变二极管的个数来调整过流保护动作点的方法,虽然简单实用,但精度不高。这是因为每个二极管的通态压降为固定值,使得驱动模块与IGBT集电极c之间的电压不能连续可调。在实际工作中,改进方法有两种:
(1)改变二极管的型号与个数相结合。例如,IGBT的通态饱和压降为2.65V,驱动模块过流保护临界动作电压值为 7.84V时,那么整个二极管上的通态压降之和应为7.84-2.65=5.19V,此时选用7个硅二极管与1个锗二极管串联,其通态压降之和为 0.7×7+0.3×1=5.20V(硅管视为0.7V,锗管视为0.3V),则能较好地实现配合(2)二极管与电阻相结合。由于二极管通态压降的差异性,上述改进方法很难精确设定IGBT过流保护的临界动作电压值 如果用电阻取代1~2个二极管,如图2(b),则可做到精确配合。
另外,由于同一桥臂上的两个IGBT的控制信号重叠或开关器件本身延时过长等原因,使上下两个IGBT直通,桥臂短路,此时电流的上升率和浪涌冲击电流都很大,极易损坏IGBT 为此,还可以设置桥臂互锁保护,如图3所示。图中用两个与门对同一桥臂上的两个IGBT的驱动信号进行互锁,使每个IGBT的工作状态都互为另一个 IGBT驱动信号可否通过的制约条件,只有在一个IGBT被确认关断后,另一个IGBT才能导通,这样严格防止了臂桥短路引起过流情况的出现。

图3 IGBT桥臂直通短路保护
过压保护
IGBT在由导通状态关断时,电流Ic突然变小,由于电路中的杂散电感与负载电感的作用,将在IGBT的c、e两端产生很高的浪涌尖峰电压uce=L dic/dt,加之IGBT的耐过压能力较差,这样就会使IGBT击穿,因此,其过压保护也是十分重要的。过压保护可以从以下几个方面进行:
(1)尽可能减少电路中的杂散电感。作为模块设计制造者来说,要优化模块内部结构(如采用分层电路、缩小有效回路面积等),减少寄生电感;作为使用者来说,要优化主电路结构(采用分层布线、尽量缩短联接线等),减少杂散电感。另外,在整个线路上多加一些低阻低感的退耦电容,进一步减少线路电感。所有这些,对于直接减少IGBT的关断过电压均有较好的效果。
(2)采用吸收回路。吸收回路的作用是;当IGBT关断时,吸收电感中释放的能量,以降低关断过电压。常用的吸收回路有两种,如图4所示。其中(a)图为充放电吸收回路,(b)图为钳位式吸收回路。对于电路中元件的选用,在实际工作中,电容c选用高频低感圈绕聚乙烯或聚丙烯电容,也可选用陶瓷电容,容量为2 F左右。电容量选得大一些,对浪涌尖峰电压的抑制好一些,但过大会受到放电时间的限制。电阻R选用氧化膜无感电阻,其阻值的确定要满足放电时间明显小于主电路开关周期的要求,可按R≤T/6C计算,T为主电路的开关周期。二极管V应选用正向过渡电压低、逆向恢复时间短的软特性缓冲二极管。
(3)适当增大栅极电阻Rg。实践证明,Rg增大,使IGBT的开关速度减慢,能明显减少开关过电压尖峰,但相应的增加了开关损耗,使IGBT发热增多,要配合进行过热保护。Rg阻值的选择原则是:在开关损耗不太大的情况下,尽可能选用较大的电阻,实际工作中按Rg=3000/Ic 选取。

图4 吸收回路 除了上述减少c、e之间的过电压之外,为防止栅极电荷积累、栅源电压出现尖峰损坏 IGBT,可在g、e之间设置一些保护元件,电路如图5所示。电阻R的作用是使栅极积累电荷泄放,其阻值可取4.7kΩ;两个反向串联的稳压二极管V1、 V2。是为了防止栅源电压尖峰损坏IGBT。

图5 防栅极电荷积累与栅源电压尖峰的保护
过热保护
IGBT 的损耗功率主要包括开关损耗和导通损耗,前者随开关频率的增高而增大,占整个损耗的主要部分;后者是IGBT控制的平均电流与电源电压的乘积。由于IGBT是大功率半导体器件,损耗功率使其发热较多(尤其是Rg选择偏大时),加之IGBT的结温不能超过125℃,不宜长期工作在较高温度下,因此要采取恰当的散热措施进行过热保护。
散热一般是采用散热器(包括普通散热器与热管散热器),并可进行强迫风冷。散热器的结构设计应满足:Tj=P△(Rjc+Rcs+Rsa)《Tjm 式中Tj-IGBT的工作结温
P△-损耗功率
Rjc-结-壳热阻vkZ电子资料网
Rcs-壳-散热器热阻
Rsa-散热器-环境热阻
Tjm-IGBT的最高结温
在实际工作中,我们采用普通散热器与强迫风冷相结合的措施,并在散热器上安装温度开关。当温度达到75℃~80℃时,通过 SG3525的关闭信号停止PMW 发送控制信号,从而使驱动器封锁IGBT的开关输出,并予以关断保护。
射频工程师养成培训教程套装,助您快速成为一名优秀射频工程师...
天线设计工程师培训课程套装,资深专家授课,让天线设计不再难...
上一篇:长时间不使用UPS需要做哪些维护
下一篇:电源故障判断及处理总结

