- 易迪拓培训,专注于微波、射频、天线设计工程师的培养
如何提升数字控制电源性能?MOSFET驱动器?
UCD9110或UCD9501等新上市的数字电源控制器需要具备新型的智能型集成MOSFET驱动器的支持。电源设计人员仍然对数字电源控制技术心存疑虑。他们经常将PC的蓝屏现象归咎于软件冲突。当然,这种争议会阻碍数字控制电源以及查找控制器故障期间功率级保护策略的推广。这推动了不依赖数字电源控制器信号的具备功率级内部保护功能的MOSFET驱动器的发展。

图1是数字控制电源的典型实施方案。图中左侧数字电源控制器通常的工作电压为3.3V。由于控制器设计中采用了数字低电压处理方法,出于对稳定性及噪声的考虑,不能直接使用该数字控制器驱动MOSFET。控制器与功率级之间的接口由MOSFET驱动器提供。通常由MOSFET驱动器接收PWM或数字控制器的输出信号,然后将其转换为适于高效开、关MOSFET的高电流信号。如果控制器信号受到干扰或出错,则普通MOSFET驱动器将无法提供任何保护功能。TI推出的UCD7K系列MOSFET驱动器将能够保护功率级免受因干扰驱动信号而导致的重大故障。MOSFET驱动器内置的超高速电流感应比较器提供了功率级保护。图2为相关结构图。

集成的超快速电流限制功能
UCD7K MOSFET驱动器接收到来自数字控制器的逻辑电平输入信号,然后将其转换为±4A的高电流MOSFET栅极驱动信号,并连接至功率级。该驱动器提供了具有可编程阈值及数字输出电流限制标记的周期性电流限制功能,主机控制器通过监测电流标记,可以选择合适的算法并得出所需的限流配置参数(Profile)。当出现数字系统不能及时针对故障做出响应的情况时(极少发生),该项快速(25ns)周期性电流限制保护功能就会关闭功率级。本地过电流保护功能的主要优点是,当数字控制器中的软件代码损坏或终止运行时,UCD7K器件能够对功率级提供保护。如果控制器PWM输出保持高电流,本地电流检测电路将在出现过电流情况时关闭驱动器输出。系统很可能进入重试模式,因为大多数DSP及微控制器均配备有板上看门狗、掉电复位等监控外设,可以在运行不正常时重新启动器件。但是这些外设的反应速度通常较慢,无法保护功率级不受损坏。UCD7K的电流限制比较器为功率级提供了所需的快速保护功能。
通过在电流限制(ILIM)引脚施加所需的阈值电压,可在0.25V至1.0V的范围内随意设置电流限制阈值。可以使用电阻分压器或者数字控制器加数模转换器来施加该电压。在任何情况下,最大阈值电压已在内部限定为1.0V,而外部电压设定超过1.0V时无效,这就为D/A转换器损坏时提供了另一种保护功能。
TrueDrive输出架构
对于快速开关速度,UCD7K驱动器的输出使用TrueDrive输出架构,在开关交换的“米勒”平坦区期间,该架构向MOSFET的栅极输入±4A的额定电流。TrueDrive包含由双极性管和MOSFET管并联组成的上拉/下拉电路。
高电压启动JFET+精确参考
部件号第二位数字等于或大于5(如UCD7500、UCD7601)的UCD7K系列器件内置有一个110V启动JFET,可与48V通信总线电压直接相连而无需外部电阻。JFET在启动期间提供电流,当偏置绕组连接到VDD引脚得到足够的工作电流时JFET将禁用。
UCD7K系列器件中还包含精度为1%、电压为3.3V、电流为10mA的线性稳压器,该稳压器在作为参考电压的同时又为数字控制器供电。
数字电源应用
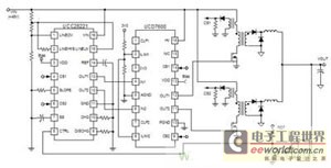
图3中UCD7500驱动器将左侧的数字控制器与右侧的功率级相连。UCD7500的引脚1直接与通信输入电压总线相连,内部JFET在启动期间提供电流。微控制器由MOSFET驱动器的3.3V电压稳压器供电。启动期间CLF标志位保持高电平,直到UCD7500的内部及外部电源电压进入工作范围。此时,CLF标志位将变为低电平,UCD7500开始处理输入驱动信号。启动期间,微处理器监测CFL标志位,当CLF标志位变为低电平后,微处理器向MOSFET驱动器发送功率脉冲。MOSFET驱动器从引脚3接收到输入脉冲。同时从微控制器的引脚6接收到限流设置。与引脚8相连的电流感应电阻监视通过功率级的电流。一旦通过电流感应电阻的电流超过ILIM上的限流设置,MOSFET驱动器会立即关闭MOSFET栅极驱动,并向微控制器发送电流限制标记。当微控制器向UCD7500发送新的栅极驱动脉冲时,电流限制标记清除。该技术使微控制器能够决定如何应对电流限制事件,例如在一定时间内向负载提供更多电流(马达驱动的启动期间)。微控制器会提高电流限制阈值,也有可能会计算电流限制标记脉冲的个数,容忍一定数量的电流限制事件,直到发出关机命令。

图3:UCD7500 MOSFET驱动器在数字控制电源中的典型应
模拟电源应用
图4中UCD7600 MOSFET驱动器与内置了PWM控制器的UCC28221相连。UCD7600提供两个独立的MOSFET驱动器,各自拥有独立的电流限制比较器及电流限制标记。在图4的应用中,两个比较器的定值限流阈值由施加了3.3V内部电压的电阻分压器提供。这些阈值用作打嗝(Hiccup)模式的二级电流感应限制。
射频工程师养成培训教程套装,助您快速成为一名优秀射频工程师...
天线设计工程师培训课程套装,资深专家授课,让天线设计不再难...
上一篇:直流电源系统事故和故障处理预案
下一篇:浅析分布式电源接入对配电网的影响

