- 易迪拓培训,专注于微波、射频、天线设计工程师的培养
多输入直流变换器的研究现状与发展
1.引言
随着社会经济的不断发展,人类对能源的需求日益增加,使得石油、煤和天然气等不可再生能源供应日益紧张、环境污染严重、导致全球气候异常,核能用于电力发电又会产生核废料污染环境、也可能产生核事故对人类造成大规模影响。因此寻找新的可再生能源、开发和利用可再生能源是人类所面临的最为紧迫课题之一。目前可再生能源发电主要有光伏、燃料电池、风力、地热等类型,均存在电力供应不稳定、不连续、随气候条件变化等缺陷,但人类对供电质量和供电可靠性的要求越来越高,为了解决这一矛盾就必须研究并采用多种能源联合供电的分布式供电系统。
传统的可再生能源分布式供电系统,如图1 所示。由图1 可知,该系统由三部分构成:1)光伏电池、燃料电池、风力发电机等可再生能源发电设备和单向直流变换器;2)蓄电池、超级电容等辅助能量存储设备和双向直流变换器;3)与直流母线相连的负载变换器和负载。该系统的多种能源需要分别经过单向直流变换器进行电能变换后连接到公共的直流母线上,因此需要多个单输入直流变换器、存在电路结构复杂、成本高等缺点。

为了降低成本,就必须对电路结构进行简化,可采一个多输入直流变换器取代多个单输入直流变换器,组成新型的可再生能源分布式供电系统,如图2所示。由图2 可知,多个性质、幅值和特性相同或差别很大的输入源可以通过一个多输入直流变换器实现在一个高频开关周期内同时或分时向负载供电,该供电系统具有电路结构更简洁、成本更低、系统的稳定性和灵活性得到提高、可实现可再生能源的优先利用等优点。

按照多路输入源与直流负载是否存在电气隔离,多输入直流变换器可分为非隔离型和隔离型两类。按照多路输入源在一个高频开关周期内向负载供电的方式不同,多输入直流变换器可分为分时供电型与同时供电型两类。分时供电型多输入直流变换器在任一时刻只有一路输入源向负载供电;同时供电型多输入直流变换器在任一时刻既可以有一路输入源,也可以有多路输入源同时向负载供电。本文把多输入直流变换器分为非隔离分时供电型、非隔离同时供电型、隔离分时供电型、隔离同时供电型四类,并论述多输入直流变换器的研究现状与发展。
2.非隔离分时供电型多输入直流变换器
非隔离分时供电型多输入直流变换器电路拓扑有Buck、Buck-Boost 等类型,其电路拓扑如图3 所示。该类变换器采用单向导通的功率开关S1、S2、…、Sn将多路输入源并联在一起,在一个高频开关周期内的任一时刻均只有一路输入源向负载供电。当功率开关S1、S2、…、Sn 采用具有反并联二极管的MOSFET、IGBT 等器件时,必须串联阻断二极管D1、D2、…、Dn。当多路输入源独立向负载供电时,图3(a)所示Buck型多输入直流变换器相当于一个单输入的Buck 型变换器[1];图3(b) 所示Buck-Boost 型多输入直流变换器相当于一个单输入的Buck-Boost 型变换器[2]。
非隔离分时供电型Buck、Buck-Boost 多输入直流变换器具有电路结构简洁、各路输入源通过功率开关并联易于扩展为n 路输入等优点;但该类变换器也存在需要串联阻断二极管,导通损耗增大,任一时刻只能有一路输入源给负载供电,占空比调节范围小,输出与多输入源、多输入源之间均无电气隔离,电磁兼容性差,输出与输入电压匹配能力弱等缺点,电路的实用性较差。

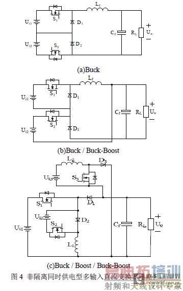
3.非隔离同时供电型多输入直流变换器非隔离同时供电型多输入直流变换器电路拓扑有双输入Buck[3]、双输入Buck / Buck-Boost[4]、三输入Buck / Boost / Buck-Boost[5]等类型,如图4 所示。

该类电路拓扑是将多个非隔离型单输入直流变换器组合成一个多输入直流变换器,在—个高频开关周期内,两路输入源既可以独立向负载供电,也可以同时向负载供电。非隔离同时供电型多输入直流变换器,具有控制十分灵活,占空比调节范围宽,任一时刻,多路输入源既可以独立向负载供电,也可以同时向负载供电等优点;但该类变换器也存在难以扩展为n 路输入,输出与多路输入源之间、多路输入源之间均无电气隔离,电磁兼容性差,输出与输入电压匹配能力弱等缺点。
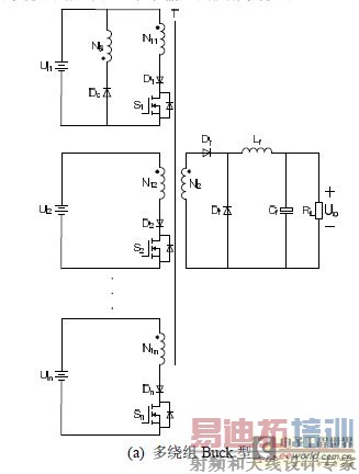
4.隔离分时供电型多输入直流变换器隔离分时供电型多输入直流变换器与非隔离分时供电型多输入直流变换器具有相同的电路结构,在3 所示电路中插入高频变压器可派生出Buck 、Buck-Boost 型隔离分时供电型多输入直流变换器[6],如图5 所示。
隔离分时供电Buck、Buck-Boost 型多输入直流变换器由一个多原边绕组的高频(储能式)变压器将多个相互隔离的高频逆变电路和一个共用的输出整流滤波电路联接构成。由于在变压器充磁的任一时刻,绕组电压总是被某一路输入源电压箝位,因此在一个高频开关周期内的任一时刻均只能有一路输入源向负载供电。当输入源单独向负载供电时,图5(a)所示Buck 型多输入直流变换器相当于一个单输入的正激变换器;图5(b)所示Buck-Boost 型多输入直流变换器相当于一个单输入的反激变换器。


隔离分时供电型多输入直流变换器,具有电路结构简洁,各输入源通并联连接易于扩展为n 路输入,多路输入源之间、输出与多路输入源之间双向隔离,电磁兼容性和电压匹配能力强等优点,但该类变换器也存在与功率开关串联的阻断二极管增加了额外的导通损耗,任一时刻只能有一种输入源给负载供电,占空比调节范围小,高频逆变电路与变压器原边绕组利用率低等缺点。
5.隔离同时供电型多输入直流变换器
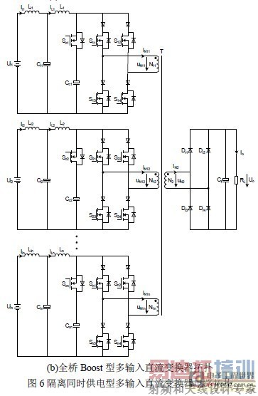
隔离同时供电型多输入直流变换器电路拓扑,如图6 所示。该类拓扑是一类较新颖的电路拓扑,图6(a)所示全桥Buck 型双输入直流变换器[7]具有电路结构简单,多路输入源向负载供电时可共用直流变换器的部分结构,多路输入源可同时或分时供电,输出与多路输入源之间具有电气隔离等优点。但也存在开关管电应力较高,扩展为n 路输入时控制复杂,输入源之间无电气隔离,输入电流纹波大等缺点。难以应用在各输入源性质差别较大的新能源联合供电场合。图6(b)所示全桥Boost 型多输入直流变换器[8],通过一个多原边绕组的高频变压器将多个相互隔离的、带有储能电感的高频逆变电路和一个共用的输出整流滤波电路联接构成的。这类多输入直流变换器属于电流型变换器,通过磁通叠加的方法,变换器可实现多路输入源同时向负载供电,即在一个高频开关周期内的任一时刻既可以有一路输入源,也可以有多路输入源同时向负载供电。为了防止多路输入源向负载传递能量的过程互相影响,当高频逆变电路中采用具有反并联二极管的MOSFET、IGBT 等功率开关时,必须将其与反向阻断二极管相串联。全桥Boost 型多输入直流变换器的输入源只能通过全桥逆变电路的一个桥臂向该路储能电感充磁,否则,当变压器全桥逆变电路的两个桥臂均直通时,变压器绕组电压被箝位为零,多路输入源向负载传递能量的过程将互相影响。为了解决这个问题,该多输入直流变换器需采用移相控制技术。该变换器具有电路结构简洁,多路输入源可同时或分时供电,易于扩展为n 路输入,输出与多路输入源、多路输入源之间的双向隔离,电磁兼容性和电压匹配能力强,输入电流纹波小等优点。但是与功率开关管串联的阻断二极管,使得导通损耗增大。


6.设计实例
以全桥Boost 型双输入直流变换器电路拓扑为例,采用第一路输入最大功率和第二路补充负载所需不足功率的主从式电压、电流瞬时值反馈移相全桥控制策略。第一路输入源模拟光伏电池电压Ui1=40-48-60VDC,第二路输入源模拟风力发电机输出电压Ui2=40-48-60VDC,输出电压Uo=380VDC,额定输出功率Po=1kW,第一路最大输入功率P1=760W,开关频率fs=50kHz , 高频变压器匝比为N11:N12:N2=9:9:32,输入储能电感L1=L2=80μH,输入滤波电容Ci1=Ci2=2700μF,输出滤波电容Cf=5.4μF,额定负载RL=144.4 ,箝位电容CC1=CC2=3.3μF。变换器两路同时供电额定工作时的原理试验波形如图7 所示。

原理试验结果表明:1)两路上桥臂开关 S11、S12、S21、S22 实现了 ZVS 关断,如图 7(a)所示;2)两路下桥臂开关 S13、S14、S23、S24 实现了 ZVS 开通,有源钳位电路有效抑制了功率开关关断电压尖峰,如图7(b)所示;3)Sc1、Sc2 实现了 ZVS 开通,如图 7(c)所示;4)变压器原边绕组电UN11、UN12 是幅值分别为±UoN11/N2、 ±UoN12/N2 的高频交流脉冲波,如图9(d)所示; 5)第一路输入源电压幅值为48V,电流幅值为16A,如图 9(e)所示;6)变换器输出电压 Uo 的幅值为 380 V,输出电流幅值为2.65A,如图 6(f)所示;7)额定工作时变换器的效率为89%。总之,全桥Boost型双输入直流变换器具有多路输入源可同时或分时供电,电磁兼容性和电压匹配能力强,开关损耗低,输入电流纹波小,输出电压稳定等优点,采用第一路输入最大功率第二路补充负载所需不足功率的主从式电压、电流瞬时值反馈移相全桥控制策略,能够实现可再生能源的优先利用、能够提高可再生能源联合供电的稳定性和灵活性。因此,全桥Boost 型多输入直流变换器拓扑非常适合应用在多种性质不同的可再生能源联合供电的分布式供电系统。
以上论述可知,目前国内外专家学者对多输入直流变换器的研究,主要有非隔离分时供电型、非隔离同时供电型、隔离分时供电型、隔离同时供电型多输入直流变换器,各类型多输入直流变换器都有着各自的优缺点。随着可再生能源分布式发电的发展,多输入直流变换器的应用越来越广泛,因此,寻求一类具有电路结构简洁、成本低、效率高、允许多种可再生能源分时或同时供电、能够提高可再生能源联合供电的稳定性和灵活性、能够实现可再生能源的优先利用的多输入直流变换器及其控制策略已迫在眉睫。因此,多输入直流变换器的研究具有重要的理论价值和工程应用价值,符合我国可持续发展战略的要求。
参考文献
[1] Benavides N D and Chapman P L, “Power budgeting ofa multiple-input Buck-Boost converter,” IEEE
Transactions on Power Electronics, 2005, 20(6):
1303-1309.
[2] Bryan G Dobbs and Patrick L Chapman, “A multiple-input
DC-DC converter topology,” IEEE Power Electronic
Letters, 2003, 1(1): 6-9.
[3] Yuan-Chuan Liu, Yaow-Ming Chen, “A systematic
approach to synthesizing multi-Input DC/DC converters,”
IEEE Power Electronics Specialists Conference, 2007,
17-21: 2626-2632.
[4] Chen Y M, Liu Y C, Lin S H, “Double-input PWM
DC-DC converter for high/low voltage sources,” IEEE
Transactions on lndustrial Electronics,2006,53(5):
1538-1545.
[5] Yan Li, Trillion Q. Zheng, Chuang Zhao, Rui Du,
Quandong Wang, “A Novel Buck/Boost/Buck-Boost
Three-Input DC/DC Converte,” IEEE Industrial
Electronics Society 37th Annual Conference, 2011, 7-10:
1091-1096.
[6] Matsuo H, Wenzhong Lin, Fujio Kurokaw, “Tetsuro
Shigemizu and Nobuya Watanabe. Characteristics of the
multiple-input DC-DC converter,” IEEE Transactions on
Power Electronics. 2004, 51(3): 625-631.
[7] Yan Li, Chuang Zhao, Jia Yao Chen, Rui Du, Yujin
Zhang, “Optimizing Design of Soft-Switching Dual-Input
Full-Bridge DC/DC Converter,” IEEE Vehicle Power and
Propulsion Conference, 2011, 6-9: 1-6.
[8] 陈道炼,陈亦文,徐志望.全桥Boost 型多输入直流变
换器.中国电机工程学报,2010,30(27):42-48.
作者简介:
李华辉 1985 年生,男,硕士研究生,研究方向
为新能源供电系统电力电子变流技术。
陈道炼 1964 年生,男,博士后,IEEE 高级会员,
新世纪百千万人才工程国家级人选,闽江学者,教授、
博士生导师,主要从事电力电子学研究。
射频工程师养成培训教程套装,助您快速成为一名优秀射频工程师...
天线设计工程师培训课程套装,资深专家授课,让天线设计不再难...
上一篇:简述移动电源原理
下一篇:简述升压转换器的简单开路保护

