- 易迪拓培训,专注于微波、射频、天线设计工程师的培养
综述UPS电路技术的发展历程
最初的UPS输出逆变器都是带有输出变压器的。应该说,采用输出变压器是UPS逆变器输出电路形式所决定的,而变压器的存在却是弊大于利。逆变器电路技术演变过程的一个显着的表现形式是:是否必须用变压器,如何配置变压器,是否可能去掉变压器。
图1是20世纪70年代生产的第一代三相UPS的典型电路结构形式。

图1所示的UPS(不间断电源)包括一个由降压式自耦变压器绕组供电的二极管全波整流器和一个与整流器相并联的、由自耦变压器的辅助二次侧绕组供电的可控硅电池充电器。当电网停电时静态开关可将电池组连接到直流母线上供电。
逆变器由4个三相逆变器以全波方式运行(按照基波频率进行换向),每一个三相逆变器都与变压器的一次侧绕组相连接(三角形连接),再把这些二次侧绕组开放式变压器(OpenPhaseTransformers)的二次侧以一定方式进行连接,以获得合成的输出电压。这4个变压器被分为两组,每一组都包含一个星形和一个Z形(曲折星形)的二次侧绕组,这两个二次侧绕组之间具有30°相位差。这一特殊的连接可消除n=6k±1(k为奇数)次的电压谐波,这等效于12脉冲整流器中的两个移相式绕组在变压器一次侧中可抵消5、7次谐波。对于在变压器一次侧绕组中每相可能出现的3次和3n次电流谐波,由一次侧绕组的三角形接线方式来抵消。因此,输出端首先需要滤除的谐波为第11次谐波。输出电压的调整是通过移动两组变压器之间的相位(0<φ<180°)来完成的。由于首先需要滤除的是第11次谐波,所以输出滤波器的尺寸较小,这使得逆变器对负载变化的动态响应特性加快。
以可控硅(晶闸管)为基本功率器件的电路存在着换相安全和功率损耗的问题,为减少电路的能量损失和改善控制功能,下一代系统开始使用一种新的脉冲电路,每个晶闸管都有其相应的灭弧电路。整个设备仅需两个变压器,如图2所示。为消除n=6k±1(k为奇数)次的谐波,只需要一组相位相差30°的逆变器,而这30°的相移是预先设置好的,并在每台变压器一次侧以“脉冲宽度调节”的方式(PWM)来实现对电压的调整。为达到预期的输出电压,可以将上述换向电路应用于每周期6次固定换向的基本脉宽调制电路(PWM)。

变压器的数量从4个减少到2个,但为了能进一步减少变压器的数量,就不得不提高逆变电路的性能,以便通过优化PWM就能达到目的,而无需再使用两组变压器的耦合方式。以前使用两组移相30°的变压器是为了减小低次谐波(5、7次),因为他们的幅值较大,要滤除他们比较困难。只用一个变压器的UPS如图3所示。电路中,变压器的二次侧绕组为曲折星形连接,每个逆变器以基波的7倍频率来斩波直流电压。这种斩波方式称为固定频率斩波,在设计时以尽可能减小输出电压的失真度以及减小滤波器的尺寸为目标。输出电压的调整是通过移动两组逆变器桥之间的相位进行的。

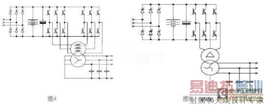
自20世纪80年代起,UPS(不间断电源)逆变器开始只含有一个变压器。同时,随着功率半导体器件的革新,双极型功率晶体管以及电子控制级的IGBT等功率半导体器件的出现,逆变电路中的可控硅器件被取代(见图4和图5),但UPS带输出变压器的这种情况仍在继续且一直持续到二十一世纪伊始,其间虽然在1995年出现了无变压器的逆变器结构,然而此类产品仅适用于功率小于等于30kVA的UPS。造成这一情形的主要原因是功率半导体器件换向时的损耗较大,而较高的耐压要求又使得人们很难在不用变压器的条件下成功地制作出大容量的逆变器。
APC的解决方案配备了自动检测断路器大小、PDU电路位置和分支电流监控功能,为用户带来更多实用的好处。这些功能与英飞解决方案的容量和变化管理模块兼容,更好地实现自动分支电流设置、调整和平衡功能。
图4的逆变器采用IGBT器件,变压器二次侧绕组采用星形连接。每个一次侧绕组都连接到两个逆变器支路的中点,组成实际上是三个单相全控制的逆变器桥。因此,在二次侧绕组上得到的电压是独立进行调节的,这可有效地确保输出电压的良好平衡,而不管三相负载电流是否处于平衡状态。使用桥式组件的连接方式可使每个支路的变换频率相对于标称变换频率减小1/2,这样每个支路都只在正弦波的1/2个周期内工作。

图5只有一个逆变器(三相全桥),此变压器的耦合方式采用一次侧三角形/二次侧曲折星形连接。这种连接方式可实现两个额外的功能。首先,它可以实时(即刻、瞬间)地调节每相的输出电压,而各相输出电压都与逆变器的逆变支路相对应。此外,变压器二次侧的Z形连接所吸收的负载3n次谐波电流传送到变压器的一次侧绕组,使这些谐波电流只在一次侧绕组内流动,这样,可降低IGBT的换向电流,从而减少了换向损耗。
以上所述就是逆变器中的变压器是如何逐步发展演变的过程。
射频工程师养成培训教程套装,助您快速成为一名优秀射频工程师...
天线设计工程师培训课程套装,资深专家授课,让天线设计不再难...
上一篇:解析光电开关的原理
下一篇:特高压直流输电知识普及问题综述

