- 易迪拓培训,专注于微波、射频、天线设计工程师的培养
太阳能逆变电源基本设计要点与方法总结
太阳能逆变器的作用是将随太阳能辐射及光照变化的DC电压转换成为电网兼容的AC输出;而对于广大电子工程师而言,太阳能逆变器是一个值得高度关注的技术领域。因此下文将介绍太阳能逆变器设计所需注意的技术要点、挑战以及相应的解决方法。
基本设计标准
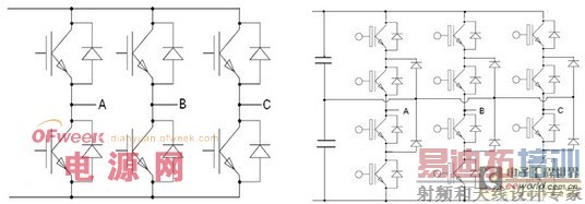
基于太阳能逆变器的专用性以及保持设计的高效率,它需要持续监视太阳能电池板阵列的电压和电流,从而了解太阳能电池板阵列的瞬时输出功率。它还需要一个电流控制的反馈环,用于确保太阳能电池板阵列工作在最大输出功率点,以应付多变的高输入。目前,太阳能逆变器已有多种拓扑结构,最常见的是用于单相的半桥、全桥和Heric(Sunways专利)逆变器,以及用于三相的六脉冲桥和中点钳位(NPC)逆变器;图1所示是这些逆变器的拓扑图(Microsemi图源)。同时,设计还需遵从安全规范,并在电网发生故障的时候可以快速断开与电网的连接。因此,太阳能逆变器的基本设计标准包括额定电压、容量、效率、电池能效、输出AC电源质量、最大功率点跟踪(MPPT)效能、通信特性和安全性。

图1a:半桥逆变。图1b:全桥逆变器

图1c:Heric逆变器

图1d:三相桥逆变器。图1e:NPC三级逆变器
额定电压:太阳能逆变器的主要功能是把来自光伏面板(有时是经过稳压的DC电压)的可变DC电压转换为AC电压以驱动负载或给电网供电。最常用的单相和三相AC电压分别为120V/220V以及208V/380V;而对工业应用来说,480V也很常见。对选定的逆变器拓扑来说,输出AC电压的范围将决定DC母线电压以及每个半导体开关的额定电压。
容量:它是太阳能逆变器额定功率的另一个说法。该数值在200W(面板集成模块)到数百千瓦之间。容量越大,逆变器的体积越大、价格越高。太阳能逆变器的成本以美元/瓦来衡量。就一个恰到好处的设计而言,确定容量时,必须把浪涌、过载以及连续工作模式等情况考虑在内。
效率:每个太阳能逆变器都有其对效率(输出功率/输入功率)的要求,例如,一个数千瓦系统的典型效率可达95%。基于太阳能阵列的能量转换效率相对低(约在15%左右)的事实,所以,就以最小的太阳能面板获得最多的输出功率来说,高效逆变器具有非常重要的意义。
电池能力:在逆变器的DC侧加装电池组起着能量缓存器的作用,它能平抑DC电压可能的波动并把负载还未使用的能量存储起来。电池能力的一个优点是当天黑时仍可持续提供能量。任何加装了电池的太阳能逆变器都需要电池控制器,虽然在连接电网的情况一般用不到。
输出功率质量:源于逆变器内在的开关模式特性,其AC输出波形并非理想的正弦波,且通常还包含由脉宽调制(PWM)引入的宽范围高频谐波。对许多电子负载来说,这些谐波有害无益;当并网时,这些谐波成为污染源。尽管有这些谐波,太阳能逆变器依然能够对负载较差的功率因数进行补偿,并弱化诸如电压骤降和波动等电源质量问题。一款设计精良的太阳能逆变器应输出近似正弦波并减少引入到电网内不期望的低频成分。
MPPT效能:太阳能面板的输出将遵循电流-电压曲线图中不同光照条件下的一系列特性曲线,因此,为获得最大功率输出,需对电压进行动态调节。最大功率点跟踪手法类似获取内燃机最佳效率曲线的作法,其中,扭矩和速度对应电流和电压。过去10年间,开发出若干算法,其中最流行的是通过扰动电压和观察输出的方法。
通信特性:对一个数千瓦的太阳能逆变器来说,构建一个用于监控和数据存储的通信连接很有必要。归功于当今这样一个数字时代,作为一种通用控制器的微处理器(MCU)很适合该功能。
安全性:有两个含义:1.当并网时,需仔细观察波形并在掉电时,立即切断连接;反孤岛保护对此很关键。2.维护和维修时,工作人员应没安全风险。
并网逆变器需要在不降低功率等级的前提下,紧密匹配电网的相位和频率。在并网时,逆变器能够把负载用不了的电能回送至电网且无须借助体积庞大、成本高昂的能量存储器件。基于安全考虑,并网的逆变器将在掉电时自动切断且一般没有用于存储能量的电池组。同时,离网太阳能逆变器工作在独立模式,无需与外部AC电网同步。所以,它不需要任何反孤岛保护措施。
另外,对于逆变器的并网设计和离网设计,两者间的区别还在于输出级。然而,在并网连接系统中,大多数情况下,DC/AC级由600V的功率MOSFET和/或IGBT所构建,离网系统则使用为电池级馈送的低压输出,主要的应用包括太阳能街灯照明或使用48V电压轨输出的太阳能辅助电信系统。在48V系统中,则一般选择100V的功率MOSFET来构建全桥逆变器。下文也将会对太阳能逆变器中的MOSFET和IGBT的使用进行详细介绍。
系统效率可能成为了太阳能逆变器最重要的设计考虑因素,是不同竞争厂商之间优劣的区分要素。一台20kWp安装设备每天平均输出电能为190kWh,若其效率从95%提高到96%,如果强制入网电价 (feed-in tariff)按0.40美元/ kWh,并以10年寿命周期来计算,其所节省约为逆变器自身成本的一半,因此效率的重要性不言而喻。
一旦输出功率确定了,则最高转换效率和最低功率器件损耗讲的就是一回事。考虑到光伏面板把太阳能转换为电能的效率很低(一般只有15%),则能量逆变器的效率在减小太阳能面板面积和整个系统的体积方面就很有意义。除此原因外,器件的功率损耗将在硅裸片上产生热从而导致温升,因此,必须有效散热。这些损耗导致的热过力是高可靠设计必须竭力应付的且必须要用到散热器。众所周知,散热器个头大、价格高;另外,其采用诸如风扇等器件使散热器的可靠性不高。换句话,尽可能小的功率损耗不仅节省能量,还可以提升系统可靠性,使系统更紧凑并降低了成本。
由于现有逆变器的第一次故障平均时间约是5年,因此太阳能逆变器成为造成光伏系统诸多故障的主要原因。为提升逆变器设计的可靠性,需考虑如下因素并采取相应措施,包括:低损耗功率器件和开关电路、更新的封装技术、对电解电容器的替代、过设计、器件的冗余以及对常见失效模式和原因等的深入分析。
Microsemi(美高森美)半导体的应用工程师经理钱昶指出,电和热方面的过载是导致失效的两个原因,选择能效更高的器件和电路会降低逆变器自身的功耗并进而降低功率器件的结温且同时降低了热过力;过设计是使电和热应力远远低于器件所能承受水平的另一条途径;而冗余设计使器件交替工作,从而分摊降低了每一器件所受的压力。
过设计和冗余设计将显著增加成本,而这是制造商所不希望的。因此,更可行、成本更低的作法是研究失效模式和成因然后将该信息回馈至产品进行重新设计。当然,这就需要对大量产品进行现场测试以便发现并验证故障机制和模式。
此外,钱昶认为太阳能逆变器可靠性设计的其它挑战还应包括:具有低可靠性的电解电容并且以合理价格找到不同种类高压、大容量电容器的技术难度;缺少结构化方法进行产品规划和质量控制的不成熟制造工艺也将损害可靠性;另外,工作在恶劣环境下(极低或极高温、潮湿和曝晒)也为可靠性设计带来挑战。
飞兆半导体技术行销助理经理Eric Zhang也认为系统所需的母线电容的确成为影响可靠性的最重要因素,因此设计通常会选择电解电容器,因为它耐受日常温度变化循环,并可在高温下运作。设计人员还必须了解将要并网发电之太阳能电池的额定输出功率,从而选择合适的拓扑(请参考图1),并使用具有足够耐压的功率开关器件。
而英飞凌的高级工程师Jerome Lee则建议,可通过降低电解电容中的纹波电流以延长逆变器的使用寿命。当开关的高频操作与高效率目标发生冲突,需要考虑电容器组是否过大或是出现多相系统。而除了电解电容老化问题,他认为电压额定值下降以及散热效果是影响也是太阳能逆变器可靠性的主要因素,最具成本性能优化的是使用600V级别的功率器件。这时可以通过使用过压保护系统或降压变换器作为输入级以将电压应力减少到500V以下。
IGBT抑或MOSFET
半导体器件影响逆变器设计的主要因素可以概括为:器件击穿电压、封装、热阻(从结到外壳)、电流等级、导通电压或导通阻抗、寄生电容、开关速度和成本。而设计人员在为太阳能逆变器设计选择功率逆变器件时又将有具体的考虑呢?
就MOSFET和IGBT来说,其选用决策视性能和成本间的权衡而定。一般说,因IGBT的电流更大(是MOSFET的两倍多),所以采用IGBT方案的成本比采用MOSFET的成本低。除成本方面的考虑外,器件性能可由功率损耗表度,而功率损耗可分为:导通和开关两类。作为以少数载流子为基础的器件,在大电流下,IGBT具有更低的导通电压,也就意味着更低的导通损耗。但MOSFET的开关速度更快,所以开关损耗比IGBT低。因此对于要求更低开关频率且更大电流的
[p]应用来说,选择IGBT更为适合而且具备更低成本优势。另一方面,MOSFET有能力满足高频、小电流应用,特别是那些开关频率在100kHz以上的能量逆变器模块的需要。虽然从器件成本角度看,MOSFET比IGBT贵,但其处理更高开关频率的能力将简化输出滤波器的磁设计并将显著缩小输出电感体积。
基于上述原因,更多的制造商因此倾向于在中高水平的能量逆变器中采用IGBT。而据Microsemi的钱昶介绍,该公司的MOS8 IGBT在静态和动态测试(最小化的总体功率损耗)方面的优化性能可出色胜任这些应用的要求。另一方面,他强调,即便MOSFET的成本是个主要考量,但为实行一个更优方案,也应重新审视采用MOSFET的潜力,诸如Microsemi的MOS7/MOS8 MOSFET所具备的领先特性就非常适合太阳能逆变器的设计。
DC/AC变换级通常由两个快速开关设备和两个用于极性选择的开关所组成,所以主要损耗表现为传导损耗,也因此需要功率器件具备非常低的正向电压降。功率MOSFET相对于IGBT的一个优势是其不存在拐点电压(knee voltage)。而逆变器设计需要考虑高达700V的输入电压,系统这时会考虑采用降压转换器作为其第一个功率级。
英飞凌奥地利公司的高级工程师 Uwe Kirchner对此建议通过并联三个英飞凌CoolMOS CP系列器件,以在600V级别上获得少于15m欧姆的导通电阻,而CoolMOS 900V系列产品可提供最大导通电阻为130m欧姆的器件。但是对于慢速开关设备,他推荐使用600V 的Trench Stop IGBT。
该公司电源分立器件部负责人Gerald Deboy博士也为逆变器设计的器件选型补充了自己的看法,他认为使用CoolMOS CP还是CoolMOS CED要取决于体二极管的要求。在逆变器中,当体二极管在电压过零点或无功功率的传递过程中的硬换流现象时,使用CED较为有利。而对于IGBT的反并联二极管,则选用SiC肖特基势垒二极管比较合适。因为这时,降压级的续流二极管(free wheeling diode)或电隔离系统中的整流二极管都可从SiC肖特基势垒二极管的零反向恢复特性中受益。 飞兆半导体的Eric指出,在太阳能逆变器拓扑通常也可能包含一个升压级,将输入DC电压提升至充分高于所需峰值输出电压的水平,然后通过DC/AC逆变并入电网。对于升压转换器来说,人们最关心的是升压二极管的开关损耗,反向恢复电荷可能引起高损耗(这取决于功率范围,升压转换器通常使用连续导通模式,这给二极管带来显著的应力)。用于这一功率级的MOSFET的开关损耗亦很重要,因此可考虑选择先进的超结器件(例如600V SuperFET MOSFET)以减少开关和导通损耗。在逆变器级中,通常使用专为软开关而优化的低速 IGBT,以减小输出滤波器的体积,从而降低滤波器的能耗。同时,由于IGBT本身具备稳固性,可以更好地抵抗电网的峰值电压,许多逆变器使用专有拓扑以进一步提升效率,增添更多的功能特性。
实现太阳能逆变器的智能控制
设计太阳能逆变器时要考虑的两个关键因素是效率和谐波失真。效率可分成两个部分:太阳能的效率和逆变器的效率。逆变器的效率在很大程度上取决于设计使用的外部元件,而不是控制器;而太阳能的效率与控制器如何控制太阳能电池板阵列有关。每个太阳能电池板阵列的最大工作功率在很大程度上取决于阵列的温度和光照。MCU必须控制太阳能电池板阵列的输出负载,以使阵列的工作功率最大。由于这不是一个数学密集型算法,因此可使用低成本MCU来完成任务。
而要智能化控制谐波失真,则需要更多处理。若要将系统用作不间断电源(UPS),则需要诸如DSC或DSP等高性能控制器来确保在电网不存在时提供清洁的电能。若太阳能逆变器只在电网存在时工作,则可使用低成本MCU。这是由于电网能吸收太阳能逆变器产生的所有谐波失真,因为电网可以被看作是一个无穷大的负载。对于高谐波失真的太阳能逆变器,Microchip技术开发部的首席应用工程师John Charais推荐使用Microchip的PIC16F和PIC18F MCU系列,这两个系列带有片上ADC和PWM模块,同时PIC12F615到PIC18F “K”或“J”系列MCU等更大的器件均适用。对于低谐波失真的太阳能逆变器,推荐使用PIC32F/30F MCU和dsPIC33F DSC。
此外,TI对太阳能等可再生能源的应用也很关注,但这家以DSP而著名的公司目前向太阳能智能控制领域提供的是两款由DSP演变而来C2000系列MCU。TI高级嵌入式处理器产品部中国区经理谭徽博士认为,标准太阳能系统在多个太阳能电池板上使用一个逆变器,而据相关的研究显示,连接至每个太阳能电池板的微型逆变器能提升功率转换效率以提高每个单电池板的输出,因此TI的C2000 Piccolo和Delfino MCU非常适用于太阳能逆变器应用。其中,Piccolo MCU可为太阳能电池板提供更高的工作效率以及太阳能逆变器控制功能;而Delfino浮点MCU通过不同的AC来源提供常量AC电压,AD/DC整流器后续DC/AC逆变器,在高压(约600V DC)下同步并精确控制功率级.
射频工程师养成培训教程套装,助您快速成为一名优秀射频工程师...
天线设计工程师培训课程套装,资深专家授课,让天线设计不再难...
上一篇:弧焊逆变电源的谐波分析和抑制
下一篇:Matlab的孤立逆变源的设计方案

