- 易迪拓培训,专注于微波、射频、天线设计工程师的培养
LED电源设计及经验汇编
随着LED照明的发展,led驱动电源的入行者人数在激增。其中有从其他电源设计或者电子行业转行而来,但更多的确是众多的新入行者。OFweek电源网小编在这里整理前人经验,摘录汇总led电源的常见设计思路、问题与注意事项。希望对新进者有所帮助...
LED电源及其基本驱动电路设计
LED供电的原始电源目前主要有三种:即低压电池、太阳能电池和交流市电电源。无论是采用哪一种原始电源,都必须经过电源变换来满足LED的工作条件。这种电源变换电路,一般来说就是指的LED驱动电路。在LED太阳能供电系统中,还需要蓄电池或超级电容器,用以储存太阳能。在夜晚需要照明时,蓄电池或超级电容器再通过控制电路放电,为LED驱动电路供电。
太阳能和风能与LED的结合,是LED应用的一大亮点,它将为第三世界的贫困和边远地区带来光明,让绿色照明的光辉照亮世界的每一个角落。
一、低压直流供电的LFD驱动电路
1.当输入电压高于LED电压时
当输入电压高于LED或LED串的电压降时,通常采用线性稳压器或开关型降压稳压器。
(1)线性稳压器
线性稳压器是一种DC-DC降压式变换器。LED驱动电路所采用的线性稳压器大都为低压差稳压器(LDO),其优点是不需要电感元件,所需元件数量少,不产生EMI,自身电压降比较低。但是与开关型稳压器相比,LDO的功率损耗还是较大,效率较低。LDO在驱动350mA以上的大功率LED串时,往往需要加散热器。
(2)开关型降压(buck)稳压器
基于单片专用IC的开关型降压稳压器需要一个电感元件。许多降压稳压器开关频率达1MHz以上,致使外部元件非常小,占据非常小的空间,效率达90%以上。但这种变换器会产生开关噪声,存在EMI问题。图1所示是基于Zetex公司ZXSC300的3WLED降压型驱动电路。其中的RCS为电流传感电阻,D1为1A的肖特基二极管。在6V的输入电压下,通过LED的电流达1.11A.ZXSC300采用5引脚SOT23封装。

目前有很多降压变换器单片IC将开关MOSFET(Q1)和降压二极管(D1)也集成在同一芯片上,使外部元件数量进一步减少。
2.当输入电压低于LED电压时
当输入电压低于LED或LED串的总正向压降时,LED需要升压型驱动电路。升压型变换器主要有以下两种类型。
(1)电感升压变换器
在手机背光照明中,常使用电感升压型LED驱动电路。开关型电感升压变换器被用作驱动一个或多个LED组成的LED串,通过每个LED的电流相等。如果LED串中有一个LED开路,其他LED将会熄灭。图2所示为电感升压型LED驱动电路,LED串由8只日亚化工公司的NSPW500BS型白光LED组成,在4V的输入电压下,通过每个LED的电流约为25mA。

目前绝大多数升压稳压器IC,都将开关管集成在芯片中,有的还集成了肖特基二极管。
(2)开关电容(电荷泵)升压变换器
开关电容升压转换器亦即电荷泵。电荷泵专用IC内置切换开关,外接1个或两个1μF的充放电电容。电荷泵工作模式有1×、1.5×和2×,近几年又出现了1.33×(4/3倍)和4×模式。在输出电压接近输入电压时,电荷泵不需要升压,即在1×模式工作。当需要升压时,则切换到1.5×或其他工作模式。电荷泵电路可以驱动LED阵列,也可只驱动1个LED.图3所示为基于MAXl570的电荷泵驱动5个白光LED的电路。MAX1570采用4mm×4mm的16引脚QFN封装,最大厚度为0.8mm.MAX1570输入电压范围为2.7V~5.5V,在1MHz的固定频率和在1×及1.5×模式高效工作,为LED提供30mA的恒流,LED电流匹配精度达0.3%,并且LED电流可由单个电阻RsEr设置。可通过数字输入或PWM来控制LED亮度,在关闭状态仅消耗0.1μA的电流。

3.当输入电压既可能高于也可能低于LED电压时
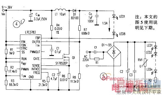
在输入电压既可能高于,也可能低于LED或LED串的总电压降时,就必须使用降压/升压变换器。基于LT℃3783的降压/升压型变换器驱动8只1.5A串联LED的电路如图4所示。该LED串驱动电路的输入电压范围为9~36V,LED串的总电压降范围为18~37V.在VIN=14.4V,Vo=36V和I0=1.5A条件下,输出功率为54W,效率达93%.电路的开关频率由IC脚FREQ上的
电阻R5设置(频率范围为20kHz~1MHz),R7与R8组成的分压器设置输出过电压保护电平,连接在IC脚FBP与高侧线路之间的R4,用作感测LED电流。LTC3783支持多拓扑结构。用其还可以构筑升压转换器和降压转换器等电路。
回扫变换器、单端初级电感变换器(SEPIC)和CUK稳压器等,都可以升高或降低输入电压,
输出与输入电压在极性上可以相同或相反。每种拓扑都有独特的优势,但效率都比降压一升压稳压器低。

二、交流市电供电的LED驱动电路
1.电容降压型LED驱动电路
图5所示为电容降压型LED驱动电路(注:图5电路绘于上期本版)。图中,C1为降压电容,R1为泄放电阻,DI~D5为桥式整流器,C2、C3为滤波电容,RVl用作瞬态过电压保护,R2为限流电阻。在220V50Hz的输入电源下,通过电容C1的电流为I=69C1(C1单位为μF,I单位为mA)。若选择C1为0.471μF,电流约为32mA.在此情况下,R1值可选择1MΩ。
电容降压型LED驱动电路仅适合于小功率应用,不能提供较大的驱动电流,而且效率很低。其优点是成本低,电路简单。
2.变压器降压LED驱动电路
一种采用电源变压器降压的LED驱动电路如图6所示。变压器次边输出为12Vac,白光LED的正向压降VF=3.5V,正向电流IF=350mA.桥式整流滤波电压为12Vx2,限流电阻R1值为R1=(12V×2-3xVF)/IF=(12V×2-3×3.5V)/350mA=18.3Ω
选择R1=20Ω。R1在350mA下的功耗为0.352×20=2.45W,可选择3W的电阻。在R1=20下Ω,通过LED的电流为:
ILED=(12V×2-3×3.5V)/20Ω=323mA
若桥式整流器输入电压波动±10%,在10.8Vac下的LED电流为238mA,在13.2Vac下的LED电流则为429mA,导致LED电流变化率超过±25%.由此可见,虽然图6所示的电路比较简单,但电流调整能力很差,并且电源变压器大而笨重,不易于实现电路的小型化和轻量化。

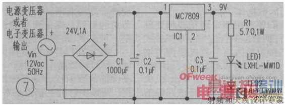
图7所示为采用线性稳压器MC7809的白光LED驱动电路,其AC输入电压(12Vac)为电源变压器(或电子变压器输出。MC7809的DC输出电压为9V,R1值为:R1=(Vout-2×VF)/IF(9V-2x3.5V)/350mA=5.7ΩR1消耗的功率为:
p=12×R=(0.35A)2×5.7Ω=0.698W
MC7809的功耗为:P=(12V×根号(2)2-9V)×IF=(17-9V)×0.35A=2.8W采用线性稳压器后,电流调整率达±5%,但功率耗散较大,效率较低。

如果采用安森美公司生产的线性电流源NUD4001取代线性稳压器,电流调整率可低于1%,NUD4001的自身功耗在350mA下,仅为0.875W.
3.开关型稳压器
基于开关电源拓扑结构的离线LED驱动电路可以获得80%左右的高效率,并且能提供恒流和恒压输出,但是电路比较复杂,成本较高,在有些情况下存在EMI问题。
图8所示是基于控制器NCPl012的回扫(反激)式变换器驱动5个白光LED的电路。该电路的输出DC电压为17.5V,输出功率为6.125W,效率接近80%.NCP1012的开关频率为65kHz,提供动态自供电(DSS)、过电压及短路保护和过温度保护,无需变压器提供偏置绕组。由于芯片上集成了功率MOSFET,使外部元件进一步减少。

为满足景观照明、工业照明和建筑照明的需要,近期出现了很多用于驱动LED的离线控制器芯片。由于目前手机等便携式设备已趋于饱和,LED的应用将转向景观照明、汽车和大屏幕显示及普通照明领域。离线开关型LED驱动电路,将成为今后占主导地位的拓扑结构。LED太阳能供电系统,将会有一个较大的发展。
LED照明驱动难题的解决思路
LED的排列方式及LED光源的规范决定着基本的驱动器要求。LED驱动器的主要功能就是在一定的工作条件范围下限制流过LED的电流,而无论输入及输出电压如何变化。最常用的是采用变压器来进行电气隔离。文中论述了LED照明设计需要考虑的因素。
一、LED驱动器通用要求
驱动LED面临着不少挑战,如正向电压会随着温度、电流的变化而变化,而不同个体、不同批次、不同供应商的LED正向电压也会有差异;另外,LED的“色点”也会随着电流及温度的变化而漂移。
另外,应用中通常会使用多颗LED,这就涉及到多颗LED的排列方式问题。各种排列方式中,首选驱动串联的单串LED,因为这种方式不论正向电压如何变化、输出电压(Vout)如何“漂移”,均提供极佳的电流匹配性能。
当然,用户也可以采用并联、串联-并联组合及交叉连接等其它排列方式,用于需要“相互匹配的”LED正向电压的应用,并获得其它优势。如在交叉连接中,如果其中某个LED因故障开路,电路中仅有1个LED的驱动电流会加倍,从而尽量减少对整个电路的影响。
常见的LED排列方式
LED的排列方式及LED光源的规范决定着基本的驱动器要求。LED驱动器的主要功能就是在一定的工作条件范围下限制流过LED的电流,而无论输入及输出电压如何变化。LED驱动器基本的工作电路示意图如图2所示,其中所谓的“隔离”表示交流线路电压与LED(即输入与输出)之间没有物理上的电气连接,最常用的是采用变压器来电气隔离,而“非隔离”则没有采用高频变压器来电气隔离。
值得一提的是,在LED照明设计中,AC-DC电源转换与恒流驱动这两部分电路可以采用不同配置:
1)整体式(integral)配置,即两者融合在一起,均位于照明灯具内,这种配置的优势包括优化能效及简化安装等;
2)分布式(distributed)配置,即两者
[p] [p]的散热,暴晒则容易引起高温和电线及其他元器件的老化,从实际使用中的经验来看,旋转接线插头的故障率较高,多数为漏水造成故障。
7、模块化设计。
模块化设计已经成为当今的潮流,必须在模块电源一体化上想办法,,如果电源能用插拔的方式解决维护问题,一定会受到用户的欢迎,同时还需建立接口标准化,让不同厂家的LED灯电源能够通用。
高效高可靠LED灯具设计的五点忠告。
不要使用双极型功率器件
Doug Bailey指出由于双极型功率器件比MOSFET便宜,一般是2美分左右一个,所以一些设计师为了降低LED驱动成本而使用双极型功率器件,这样会严重影响电路的可靠性,因为随着LED驱动电路板温度的提升,双极型器件的有效工作范围会迅速缩小,这样会导致器件在温度上升时故障从而影响LED灯具的可靠性,正确的做法是要选用MOSFET器件,MOSFET器件的使用寿命要远远长於双极型器件。
MOSFET的耐压不要低於700V
耐压600V的MOSFET比较便宜,很多认为LED灯具的输入电压一般是220V,所以耐压600V足够了,但是很多时候电路电压会到340V,在有浪涌的时候,600V的MOSFET很容易被击穿,从而影响了LED灯具的寿命,实际上选用600VMOSFET可能节省了一些成本但是付出的却是整个电路板的代价,所以,“不要选用600V耐压的MOSFET,最好选用耐压超过700V的MOSFET。”他强调。
尽量不要使用电解电容
LED驱动电路中到底要不要使用电解电容?目前有支持者也有反对者,支持者认为如果可以将电路板温度控制好,依次达成延长电解电容寿命的目的,例如选用 105度寿命为8000小时的高温电解电容,根据通行的电解电容寿命估算公式“温度每降低10度,寿命增加一倍”,那么它在95度环境下工作寿命为 16000小时,在85度环境下工作寿命为32000小时,在75度环境下工作寿命为64000小时,假如实际工作温度更低,那么寿命会更长!由此看来,只要选用高品质的电解电容对驱动电源的寿命是没有什麽影响的!
还有的支持者认为由无电解电容带来的高纹波电流而导致的低频闪烁会对某些人眼造成生理上的不适,幅度大的低频纹波也会导致一些数码像机设备出现差频闪烁的亮暗栅格。所以,高品质光源灯具还是需要电解电容的。不过反对者则认为电解电容会自然老化,另外,LED灯具的温度极难控制,所以电解电容的寿命必然会减少,从而影响LED灯具的寿命。
对此,Doug Bailey认为,在LED驱动电路输入部分可以考虑不用电解电容,实际上使用PI的Link Switch-PH就可以省去电解电容,PI的单级PFC/恒流设计可以让设计师省去大容量电容,在输出电路中,可以用高耐压陶瓷电容来代替电解电容从而提升可靠性,“有的人在设计两级电路的时候,在输出采用了一个400V的电解电容,这会严重影响电路的可靠性,建议采用单级电路用陶瓷电容就可以了。”他强调。“对於不太关注调光功能、高温环境及需要高可靠性的工业应用来说,我强烈建议不采用电解电容进行设计。”
尽量使用MOSFET器件
如果设计的LED灯具功率不是很高,Doug建议使用集成了MOSFET的LED驱动器产品,因为这样做的好处是集成MOSFET的导通电阻少,产生的热量要比分立的少,另外,就是集成的MOSFET是控制器和FET在一起,一般都有过热关断功能,在MOSFET过热时会自动关断电路达到保护LED灯具的目的,这对LED灯具非常重要,因为LED灯具一般很小巧且难以进行空气散热。“有的时候会发生LED因过热燃烧伤人的情况,但是我们的方案从来不会这样的。”他表示。
尽量使用单级架构电路
Doug表示有些LED电路采用了两级架构,即“PFC(功率因数校正)+隔离DC/DC变换器”的架构,这样的设计会降低电路的效率。例如,如果 PFC的效率是95%,而DC/DC部分的效率是88%,则整个电路的效率会降低到83.6%!“PI的Link Switch-PH器件同时将PFC/CC控制器、一个725VMOSFET和MOSFET驱动器集成到单个封装中,将驱动电路的效率提升到 87%!”Doug指出,“这样的器件可大大简化电路板布局设计,最多能省去传统隔离反激式设计中所用的25个元件,省去的元件包括高压大容量电解电容和光耦器。”Doug表示LED两级架构适用於必须使用第二个恒流驱动电路才能使PFC驱动LED恒流的旧式驱动器。这些设计已经过时,不再具有成本效益,因此在大多数情况下都最好采用单级设计。
如何提高LED驱动电源可靠性设计
目前LED 驱动电源存在驱动能力较低,保护功能较少,输出电压电流不稳定,可靠性差等问题,很难达到要求,根据设计经验提出了驱动电源硬件电路的设计方案,本设计能够很好地提高LED 驱动电源的可靠性。
总体电路设计
LED 驱动电源的总体设计如图1 所示。图1 中主电路中U 为220 V 交流输入电压; RC,CC和DC构成RCD 电路; T 为变压器; S 为开关管; D 为整流二极管; C为整流电容; RC为采样电阻,具体电路如图1 所示。
电路在设计时考虑到电路的可靠性,输入端应具有隔离电路,以保护电网和用电设备的安全。输入端设计了输入保护电路,用来保护LED 驱动电源在电网侧产生脉动瞬态干扰下能够正常工作,并有效抑制共模和差模干扰。为了提高电路的功率因数,电路中采用了有源功率因数校正电路。为了实现恒流输出,采用电流反馈控制,RC采样电阻感应输出电流大小,与参考点电压进行比较,输出信号通过光电耦合电路输入到控制器,产生PWM 控制信号,控制变压器的工作方式,已达到变压器恒流输出。

图1 LED 驱动电源总体设计电路
部分电路设计
( 1) 输入保护电路设计
LED 大功率灯驱动电源一般用在室外,用电环境相对比较恶劣,且外界的各种干扰容易使电源出现问题。同时,LED 灯驱动电源的故障,也容易对电网的安全造成隐患。因此,有必要在输入端设计保护电路,用来保护用电设备和电网的安全。
电路中有负温度系数热敏电阻,用来启动过电流保护。通过保险丝进行过电流保护。利用压敏电阻来抑制瞬变传导产生的干扰,吸收输入端的浪涌和脉冲干扰。电路中设有共模与差模干扰抑制电路,用来减小LED 驱动电源对其他用电设备的干扰,同时可以抑制外界用电设备对驱动电源的干扰。
( 2) 功率因数校正电路
将交流220 V 市电经整流后供给负载使用,最常用的整流方式是由4 个二极管组成的整流桥将交流电变换为直流电,但是这种方法存在着一个无法避免的缺点: 由二极管和电容组成的非线性电路会产生大量的电流谐波和无功功率,造成电网的污染。这种谐波污染不仅会使电网电压发生畸变,而且还会造成用电设备的故障和损坏。另外,用电设备的功率因数越高,则有功功率所占的比重越大,设备就越节能。
为了提高功率因数,需要做两个方面的工作: 一方面减小输入电流和输入电压之间的相位差φ,努力使两者同相位; 另一方面,需要减小输入电流的谐波含量,采取一定的方法使输入电流的波形接近正弦波。
基于上述要求,可以采用安森美公司生产的MC33260 芯片作为有源功率因数控制芯片,此芯片只需要使用最少的外部元件便可以实现控制要求,可以极大地减小电感和功率开关的尺寸,降低系统的成本且功能还能达到要求。电路如图2 所示。

图2 功率因数校正电路
(3) RCD 缓冲电路设计
为了防止开关管被峰值电压击穿,通常可以采用的方法有如下两种: 一是减小漏感,二是通过设计RCD 缓冲电路吸收很高的电压尖峰能量。虽然在变压器的加工过程中将线圈缠紧并紧密地包围住气隙,然后将线圈外围包上铜箔可以有效地减小漏感; 但变压器漏感无法完全消失,因此需要设计RCD 电路对电压峰值进行吸收,电路如图3 所示。

图3 RCD 缓冲电路
(4) 变换电路设计
LED 路灯驱动电源所需的输出功率较大,需要较高的转换效率,且需要较好的调节性和较小的纹波,由于考虑到需要将LED 照明装置与电网隔离,以提高安全性,所以采用单端反激式DC-DC 变换器,这种隔离式的DC-DC 变换电路的变压器不仅具有隔离和变压的作用,还具有电感的特性,可以起到储存能量的作用,且变换器工作于连续工作模式。这种变换器特别适用于功率为100 W ~ 200 W 之间的电源,且输出电压较高,输出电流较小的场合。这种工作模式虽然会使变压器副边的二极管损耗较大,但可以减小变压器的铁芯损耗。变压器副边产生的串扰可以采用串联饱和电感的方式来进行抑制。 (5) PWM 控制电路设计
DC-DC 变换器的PWM 控制原理有两种: 电压控制型和电流控制型。考虑到稳定性问题,我们采用电流控制型PWM 控制器,即NCP1230 模块( 图4) .它是一种峰值电流控制模式的PWM 控制器,具有向前极供电的功能,在空载时关闭PFC 电路,能够提高电源的效率。这款芯片还具有周期跳频,内部斜坡电压补偿,软启动等一系列功能。

图4 NCP1230 模块PWM 控制电路
电路的EMC 防护
LED 灯的驱动电源受安装环境条件的影响,很容易受到电磁干扰,特别是雷击干扰。为此,驱动电
[p]源在设计阶段就要考虑这个问题,并且要达到一定的标准。例如,防雷要求要达到D 级,线线之间电压承受± 6 kV,线地之间± 6 kV,在产品试验过程中,直流输出范围应与正常服务条件一致: DC 输出电压的波动应在± 10%以内; 在试验过程中或试验结束后,驱动电源运行时不应有报警、错误报警等等。
射频工程师养成培训教程套装,助您快速成为一名优秀射频工程师...
天线设计工程师培训课程套装,资深专家授课,让天线设计不再难...
上一篇:设计成败决胜于选择:数字电源or模拟电源
下一篇:功放保护电路的分析与检测

