- 易迪拓培训,专注于微波、射频、天线设计工程师的培养
一种低频脉冲负载用特种开关电源研制
20世纪50年代,人类开始有了最早的开关电源;80年代,计算机电源全面实现了开关电源化;90年代后,开关电源相继开始大面积进入了各种电子、电器设备领域[1]。随后在雷达领域也开始了非常广泛的应用。
随着现代雷达技术的发展,对于电源的需求越来越多样化,特殊化。另外,由于雷达的工作特性决定了其发射电源的负载特性为脉冲式负载,且不同的雷达由于其发射频段不一样,所以电源的负载脉冲频率也是多种多样的。同时为了控制顶降不能过大,电源的输出端往往都要接上很大容量的储能电容。我们设计开发的这款开关电源主要应用于雷达的发射机,为雷达波的发射提供供电。
1 主要技术指标
该电源输入为380V三相四线,输出为24~36V(额定值为28V)可调,输出电流为
2 设计难点及解决方法
①为了保证脉冲负载内的顶降符合要求,输出端要求带有不小于
②负载在30%的脉内峰值电流达
解决方法:采用单一输出过流点保护时,在30%的脉内峰值电流已达
3 方案介绍
本电源方案的结构框图如图1所示,下面进行简要介绍。

图1.电源结构框图
①输入EMI滤波及整流电路:选用专门生产电源滤波器厂家的三相电源滤波器。滤波器紧靠在电源金属外壳的入口处,以保证良好的EMI和EMC。
②无源PFC电路:如图2所示,由软启动电路、滤波电感和滤波电容组成的无源PFC电路,简单可靠,能够达到电源的技术指标的要求。

图 2 输入电路
③DC-DC功率变换模块:选用全桥移相软开关电路[2]。

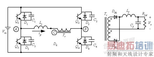
图3 ZVS全桥变换器ZVS全桥变换器的电路如图3所示。其中Q1~Q4是四只主开关管,D1~D4分别是Q1~Q4的内部寄生二极管,C1~C4分别是Q1~Q4的寄生电容,Lr是谐振电感,Tr是高频变压器,DR1和DR2是输出整流二极管,Lf是输出滤波电感,Cf是输出滤波电容。本变换器采用移相控制,每个桥臂的两个功率管成180°互补导通,两个桥臂的导通角相差一个相位,即移相角,通过调节移相角的大小来调节输出电压。Q1和Q3分别超前于Q4和Q2一个相位,称Q1和Q3组成的桥臂为超前桥臂,Q2和Q4组成的桥臂则为滞后桥臂。该变换器采用移相控制的方法利用谐振电感的能量来实现超前桥臂和滞后桥臂的零电压开关(ZVS),从而提高电源的效率、可靠性,减小EMI。同时在变换器中加入箝位电路,从而降低副边整流管的尖峰电压,有利于变换器的整体优化[3]。
该变换器具有以下特点:
- 超前桥臂可以在很宽的负载范围内实现ZVS;
- 滞后桥臂可以在一定的负载范围(一般>Iomax/2)内实现ZVS;
- 输出整流管上电压振荡和电压尖峰较小;
- 恒定频率控制,易于优化设计输出滤波电感和滤波电容。
图4给出了ZVS全桥变换器的控制电路的框图。其中PWM控制电路是基于UC3879芯片的电压电流双闭环控制电路,其动态特性比电压单闭环要好得多[4]。

图4 ZVS全桥变换器的控制电路结构框图
为进一步提高电源的动态性能,在控制电路中加入箝位电路,防止调节器深度饱和,使调节器由饱和进入线性调节区的时间被大大缩短,从而进一步提高电源的动态性能。控制电路中还包括输出电流限制功能。在电压闭环前端加入均流电路,通过环路调节控制实现电源多模块并联功能,其中均流电路采用UC3902芯片。保护电路包括本机的输出过压保护、输出过流保护(过流保护电路已集成在PWM芯片内部),将输出过压、过流放在本机而不是系统控制电路,主要考虑检测方便,延时小,有利于快速反应。控制电路的正常工作需要系统控制电路输出的正常开机信号。
④辅助电源:提供不受控的控制电路的电源。由于输入电网电压高,采用双管反激电路可以减小功率开关管的电压应力。反激电路可以适应较大范围的输入电压变化,结构体积比较小[5]。
下图是双管反激电路图:

图5 双管反激电路图
4 试验结果根据上述方案,制作了8台电源,经过测试及各种环境试验,电源输出电压为28V(24V~36V范围内可调),输出电流为

图6 通道1为带脉冲负载输出电压波形,通道2为变压器原边电流波形

图7 电源带载试验时面板部分照片
5 结束语
采用相同技术方案的该电源已经过批量生产并投入产品使用,证实该电源的研制非常成功,对今后类似低频脉冲式负载电源的设计具有重要的借鉴意义。
参考文献
[1] 开关电源的技术追求和发展趋势. 维库电子市场网.
[2] 阮新波,严仰光.脉宽调制DC/DC全桥变换器的软开关技术. 北京: 科学出版社,1999.
[3] 李善庆,王琪,路侃.加箝位二极管全桥变换器的研究与应用.电源技术,2008,9:61-63.
[4] 张占松,蔡宣三.开关电源的原理与设计.北京: 电子工业出版社,1998.
[5] 张先进,周平森,王慧.双管反激变换器研究分析. 电子发烧友网.
作者简介
汪邦照(1982— ),男,本科,2003年毕业于安徽大学自动化系,现工作于合肥华耀电子工业有限公司,主要研究方向为:军用中、大功率高频开关电源。
赵艳飞(1983— ),男,硕士,2008年毕业于安徽大学电气学院,现工作于合肥华耀电子工业有限公司,主要研究方向为:军用中、大功率高频开关电源。
李善庆(1966— ),男,高级工程师,1989年毕业于东南大学无线电技术专业,现工作于合肥华耀电子工业有限公司,主要研究方向为:军用中、大功率高频开关电源、电源模块及雷达电源系统。
射频工程师养成培训教程套装,助您快速成为一名优秀射频工程师...
天线设计工程师培训课程套装,资深专家授课,让天线设计不再难...
上一篇:集中器侧硬件原理
设计
下一篇:为何雷电会使逆变器损坏?如何防范?

