- 易迪拓培训,专注于微波、射频、天线设计工程师的培养
10T真空自耗电弧炉用2×20kA/60V直流电源的设计与应用
一、引言
直流真空熔炼是稀贵金属及高性能合金钢熔炼所必须采用的工艺,因而真空电弧炉及配套电源的设计是这种应用场合的关键与根本,近十年来我国直流真空自耗熔炼炉的设计与制造技术水平飞速发展,国产真空自耗熔炼炉单炉熔炼钛的重量已从原来常用的1T提升到10T,国产真空自耗凝壳炉单炉熔炼钛的重量已从原来常用的260kg提高到800kG,至2010年末,国产10T钛真空自耗熔炼炉及3T钢真空自耗熔炼炉和800kG凝壳炉相继投入运行,这三种填补国内空白的熔炼系统之供电电源都由我们研制,其中吸收了从世界名牌真空电弧炉成套厂---德国ALd公司进口设备的许多先进技术,本文介绍用于国产10T钛合金熔炼真空自耗炉的2×20kA/60V直流电源的设计及使用情况,热望能推进我国此行业的发展。
二、10T钛合金熔炼真空自耗炉用2×20kA/60V直流电源系统的构成及工作原理分析
10T钛合金熔炼真空自耗炉工艺要求配套直流电源输出额定参数为40kA/60V,在此之前国产的此类用途的电源容量最大仅30kA/50V,图1给出了系统的总原理框图,从图显见,其构成可分为主电路及控制电路两大部分,下面分别分析各部分的工作原理。
2.1 主电路
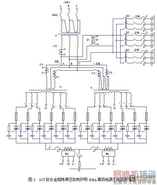
主电路采用10kV经两级变压器直接降压再晶闸管可控整流的方案,为降低注入电网的谐波含量采用12相可控整流方案,另考虑到熔炼过程中起弧电压为60V,而熔炼电压仅40V左右,功率因数很低的实际工况,主电路中增加了功率因数补偿环节,图2给出了主电路的原理图,图中应用了两套双反星形可控整流单元并联,其中图2的上半部分给出了主电路中的降压匹配变压器部分。

(1)降压匹配变压器
显见,电网10kV先由第一级降压变压器降为690V,再由两台一次分别接为三角形与星形的整流变压器降压,这样设计的目的是为了将第二级整流变压器与可控整流部分装于一个柜体中,构成一体化电源,避免10kV输入整流变压器与整流单元装在一个柜体中,因电压太高,给结构设计带来的不便,同时从根本上解决了多年来,国产这类电源整流变压器放于柜外,现场安装整流变压器与整流柜之间大截面铜母排极难安装,工作量巨大的问题,使现场的安装工作量达到最小,更为可贵的是减小了整个电源的体积,缩小了占地面积,此结构方案是吸收了世界名牌真空电弧炉成套厂---德国ALd公司的先进技术设计与研制的,图中变压器T1采用油浸自冷,而整流变压器T2与T3采用干式水冷,CT1—CT5为进行690V侧交流电流取样的电流互感器,其作用表现在一则为直流霍尔电流传感器失效后,原电流

闭环系统变为开环运行故障的过电流保护提供电流取样信号,二则为功率因数控制器提供对功率因数进行计算的电流取样信号,UT为电压互感器,它用来把690V电压变为功率因数控制器需要的100V标准信号,作为功率因数控制器计算功率因数的电压依据。
(2)可控整流部分
该部分的电路原理构成如图2中的下半部分,其应用了常用的两个双反星形可控整流电路并联,图中HL1与HL2为两个霍尔电流传感器,用于检测每个整流部分输出的实际电流值,提供给闭环调节器及保护单元与显示环节,一则保证在同一个输出电流设定值下,两个双反星形可控整流部分每个承担负载电流的一半,另一方面在对实际运行电流进行实时显示的同时,监控运行状况,若超过实际值,则进行有效迅速的保护。
(3)功率因数补偿的主电路
几乎所有的真空熔炼炉(包括自耗电极熔炼炉和凝壳炉),都存在一个共性问题,这就是空载起弧电压高,随单炉可熔炼金属材料重量的不同为50-75V,熔炼过程中熔化电压又低,一般随单炉可熔炼金属材料重量的不同为30~45V,由此造成不论其使用的直流电源是先应用整流变压器降压,后晶闸管可控整流的方案,还是先采用饱和电抗器调压,后整流变压器再降压,整流管整流的方案,运行时其功率因数都很低,一般为0.45~0.7,为解决本10T钛合金熔炼真空自耗炉用40kA直流电源系统功率因数太低的问题,我们在国内首次在此领域使用的可控整流电源系统中,增加了按熔炼过程中实际负荷功率大小自动调节功率因数的环节,该部分的主电路构成如图2中的右上角所示,图中DZ1~DZ3为进行电容短路故障保护的自动空气断路器,KM3~KM5为用来按实际功率因数大小自动投切补偿支路的接触器,L1、C1~L3、C3分别为三个支路的防止谐波放大的电抗器和功率因数补偿电容器,该功率因数补偿主电路的工作原理为:装于控制回路的功率因数控制器,根据UT与CT1的电压与电流取样信号,实时计算功率因数,并按计算结果与目标值0.95的差别,按8421编码的组合,输出控制KM3~KM5中一个、两个、三个闭合,按功率因数的实际需要投入相应的补偿电容,满足无论是化一次锭还是化二次锭,在输出直流电流从10kA~40kA变化的整个工作范围内,都可以保证690V侧的功率因数既不低于0.95又不高于1.0。
2.2 可控整流部分的控制电路
可控整流部分的控制电路分为给定积分、闭环调节器、电压电流检测与处理、同步环节、触发脉冲形成、保护监控电路,限于篇幅本文仅介绍几个关键的单元电路,其余电路可参考文献3。
(1)闭环调节器
由于真空电弧炉有起弧、熔炼、补缩等工艺过程,起弧时电压高为空载电压、熔炼工作时电弧电压仅是直流电源输出空载电压的一半,熔炼过程中又希望构成稳定度很好的恒流源,另一方面为防止起弧时电压太低无法起弧或起弧电压太高击穿坩埚,我们设计了图3所示的起弧时为稳压源,熔炼时恒流控制的可按负载工况自动转换的动态双闭环调节器,图中IC4B与IC4A分别和外围元器件一起构成PI调节器,UF与IF分别为来自电压与电流检测环节的输出信号,电压与电流的检测分别使用了霍尔电压传感器与霍尔电流传感器,IC2为电子开关CD4066,当起弧前因IF几乎为零,比较器IC3A输出高电平,模拟开关IC2中的引脚6为低电平,引脚12为高电平,其内部引脚11与10接通,反馈为电压反馈,电压闭环调节器工作,构成电压闭环,当起弧成功后,由于电流值通常已达几千安培,比较器IC3A输出低电平,模拟开关IC2中的引脚12变为低电平,电压调节器输出支路因IC2的引脚11与10断开而退出运行,同时IC2的引脚6变为高电平,电流调节器输出支路因IC2的引脚8与9接通而投入运行,电流取样值作为调节器的反馈信号送入电流闭环调节器,从而保证直流电源输出为稳定度很好的恒流源,满足熔炼过程中高精度稳定直流电流输出的需要。
(2)同步环节
10T钛合金熔炼真空自耗炉用2×20kA/60V直流电源,应用了光耦合器作为触发脉冲形成单元前级的同步环节,省去了常规使用的同步变压器,使同步环节的体积及损耗都得以减小,且为构成相序自适应的触发器奠定了很好的基础,图4中6个光耦合器VLC1~VLC6均为TLP521,由此决定了同步环节的输出为6路相位互差60o的方波脉冲信号。

(3)触发脉冲形成
触发脉冲形成环节的原理电路如图4所示,其核心单元IC7为陕西高科电力电子有限责任公司应用CPLD芯片开发的准数字化触发集成电路芯片SGK198,该触发器利用对闭环调节器输出电压变换为与此电压相适应的频率脉冲信号,在SGK198内对这一脉冲信号进行6分频计数的方法来获得6路触发脉冲输出,6路触发脉冲形成的计数器开始计数的时刻由同步环节输出的6路同步信号的后沿所决定,由此可见,闭环调节器输出电压值高,说明反馈小于给定,且误差较大,图4差分器IC4C输出电压便低,压控振荡器输出的频率便低,计数器计满的时间便长,输出触发脉冲便距同步信号后沿距离便远,
相当于控制角α减小,整流输出直流电压便增加,反之,当闭环调节器输出电压较小时,说明用户设定的直流电源输出运行参数与实际运行参数误差较小,图4中差分器IC4C输出电压便高压控振荡器输出频率便高,计数器计满的时间便短,输出触发脉冲的时刻便距同步信号后沿距离便近,相当于控制角α增大,晶闸管的导通角减小,输出直流电压降低。

(4)监控保护单元
10T钛合金熔炼真空自耗炉用2×20kA/60V直流电源,应用PLC完成运行状况的监控及故障时的保护工作,图5给出了监控与保护环节的软件流程框图,该软件随时监控主电路中对应与晶闸管串联的48只快速熔断器的报警开关输出及装于水冷母排上的报警用温度开关的接点闭合与否,由于两台整流电源共用了48只晶闸管元件,报警信号很多,常规的设计对应每一个故障点,需要一个PLC的输入端口,为减小PLC系统的硬件配置,本电源系统采用了一种矩阵式编程方法,从而使系统硬件得以简化,同时在软件编程时根据电弧熔炼的特殊要求,增加了给定不为零不能合闸起动,主电路合分闸都在脉冲封锁状态下进行,补偿与滤波电源输出功率达到一定值时才投入,在切除电源功率前先切除功率因数补偿单元,从而有效的防止了次谐波振荡及过补偿状况的发生。

(5)熔速控制及自动给定
为了满足全自动熔炼的需要,本电源通过与炉子工况及熔炼控制的上位计算机之间的通讯,实现了自动熔炼时的按曲线给定,控制单元通过PLC的接口接受上位计算机输出的按工艺设定输出电流指令,在PLC内转换为相应的模拟给定电压从PLC的模拟输出口输出,控制触发脉冲的控制角相位,达到调节及稳定输出电流的目的,并在国内首次使用了熔速控制,使控制达到了很好的效果。
(6)应用电流断续补偿扩大电流稳定不断弧范围
由于自耗电极真空熔炼炉工艺有起弧、熔炼、补缩等工艺过程,为了保证成品锭快熔化完时使锭子端口尽可能的平整,提高熔化锭子成品率,要求补缩电流尽可能的小,尽管在主电路中直流输出端增加了平波电抗器Lo,但也很难使输出直流电流达到全范围连续,因而在控制回路中增加了电流断续的补偿环节,使补缩时的电流连续稳定工作范围达到了最小电流不大于500A的良好效果。
(7) 功率因数补偿环节的控制
由于真空自耗熔炼炉工艺过程较为复杂,工作时分起弧、熔炼、补缩、停机等工艺流程,同时对应不同的工作段,要求电源输出稳定运行的电流与电压值不同,由此造成电源运行时其功率因数与注入电网的谐波电流含量会有很大不同,这就决定了对其功率因数补偿和谐波治理要采取变化的参数与结构。只有这样才能达到在整个工艺过程中都可保证功率因数不低于国标允许值,而注入电网的谐波电流不超过国标允许值,因本10T真空自耗炉用直流电源采用12脉波可控整流方案,总体装机用电容量并不大,所以其注入电网的谐波含量是满足国标《GB/T 14549-93电能质量 公用电网谐波》规定的,因而在本系统中仅考虑功率因数补偿,而未设置谐波滤波,只是功率因数补偿的控制电路,既要满足起弧、熔炼、补缩、停机等工艺流程的需要,又要适合熔炼一次锭、二次锭、合金锭及锭子直径不同对直流电源输出电流的要求不同的需要,为此设计了专门的控制器,控制器内对电源的功率因数按输入的电压和电流值随时进行计算,并按熔炼工况及锭子种类和实际使用电流的不同,按8421组合决定投入多大的补偿容量,既严格保证在整个工作周期中,补偿后的功率因数大于0.95,且使谐波不被放大,又可靠的按当电源负荷达到一定值时,功率因数补偿支路才投入,而当电源负荷小到一定值时,功率因数补偿支路先切除,在直流电源停机时,先退出功率因数补偿支路,再断开图2中的断路器DLQ,保证不发生次谐波震荡及谐波放大等不正常情况。
三、实用效果简介
上述10T钛合金熔炼真空自耗炉用2×20kA/60V直流电源,已成功的用于我们研制的国内首台10T电弧炉熔炼系统中,整流变压器、直流平波电抗器、晶闸管整流单元、控制环节、纯水冷却器、进线断路器全部装于两个柜体中,每个整流柜系统输出20kA/60V,使用中两柜并联运行,经实测稳流精度高于1%,功率因数不论是在熔化一次锭还是二次锭,电源输出电流稳定运行范围10kA~40kA,全范围内都不低于0.95,注入电网的谐波电流含量低于国标允许值,补缩工况最小可连续稳定运行电流为500A,现场安装仅需连接交流三相输入690V电缆线及直流输出正负母排和外循环水两根水管,安装甚为方便,运行稳定可靠,达到了十分理想的设计与运行效果。
四、结 论
综上分析,我们可得下述结论:
1.10T钛合金熔炼真空自耗炉用2×20kA/60V直流电源的研制成功,填补了国内空白,它把整流变压器、平波电抗器、纯水冷却器、整流及控制和保护等单元装于一个柜体中,缩短了引线尺寸及占地面积,减小了现场安装工作量,是个很好的方案。
2. 文中介绍的同步环节及触发脉冲形成电路设计的较为巧妙,可推广到低压可控整流系统。
3. 电压与电流可根据工况自动切换的闭环调节器设计,兼顾了稳定输出电压与输出电流的不同需要是个不错的设计方案。
4. 采用12脉波可控整流,同时增加动态功率因数补偿环节,通过巧妙的控制器设计,满足了真空自耗熔炼炉的复杂运行工况要求,使运行时的功率因数较高,并保证了注入电网的谐波不被放大,在该行业为首创,在国内真空自耗熔炼炉及凝壳炉电源的系统配置中具有推广性。
5.文中介绍的PLC监控与保护单元应用矩阵式软件编程方法,使需要的硬件配置要求得以降低,节约了成本,具有创新性。
6.理论分析和实用效果都证明了,上述方案的可行性,毫无疑问,其应用前景将是十分广阔的。
参考文献
1.王兆安 电力电子技术(M)(第四版),北京:机械工业出版社,2006,12
2.李宏 浅谈直流电弧炉用电源的发展,电源技术应用(J),2010.2
3.李宏著,常用电力电子变流设备的调试与维修基础(M),北京,科学出版社,2011
4.李宏著,常用电力电子变流设备的调试与维修实例(M),北京,科学出版社,2011
5.李宏,常用电力电子变流设备器件及集成电路应用指南,第一分册 电力半导体器件及驱动集成电路(M),北京:机械出版社,2001.5
射频工程师养成培训教程套装,助您快速成为一名优秀射频工程师...
天线设计工程师培训课程套装,资深专家授课,让天线设计不再难...
上一篇:详解恒压/恒流输出式单片开关电源的设计原理
下一篇:变电站交直流一体化电源系统设计

