- 易迪拓培训,专注于微波、射频、天线设计工程师的培养
六种基本DC/DC变换器拓扑结构总结
六种基本DC/DC变换器拓扑,依次为buck,boost,buck-boost,cuk,zeta,sepic变换器

半桥变换器也是双端变换器,以上是两种拓扑。
半桥开关管电压应力为输入电压.而且由于另外一个桥臂上的电容,具有抗偏磁能力,但是对于上面一种拓扑,通常还会加隔直电容来提高抗偏磁能力.但是如果采用峰值电流控制,要注意一个问题,就是有可能会导致电容安秒不平衡的问题.要需要其他方法来解决。半桥变换器可以通过不对称控制来实现ZVS,也就是两个管子交替导通,一个占空比为D,另外一个就为1-D.就是所谓的不对称半桥,通常采用下面一种拓扑.对于不对称半桥可以采用峰值电流控制。
正激变换器
绕组复位正激变换器

LCD复位正激变换器

RCD复位正激变换器

有源钳位正激变换器

双管正激
吸收双正激

有源钳位双正激

原边钳位双正激
软开关双正激

推挽变换器

无损吸收推挽变换器

推挽变换器:推挽变换器是双端变换器.其实是两个正激变换器通过变压器耦合而来,基本推挽变换器好处是驱动不需隔离,变压器双端磁化,只要两个开关管.但是,变压器绕组利用率低,开关管电压应力为输入两倍,所以一般只适合低压输入的场合.而且有个问题就是会出现偏磁,所以要采用电流型控制等方法来避免.如果将两个双管正激同样耦合,可以构成四开关管的推挽变换器,也就是所谓的双双管正激.其管子电压应力下降为输入电压.其他等同.
推挽正激是最近出现的一种新拓扑,通过一个电容来解决变换器漏感尖峰,偏磁等问题.在VRM中有应用.

半桥变换器也是双端变换器,以上是两种拓扑.
半桥开关管电压应力为输入电压.而且由于另外一个桥臂上的电容,具有抗偏磁能力,但是对于上面一种拓扑,通常还会加隔直电容来提高抗偏磁能力.但是如果采用峰值电流控制,要注意一个问题,就是有可能会导致电容安秒不平衡的问题.要需要其他方法来解决.
半桥变换器可以通过不对称控制来实现ZVS,也就是两个管子交替导通,一个占空比为D,另外一个就为1-D.就是所谓的不对称半桥,通常采用下面一种拓扑.对于不对称半桥可以采用峰值电流控制.
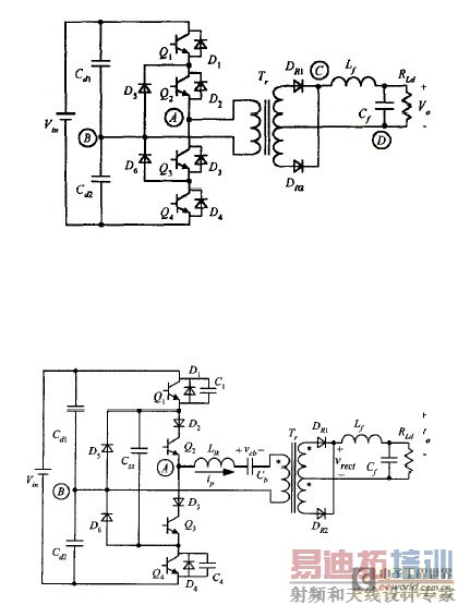
全桥变换器

全桥变换器在大功率场合是最常用了,特别是移项ZVS和ZVZCS 接下去,会收集一些三电平变换器贴出来,在以后就给出boost族的 隔离变换器....反激变换器.....正反激变换器......APFC.....PPFC.... 单级PFC.....谐振变换器等.....
三电平变换器(three level converter)
选了看起来比较舒服的两个拓扑,这些三电平是半桥演化而来,同样可以演化出多电平变换器,合适高压输入场合.而且可以通过全桥的移相控制方式实现软开关.

射频工程师养成培训教程套装,助您快速成为一名优秀射频工程师...
天线设计工程师培训课程套装,资深专家授课,让天线设计不再难...
上一篇:基于LTC6802
的电池组监控平台的电路设计
下一篇:
解:让saber仿真UC3854-PFC的兄弟们不再困惑

