- 易迪拓培训,专注于微波、射频、天线设计工程师的培养
提高电源模组可靠度 低功率返驰式PWM IC建功
录入:edatop.com 点击:
返驰式(Flyback)架构的电源转换器基于线路简单、零件少等优点,在小瓦特(W)数的电源转换器上广泛被采用,尤其是低功率交流对直流(AC-DC)返驰式脉冲宽度调变(PWM)IC更具应用前景。
成本考量摆第一 六接脚PWM IC封装成主流
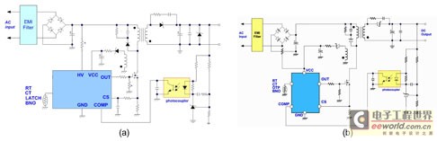
图1所示为典型返驰式PWM IC的应用线路,其中,图1a是使用高压启动的PWM IC;图1b则是使用低压启动的PWM IC。

图1 典型返驰式PWM IC应用线路示意图
两者主要差异为高压启动的PWM IC将整流过后的直流高压接至HV接脚,再藉由HV接脚以定电流的方式对Vcc接脚上的电容充电,直到IC启动为止。
而低压启动PWM IC则从交流输入(AC Line)端透过启动电阻对Vcc接脚上的电容充电让IC工作。以图1b为例,线路上主要可区分为几个部分,一是由开关晶体、变压器和整流二极体组成返驰式架构,另外由TL431和光耦合器组成二次侧电压回授,最后是由PWM IC及周边零件构成的控制部分。
值得一提的是,在5~70瓦(W)的应用中,返驰式PWM IC目前常用的封装有八接脚的SOP8与DIP8,以及六接脚的SOT26。以通嘉科技产品为例,如图2所示是典型八接脚反驰式PWM IC的脚位图,其主要以高压启动为主,接脚功能包括HV接脚接至AC整流后端,提供IC开机前的启动电流,在IC工作后,即停止启动电流的输出;NC接脚则无作用,主要是增加HV接脚与其他低压接脚的安全距离。

图2 SOP8/DIP8 PWM IC接脚说明图
此外,Vcc接脚提供IC的工作电源,在启动前由HV接脚提供启动电流,当启动后改由变压器的辅助绕圈提供;OUT接脚为输出驱动开关电晶体的PWM波形;CS接脚负责开关晶体的电流侦侧;补偿接脚(COMP)做回授补偿用;GND接脚做为IC的地。
其中第一支接脚提供可选择性的特别功能,它的特别功能大致上有下列几种:RT提供可调整的工作频率;CT提供可调整的过负载保护延迟(OLP Delay)时间;BNO提供可调整的开关机电压;Latch用来做外部过温保护(OTP)或其他保护功能。
另一方面,图3是典型六接脚返驰式PWM IC的脚位图,它与八接脚封装最主要的差异是在HV接脚与NC接脚,其他功能脚位则与八接脚包装的几乎相同。由于各家厂商都不断的在做降低成本(Cost Down)的动作,SOT26的封装价格比SOP8低大约三到五成,使得SOT26包装的PWM IC有逐渐成为市场主流的趋势。目前各家IC设计公司都致力开发功能更强且价格便宜的新产品,让电源设计工程师们可以更容易又快速设计出符合规格的产品。

图3 SOT26 PWM IC接脚说明图
低压启动优势显 六接脚封装效益多
以六接脚SOT26封装PWM IC而言,未来应用发展前景一片光明,包括可应用于极低的Vcc启动电流(Startup Current)与工作电流,如图4所示是一般低压启动的线路,在Vcc接脚电压低于IC启动电压触发点(UVLO_on)时,IC本身就会有内部逻辑消耗的电流,一般在IC规格上称为启动电流。而启动时间大约可以用下式计算得知。

图4 低电压PWM IC启动线路示意图
…(公式1)
其中,VUVLO(on)为Vcc的启动电压触发点;Vac为输入的交流电压;Istartup系IC Vcc的启动电流。而Cvcc则是Vcc接脚上的电容器容量;Rstart为启动电阻。
由于低压启动IC的启动电流对开机的时间影响很大,从公式1可得知在使用相同的启动电阻与Vcc电容器的前提下,当启动电流越小时,启动时间也会较小;换句话说,若启动时间要求相同时,较小的启动电流则可使用更大的启动电阻,而较大的启动电阻其功率损耗也较小,可获得更低的无载或是轻载输入功率。
除启动电流外,IC的工作电流也对轻载与无载时的效率影响很大,目前很多规格都有待机功耗的要求,所以省电IC是必要的,但IC要达到小的电流损耗则带来设计的考验。以通嘉科技新一代的PWM IC来说,都具有极小的启动电流与工作电流,在启动时间与无载/轻载效率表现优异。
与此同时,由于SOT26的封装只有六个脚位,除一般常用的固定脚位外,若想要增加其他的功能,已无其他脚位可以使用。此时若想要使IC有更多功能,则可利用一个脚位兼纳多功能的方式完成,以增加整个IC功能。
目前通嘉已有开发类似的IC,例如CS接脚与补偿接脚功能共用脚位,如此即可省下一个空脚位做其他应用;另外在功能脚位上与过温保护功能共用同一脚位,形成所谓的复合功能脚位,可达到六接脚 IC同时具有此两大功能的效果。
精简线路复杂度/成本 PWM IC导入OCP/OVP
至于电源供应器为预防在不正常工作下过热,通常会规定要有过电流保护(OCP)的规格。如图5所示,该功能通常在二次侧上增加过电流保护线路,不过这样会增加成本及线路复杂度。现在大家逐渐偏向采用PWM IC本身的过电流保护来完成这项规格要求(公式2)。

图5 二次侧外加过电流保护线路示意图
……………公式2
其中,Lp代表变压器感值;Vcs_off为电流侦侧电压点;Rsense系电流侦侧电阻;Fsw则是工作频率。由公式2可发现,对IC而言,影响过电流保护的主要参数是工作频率和电流侦侧电压,故若提升这两个参数的精准度,相对也可缩小系统过电流保护的误差。
不过在IC设计而言,若要提升精准度,大都使用微调(Trim)的方法,势必也会增加IC电路的复杂度与成本。另由于现在电源皆须使用在全范围(Full Range)电压输入的操作,此时IC内部过电流补偿的准确度也会影响到过电流保护点的分布。值得庆幸的是,新一代PWM IC过电流保护已可达到在120~150%范围内,符合市场需求。
另一方面,一般传统电源若须做到较精准的过电压保护(OVP),如图6所示,须在二次侧增加过电压保护的线路。通常在做过电压保护测试时,常见做法是将回授的光耦合器二次侧端短路,此时若将二次侧过电压保护的线路控制接至此处,会造成过电压保护失效的情形。所以,通常使用二次侧过电压保护线路时会增加另一个光耦合器去做过电压保护控制。同样的,该做法也会增加线路的复杂度与成本。

图6 二次侧外加过电压保护线路示意图
此外,有时也会利用IC Vcc接脚上的过电压保护功能达成电源供应器保护动作,如图7所示,该方案主要是利用辅助绕组整流后,供给Vcc的电压去做过电压保护,但此种做法在输出轻载与重载时,过电压的保护点会有差异。特别是在轻载时的OVP电压会比在重载时高出许多,还有一个问题则是变压器与辅助绕组的整流二极体的参数特性皆会影响到过电压保护的电压点,使用时须注意。

图7 利用IC Vcc做过电压保护
因此,要靠PWM IC来实现精准输出过电压保护功能,来简化电源电路的设计,已有厂商提出相关专利,并应用在新产品当中,强化新一代PWM IC的竞争力。显而易见,新一代的PWM IC除了节能以外,也须提升其他的相关功能表现,如过电压保护及过电流保护等。
优化PSR线路布局 减少设计占位空间
若针对市场应用来看,现在有很多小型充电器(Charger)或发光二极体(LED)照明产品,由于空间上的限制,常会使用一次侧电压回授稳压技术,如图8所示为通嘉LD7511一次侧电压回授稳压线路图,该架构最主要的好处是可以省掉光耦合器与二次侧TL431的相关元件,大幅简化整个电源线路,藉以节省设计空间及成本。

图8 一次侧回授线路示意图
不过使用一次侧电压回授稳压还是存在着一些问题,像是不同变压器的误差或是不同二次侧整流二极体的特性,还有开关造成的电压突波等,都会影响到电压调节准确度。其次它的暂态响应也比传统二次侧电压回授来得差,也是须加强改进的缺点。
满足最大负载/ESD需求 PWM IC设计小心翼翼
另外,新一代的PWM IC也须关注瞬间最大负载(Peak Load)的需求,举例来说,早期印表机电源皆有瞬间最大负载的规格,且可能是额定负载(Rated Load)的二倍甚至三倍,时间可能从几十毫秒(ms)至几百毫秒不等。随着笔记型电脑快速的发展,近来笔电变压器(Adaptor)也开始有最大负载的需求,因此,在PWM IC设计方面,目前常见的解决方案有瞬间最大负载及两段式过电流保护两种方式。
前者顾名思义是在瞬间最大负载抽载时,将其切换频率提升至正常工作频率的二倍或三倍,优点在于瞬间最大负载将工作频率提高时,可降低变压器一次侧的最大电流峰值(Peak Current),相对也降低磁通密度,使变压器更不易在最大负载时产生饱和,如此一来,即可维持原先使用的变压器,而达到更高瞬间功率的输出,且变压器不必使用最大的瞬间功率来设计。
图9是补偿接脚电压与工作频率的曲线图,当补偿接脚电压大于正常负载的电压时,除过负载保护计时器(Timer)会开始计数外,工作频率也会随着补偿接脚的电压变高而变高。因此,须搭载具最大负载升频功能的IC,以在不大幅变更设计的情况下,达到最大负载的要求。

图9 Comp接脚电压与工作频率曲线关系图
紧接着,两段式过电流保护是在CS接脚上使用两个比较器(Comparator)去侦侧过电流,如图10所示,第一个过电流保护的比较器用来设定系统过电流保护值;第二个过电流保护的比较器是最大电流峰值的保护。当第一个比较器触发时,OLP delay1的时间会开始计数,以达 [p] 到过电流保护机制;而第二个比较器则针对在最大负载做过电流保护,具有逐周期电流限制(Cycle by Cycle Limit)功能。

图10 两段式OCP逻辑图
另值得注意的是,静电在生活中是无法避免的,若IC有较佳的静电放电(ESD)承受能力,可减少在生产上或是测试上因电性过度应力(EOS)而造成的不良,提升产品的可靠度。由于现在IC制程不断的提升,若使用0.6微米(μm)制程取代1微米制程,相同的线路则可减小晶粒(Die)尺寸,不过使用更小的IC制程,IC的耐压与ESD能力也须一起考量。
实现高效能/低价位 PWM IC产品规画成关键
低功率交流对直流返驰式PWM IC不断增进新功能,包括简化外部线路零件、增加参数精准度等,不但让电源设计变得简易,也降低材料成本,并同步提高电源模组的可靠度,这也是PWM IC设计成功的主要关键。
也由于高效能、低价位的产品势成市场主流,而一颗新的IC从规画、设计到量产至少也要一年半载,所以未来产品规画将是决胜关键,而开发符合市场需求的产品与不断创新的技术更是IC设计的最终使命。
有鉴于此,电源晶片业者在PWM IC领域不断致力提供高效能电源管理应用解决方案,以创新技术追求节能最高标准的电源管理IC,并提供稳定可靠及高附加价值的产品,以期与客户共同开发更省电环保的产品,减少能源消耗,打造绿色地球。

成本考量摆第一 六接脚PWM IC封装成主流
图1所示为典型返驰式PWM IC的应用线路,其中,图1a是使用高压启动的PWM IC;图1b则是使用低压启动的PWM IC。

图1 典型返驰式PWM IC应用线路示意图
两者主要差异为高压启动的PWM IC将整流过后的直流高压接至HV接脚,再藉由HV接脚以定电流的方式对Vcc接脚上的电容充电,直到IC启动为止。
而低压启动PWM IC则从交流输入(AC Line)端透过启动电阻对Vcc接脚上的电容充电让IC工作。以图1b为例,线路上主要可区分为几个部分,一是由开关晶体、变压器和整流二极体组成返驰式架构,另外由TL431和光耦合器组成二次侧电压回授,最后是由PWM IC及周边零件构成的控制部分。
值得一提的是,在5~70瓦(W)的应用中,返驰式PWM IC目前常用的封装有八接脚的SOP8与DIP8,以及六接脚的SOT26。以通嘉科技产品为例,如图2所示是典型八接脚反驰式PWM IC的脚位图,其主要以高压启动为主,接脚功能包括HV接脚接至AC整流后端,提供IC开机前的启动电流,在IC工作后,即停止启动电流的输出;NC接脚则无作用,主要是增加HV接脚与其他低压接脚的安全距离。

图2 SOP8/DIP8 PWM IC接脚说明图
此外,Vcc接脚提供IC的工作电源,在启动前由HV接脚提供启动电流,当启动后改由变压器的辅助绕圈提供;OUT接脚为输出驱动开关电晶体的PWM波形;CS接脚负责开关晶体的电流侦侧;补偿接脚(COMP)做回授补偿用;GND接脚做为IC的地。
其中第一支接脚提供可选择性的特别功能,它的特别功能大致上有下列几种:RT提供可调整的工作频率;CT提供可调整的过负载保护延迟(OLP Delay)时间;BNO提供可调整的开关机电压;Latch用来做外部过温保护(OTP)或其他保护功能。
另一方面,图3是典型六接脚返驰式PWM IC的脚位图,它与八接脚封装最主要的差异是在HV接脚与NC接脚,其他功能脚位则与八接脚包装的几乎相同。由于各家厂商都不断的在做降低成本(Cost Down)的动作,SOT26的封装价格比SOP8低大约三到五成,使得SOT26包装的PWM IC有逐渐成为市场主流的趋势。目前各家IC设计公司都致力开发功能更强且价格便宜的新产品,让电源设计工程师们可以更容易又快速设计出符合规格的产品。

图3 SOT26 PWM IC接脚说明图
低压启动优势显 六接脚封装效益多
以六接脚SOT26封装PWM IC而言,未来应用发展前景一片光明,包括可应用于极低的Vcc启动电流(Startup Current)与工作电流,如图4所示是一般低压启动的线路,在Vcc接脚电压低于IC启动电压触发点(UVLO_on)时,IC本身就会有内部逻辑消耗的电流,一般在IC规格上称为启动电流。而启动时间大约可以用下式计算得知。

图4 低电压PWM IC启动线路示意图
…(公式1)其中,VUVLO(on)为Vcc的启动电压触发点;Vac为输入的交流电压;Istartup系IC Vcc的启动电流。而Cvcc则是Vcc接脚上的电容器容量;Rstart为启动电阻。
由于低压启动IC的启动电流对开机的时间影响很大,从公式1可得知在使用相同的启动电阻与Vcc电容器的前提下,当启动电流越小时,启动时间也会较小;换句话说,若启动时间要求相同时,较小的启动电流则可使用更大的启动电阻,而较大的启动电阻其功率损耗也较小,可获得更低的无载或是轻载输入功率。
除启动电流外,IC的工作电流也对轻载与无载时的效率影响很大,目前很多规格都有待机功耗的要求,所以省电IC是必要的,但IC要达到小的电流损耗则带来设计的考验。以通嘉科技新一代的PWM IC来说,都具有极小的启动电流与工作电流,在启动时间与无载/轻载效率表现优异。
与此同时,由于SOT26的封装只有六个脚位,除一般常用的固定脚位外,若想要增加其他的功能,已无其他脚位可以使用。此时若想要使IC有更多功能,则可利用一个脚位兼纳多功能的方式完成,以增加整个IC功能。
目前通嘉已有开发类似的IC,例如CS接脚与补偿接脚功能共用脚位,如此即可省下一个空脚位做其他应用;另外在功能脚位上与过温保护功能共用同一脚位,形成所谓的复合功能脚位,可达到六接脚 IC同时具有此两大功能的效果。
精简线路复杂度/成本 PWM IC导入OCP/OVP
至于电源供应器为预防在不正常工作下过热,通常会规定要有过电流保护(OCP)的规格。如图5所示,该功能通常在二次侧上增加过电流保护线路,不过这样会增加成本及线路复杂度。现在大家逐渐偏向采用PWM IC本身的过电流保护来完成这项规格要求(公式2)。

图5 二次侧外加过电流保护线路示意图
……………公式2其中,Lp代表变压器感值;Vcs_off为电流侦侧电压点;Rsense系电流侦侧电阻;Fsw则是工作频率。由公式2可发现,对IC而言,影响过电流保护的主要参数是工作频率和电流侦侧电压,故若提升这两个参数的精准度,相对也可缩小系统过电流保护的误差。
不过在IC设计而言,若要提升精准度,大都使用微调(Trim)的方法,势必也会增加IC电路的复杂度与成本。另由于现在电源皆须使用在全范围(Full Range)电压输入的操作,此时IC内部过电流补偿的准确度也会影响到过电流保护点的分布。值得庆幸的是,新一代PWM IC过电流保护已可达到在120~150%范围内,符合市场需求。
另一方面,一般传统电源若须做到较精准的过电压保护(OVP),如图6所示,须在二次侧增加过电压保护的线路。通常在做过电压保护测试时,常见做法是将回授的光耦合器二次侧端短路,此时若将二次侧过电压保护的线路控制接至此处,会造成过电压保护失效的情形。所以,通常使用二次侧过电压保护线路时会增加另一个光耦合器去做过电压保护控制。同样的,该做法也会增加线路的复杂度与成本。

图6 二次侧外加过电压保护线路示意图
此外,有时也会利用IC Vcc接脚上的过电压保护功能达成电源供应器保护动作,如图7所示,该方案主要是利用辅助绕组整流后,供给Vcc的电压去做过电压保护,但此种做法在输出轻载与重载时,过电压的保护点会有差异。特别是在轻载时的OVP电压会比在重载时高出许多,还有一个问题则是变压器与辅助绕组的整流二极体的参数特性皆会影响到过电压保护的电压点,使用时须注意。

图7 利用IC Vcc做过电压保护
因此,要靠PWM IC来实现精准输出过电压保护功能,来简化电源电路的设计,已有厂商提出相关专利,并应用在新产品当中,强化新一代PWM IC的竞争力。显而易见,新一代的PWM IC除了节能以外,也须提升其他的相关功能表现,如过电压保护及过电流保护等。
优化PSR线路布局 减少设计占位空间
若针对市场应用来看,现在有很多小型充电器(Charger)或发光二极体(LED)照明产品,由于空间上的限制,常会使用一次侧电压回授稳压技术,如图8所示为通嘉LD7511一次侧电压回授稳压线路图,该架构最主要的好处是可以省掉光耦合器与二次侧TL431的相关元件,大幅简化整个电源线路,藉以节省设计空间及成本。

图8 一次侧回授线路示意图
不过使用一次侧电压回授稳压还是存在着一些问题,像是不同变压器的误差或是不同二次侧整流二极体的特性,还有开关造成的电压突波等,都会影响到电压调节准确度。其次它的暂态响应也比传统二次侧电压回授来得差,也是须加强改进的缺点。
满足最大负载/ESD需求 PWM IC设计小心翼翼
另外,新一代的PWM IC也须关注瞬间最大负载(Peak Load)的需求,举例来说,早期印表机电源皆有瞬间最大负载的规格,且可能是额定负载(Rated Load)的二倍甚至三倍,时间可能从几十毫秒(ms)至几百毫秒不等。随着笔记型电脑快速的发展,近来笔电变压器(Adaptor)也开始有最大负载的需求,因此,在PWM IC设计方面,目前常见的解决方案有瞬间最大负载及两段式过电流保护两种方式。
前者顾名思义是在瞬间最大负载抽载时,将其切换频率提升至正常工作频率的二倍或三倍,优点在于瞬间最大负载将工作频率提高时,可降低变压器一次侧的最大电流峰值(Peak Current),相对也降低磁通密度,使变压器更不易在最大负载时产生饱和,如此一来,即可维持原先使用的变压器,而达到更高瞬间功率的输出,且变压器不必使用最大的瞬间功率来设计。
图9是补偿接脚电压与工作频率的曲线图,当补偿接脚电压大于正常负载的电压时,除过负载保护计时器(Timer)会开始计数外,工作频率也会随着补偿接脚的电压变高而变高。因此,须搭载具最大负载升频功能的IC,以在不大幅变更设计的情况下,达到最大负载的要求。

图9 Comp接脚电压与工作频率曲线关系图
紧接着,两段式过电流保护是在CS接脚上使用两个比较器(Comparator)去侦侧过电流,如图10所示,第一个过电流保护的比较器用来设定系统过电流保护值;第二个过电流保护的比较器是最大电流峰值的保护。当第一个比较器触发时,OLP delay1的时间会开始计数,以达 [p] 到过电流保护机制;而第二个比较器则针对在最大负载做过电流保护,具有逐周期电流限制(Cycle by Cycle Limit)功能。

图10 两段式OCP逻辑图
另值得注意的是,静电在生活中是无法避免的,若IC有较佳的静电放电(ESD)承受能力,可减少在生产上或是测试上因电性过度应力(EOS)而造成的不良,提升产品的可靠度。由于现在IC制程不断的提升,若使用0.6微米(μm)制程取代1微米制程,相同的线路则可减小晶粒(Die)尺寸,不过使用更小的IC制程,IC的耐压与ESD能力也须一起考量。
实现高效能/低价位 PWM IC产品规画成关键
低功率交流对直流返驰式PWM IC不断增进新功能,包括简化外部线路零件、增加参数精准度等,不但让电源设计变得简易,也降低材料成本,并同步提高电源模组的可靠度,这也是PWM IC设计成功的主要关键。
也由于高效能、低价位的产品势成市场主流,而一颗新的IC从规画、设计到量产至少也要一年半载,所以未来产品规画将是决胜关键,而开发符合市场需求的产品与不断创新的技术更是IC设计的最终使命。
有鉴于此,电源晶片业者在PWM IC领域不断致力提供高效能电源管理应用解决方案,以创新技术追求节能最高标准的电源管理IC,并提供稳定可靠及高附加价值的产品,以期与客户共同开发更省电环保的产品,减少能源消耗,打造绿色地球。

射频工程师养成培训教程套装,助您快速成为一名优秀射频工程师...
射频和天线工程师培训课程详情>>

