- 易迪拓培训,专注于微波、射频、天线设计工程师的培养
一种低电流纹波的低压大电流DC-DC变换器的研究[ ]
1 引言
近年来, 随着计算机微处理器的输入电压要求越来越低, 低压大电流DC - DC 变换器的研究得到了许多研究者的重视, 各种拓扑结构层出不穷,同步整流技术、多重多相技术、磁集成技术等也都应用于这个领域。笔者提出了一种交错并联的低压大电流DC - DC 变换器, 它的一次侧采用对称半桥结构, 而二次侧采用倍流整流结构。采用这种结构可以极大地减小滤波电容上的电流纹波, 从而极大地减小了滤波电感的大小与整个DC - DC 变换器的尺寸。这种变换器运行于48 V 的输入电压和100 kHz 的开关频率的环境。
2 倍流整流的低压大电流DC - DC变换器的结构分析
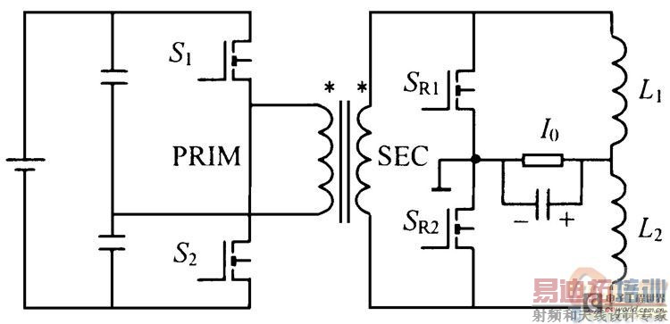
倍流整流低压大电流DC-DC 变换器的电路原理图如图1 所示, 一次侧采用对称半桥结构, 二次侧采用倍流整流结构, 在S1 导通时SR1 必须截止, L1 充电; 在S2 导通时SR2 必须截止, L2 充电,这样滤波电感电流就会在滤波电容上移项叠加。图2 给出了开关控制策略。

图1 倍流整流的低压大电流DC- DC变换器的电路原理图

图2 开关的控制策略
通过以上分析可以看出, 倍流整流结构的二次侧2 个滤波电感电流在滤波电容上相互叠加, 从而使得输出电流纹波变得相当小。
结构中的同步整流器均按外加信号驱动处理,使控制变得很复杂, 但在这种半桥- 倍流拓扑结构中使用简单的自驱动方式很困难, 因为, 在这种结构中, 如果直接从电路中取合适的点作为同步整流器的驱动信号, 在死区时间内当这个驱动信号为零时, 同步整流器就会截止。为了在半桥- 倍流拓扑结构中使用自驱动方式, 就必须使用到辅助绕组。
以单个半桥- 倍流拓扑结构为例, 见图3 , VSEC为变压器的二次侧电压, Vgs为由辅助绕组获得的同步整流器的驱动电压, 可以看出即使在死区的时间内, 同步整流器的驱动电压也不可能为零, 保证了自驱动方式在这种拓扑结构中的应用。

图3 自驱动同步整流器电路及波形图
另外, 由于在大电流的情况下MOSFET 导通压降将增大, 从而产生较大的导通损耗, 为此应采用多个MOSFET 并联方法来减小损耗。
3 交错并联低压大电流DC - DC 变换器
3.1 电路原理图
综上所述, 倍流整流低压大电流DC - DC 变换器具有很好的性能, 在此基础上引入交错并联技术, 构成一种新的结构, 称为并联低压大电流DC - DC变换器, 可以进一步减小输出电流纹波。
图4 为交错并联低压大电流DC - DC 变换器的电路原理图(以最简单的2 个倍流整流交错并联为例)。

图4 交错并联低压大电流DC- DC变换器的电路原理图
3.2 变换器的开关控制策略
交错并联低压大电流DC - DC 变换器的开关控制策略见图5。

图5 交错并联低压大电流DC- DC变换器的开关控制策略
3.3 交错并联低压大电流DC- DC变换器性能
首先这种拓扑结构最大的优点是变压器原边的结构简化, 控制变得很简单。其次, 这种方法的实现必须采用同步整流电路, 因为交错并联电路的实现要求变压器副边上下电位轮流为正, 在一个时间段内有且只有一个为正电位, 其余都为零电位。但在这种拓扑结构中, 由于2 个变压器的原边串联在一起, 而副边是并联的, 这样如果用肖特基二极管作整流器, 那么输入电压将在2 个变压器原边上分压, 而肖特基二极管又没有选通的功能, 这样变压器二次侧的波形将是完全对称的, 上下2 个整流电路的电流完全重合, 达不到电流交错并联的目的。
这样, 应用同步整流器来完成这个功能, 同时利用MOSFET 的双向导电特性, 因为同步整流管的漏源电流是分布在坐标横轴两侧的。这种结构的过程详细分析如下:
1) S1 导通, S2 截止; S3 截止, S4 , S5 , S6 均导通。由于S4 , S5 , S6 的导通, 第一变压器副边绕组下端为零电位,第二变压器副边绕组上、下端均为零电位,电感L1 上电流上升, L2 , L3 , L4 上电流下降。
2) S2 导通, S1 截止; S4 截止, S3 , S5 , S6 均导通。由于S3 , S5 , S6 的导通, 第一变压器副边绕组上端为零电位,第二变压器副边绕组上、下端均为零电位, 电感L2 上电流上升, L1 , L3 , L4 上电流下降。
3) S1 导通, S2 截止; S5 截止, S3 , S4 , S6 均导通。由于S3 , S4 , S6 的导通, 第二变压器副边绕组下端为零电位,第一变压器副边绕组上、下端均为零电位, 电感L3 上电流上升, L1 , L2 , L4 上电流下降。
4) S2 导通, S1 截止; S6 截止, S3 , S4 , S5 均导通。由于S3 , S4 , S5 的导通, 第二变压器副边绕组上端为零电位,第一变压器副边绕组上、下端均为零电位, 电感L4 上电流上升, L1 , L2 , L3 上电流下降。
以上各式均忽略整流器的电压降, 且V SEC为变压器二次侧的电压值。
根据以上分析可知, 应用同步整流器, 通过变压器原边串联而副边并联的方法, 可以实现这种交错并联半桥- 倍流拓扑结构。它的优点主要有以下几个方面:
1) 有效地简化了拓扑结构和控制策略。
2) 在频率保持不变的情况下, 如果纹波的峰- 峰值一定, 则这种结构可以有效减小滤波电感的值, 从而加快整个变换器的动态响应时间。
3) 交错并联的半桥- 倍流拓扑结构与非交错并联的半桥- 倍流拓扑结构相比, 一次侧和二次侧的导通损耗相差不多, 但由于采用交错并联技术,二次侧的开关频率是原来的一半, 相应的开关损耗也是原来的一半。由于变换器的开关损耗在整个损耗统计中占很大的比例, 因此, 交错并联技术可以极大地提高变换器的效率。
4 仿真分析
应用Pspice 软件对电路进行仿真。电路的参数如下: 开关频率为100 kHz , 占空比为40 % ,输入电压为48 V , 滤波电感为2μH , 滤波电容为820μF , 输出电流为60 A , 输出电压为1125 V。
图6 所示为滤波电感的电流波形, 从图6 可以看出, 4 个滤波电感的电流轮流充电, 如果一个滤波电感在充电, 其余3 个电感必须在放电, 在死区时间内, 4 个滤波电感都在放电。
图7 和图8 所示分别为交错并联变换器与单个倍流整流变换器结构的输出电流纹波波形, 从图7中可以看出, 4 个滤波电感的电流在滤波电容上叠加, 可以把电流的纹波减小很多。

图6 滤波电感电流波形

图7 交错并联变换器结构的输出电流纹波波形

图8 单个倍流整流变换器结构的输出电流纹波波形
5 实验结果
通过理论研究及仿真分析, 可以看出, 交错并联的低压大电流DC - DC 变换器具有良好的性能,在输出为1125 V/ 60 A 的情况下, 输出电流纹波可以降到很小。为了进一步说明这种拓扑结构的可行性, 用实验结果验证。实验电路见图4 , 实验参数和仿真相同, 最后得到如图9 所示的实验波形。图9 中, V gs为一次侧一个MOSFET 的门极驱动电压波形, V ds则为相应的MOSFET 的栅源电压波形,从图9 可以看出, 实验结果所得波形同图5 的理论分析结果十分吻合, 所提出的方法是可行的。其中, 变压器选用R2 KB 软磁铁氧体材料制作的GU22 磁心, 原副边的匝数分别为8 匝和1 匝; 电感选用宽恒导磁材料IJ 50h 制作的环形铁心T5 - 10 - 215 ,匝数为8 匝。

图9 实验波形
6 结语
通过仿真及实验分析, 得出以下结论: 对于低压大电流DC - DC 变换器, 可以通过交错并联的方法, 进一步减小输出电流纹波, 效果十分明显;或者在同样输出电流纹波情况下, 可以极大地减小滤波电感值, 从而减小整个变换器的尺寸, 提高变换器的瞬态响应特性。所讨论的2 个倍流整流结构交错并联案例同样适应于多个倍流整流结构交错并联的情况。
射频工程师养成培训教程套装,助您快速成为一名优秀射频工程师...
天线设计工程师培训课程套装,资深专家授课,让天线设计不再难...
上一篇:直流-直流变换电路设计四步曲
下一篇:提高数据中心效率的几个能效管理措施

