- 易迪拓培训,专注于微波、射频、天线设计工程师的培养
一种基于FPGA/DSP的灵巧干扰平台设计与实现
引 言
目前,通信干扰的手段以信号大功率压制为主,本质上属于物理层能量干扰,存在效费比低,且容易暴露自身目标等缺点,而且随着新的功率控制和信号处理技术的应用,通信大功率压制干扰手段的应用遇到了瓶颈。大功率压制干扰手段的局限性对研究一种新的小功率灵巧干扰技术提出了迫切的需求。美国通信干扰专家Richard A.Poisel于2002年首先提出了灵巧干扰(smart jamming)的概念。他指出可以利用接收机在捕获输入信号时间和帧同步信息的过程实施攻击,这可以看作是灵巧干扰技术的雏形。当前灵巧干扰正成为国内外研究的热点。本文设计的灵巧干扰硬件平台正是基于这种背景,可以为灵巧干扰技术的发展提供硬件平台支持。
1 灵巧干扰平台工作原理
经过前端射频选频滤波和下变频后,灵巧干扰平台将获得所测频段范围的中频信号送入高速信号处理平.台。高速信号处理平台由数/模转换器(ADC)产生数字中频信号,经数字下变频器(DDC)后送入数字信号处理器,由数字信号处理器完成信号的搜索截获、参数估计及识别,软件化的解调器根据这些处理结果选择适当的解讽方式和参数完成解调,解调器的输入来源于经过数字下变频(DDC)的数字基带复信号,通过对解调信号的分析,可以进一步识别信号的编码方式等底层信息。最终生成与侦察信号同等样式或相关度极大的干扰信号,将能量压制提升为信息压制,只要在敌我双方信息功率上形成一定的信息能量优势就可以取得很好的干扰效果。
平台功能框图如图1所示。

其中,输入通道功能包括:A/D变换、数字下变频;信号处理功能主要有:信号载频估计、参数估计、调制识别、解调、编码识别等;灵巧干扰信号生成单元根据信号处理单元得到的信号参数生成干扰信号;输出通道与输入通道对应,将产生的干扰信号变换到相应的中频发出。
2 平台总体设计
2.1 平台硬件结构设计
通信侦察信号分析属于非合作通信环境下的信号处理,其宽频带、多调制方式、多信号的特点要求信号处理平台中的处理器具有高性能的处理能力外,还应具备较强的通用性、灵活性。随着大规模可编程器件的发展,采用DSP芯片和可编程逻辑器件相结合的信号处理平台显示出其优越性。采用这种结构的信号处理平台的最大特点是结构灵活,有较强的通用性,适合于模块化设计,从而能够提高算法效率;同时开发周期较短,平台易于维护和扩展,特别适合于实时信号处理。近些年,更多的实时信息处理平台采用了FPGA+DSP的结构,FPGA和DSP协作发挥各自的长处,低层的预处理算法处理的数据量大,对处理速度要求高,但运算结构相对比较简单,适合于用FP~GA进行硬件实现,这样能兼顾速度及灵活性;高层处理算法的特点是处理的数据量较低层算法少,但算法的结构复杂,适合于用运算速度高,寻址方式灵活,通信机制强的DSP 芯片来实现。
根据灵巧干扰平台功能要求,平台硬件结构如图2所示。

该平台采用CPCI结构,主要由A/D,D/A转换及DDC,DUC模块、DSP信号处理模块、CPCI总线接口、FPGA高速数字传输、存储器、PCI桥模块、CPLD模块等几部分组成。主要特性如下:
(1)单通道14 b分辨率,150 MSPS采样率的高速带宽ADC AD9254。
(2)宽带数字正交下变频DDC芯片AD6636,支持抽取与滤波。
(3)单通道14 b分辨率,300 MSPS采样率的高速宽带DAC AD9755。
(4)宽带数字正交上下变频DUC芯片GC5016,支持抽取与滤波。
(5)处理器之间(包括两片TMS320C6713 DSP芯片与一片Xilinx Virtex 4 FPGA芯片)实现了多种灵活的高速实时数据传输与交换通道。
(6)CPCI总线兼容PCI 2.2 64位/66 MHz,支持Master(DMA)/Target burst模式。
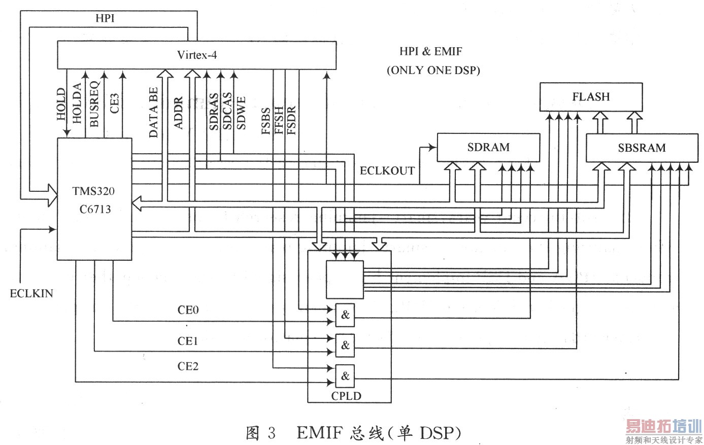
FPGA和DSP协同完成信号处理功能,这里重点说明其协同原理(见图3)。

FPGA与DSP主要通过共享EMIF总线上的存储空间进行数据交换。存储器包括:共128 MB的SDRAM,512 KB的SBSRAM,8 MB的非易失FLASH,它将大大提高数字信号的传输与处理速度。DSP外部总线EMIF各种存储器及设备资源分配如下:CE0(SDRAM),CE1 (FLASH),CE2(SRAM),CE3(FPGA)。资源分配由FPGA和DSP依靠申请总线决定,因此可以通过重新编程加以修改。对于C671 3来说,EMIF总线为32位,时钟最高为100 MHz,因此总线的数据吞吐率最高为400 MB/s。为了提高总线效率,设计中FPGA与DSP都可以独立访问:EMIF总线上的存储空间,但不能同时访问。FPGA作为EMIF总线设备之一,与 SDRAM,SB-SRAM共享数据与地址总线。同时,FPGA也是EMIF总线主设备之一,与DSP共同管理EMIF总线。也就是说,FPGA也可以主动发起访问SDRAM,SBSRAM。因此,FPGA与DSP共享EMIF总线上所有的存储空间。在默认状态下,由DSP管理EMIF总线。FPGA通过使能HOLD控制线向DSP申请总线,DSP在处理完当前任务后,响应请求,以HOLDA控制线使能作为回应,并将自己所有EMIF管脚置为高阻。这时, FP-GA就可以接管EMIF总线,进行相应的操作。FPGA与DSP进行数据交换的另一种方式是通过HPI(主机口)。TM$320C6713的HPI 是一个16 b宽的并行端口。FPGA作为HPI主设备与DSP的HPI相连,掌管着该端口的主控权,通过HPI直接访问TMS320(26713的存储空间和外围设备。
2.2 平台软件设计
本设计中,FPGA不仅需要与DSP协同工作,完成对侦察信号的处理,同时负责对整个平台的控制。信号处理板上与FPGA通讯的接口有:AD/DDC接口、DA/DUC接口、DSP接口、RAM(SRAM/SDRAM)接口及CPCI接口。 FPGA要实现与这些接口的通讯,并协调各接口之间的工作时序,调度各接口之间的数据流向。 [p]
基于FPGA的控制软件主要完成以下功能:
(1)程序加载
程序加载分为FPGA的程序加载和DSP的程序加载。FPGA的程序加载是指通过PCI总线来给FPGA加载程序。其加载路径为:上位机→PCI总线 →FP-GA。DSP的程序加载是指通过HPI来给DSP加载信号处理程序。其加载路径为:上位机→PCI总线→FP-GA→HPI口→DSP。
(2)ADC(DDC)数据采集与存储
此过程是指FPGA把ADC(DDC)数据采集并保存在外部存储器(SDRAM或SRAM)中以备FPGA和DSP处理的过程。其数据流路径为:外部数据源→ADC→DDC(只进行ADC时DDC省略)→FPGA→SDRAM或SRAM。
(3)数据的DMA操作
DMA用于实现上位机对外部存储器(SDRAM或SRAM)的数据读写功能。DMA读的数据流路径是:外部存储器→FPGA→DMA→上位机→二进制文件。DMA发的数据流路径是:上位机→DMA→FPGA→SDRAM。
(4)配置DDC和DUC
此过程是把DDC和DUC配置文件通过FPGA配置到AD6636和GC5016中。其配置路径为:上位机→PCI总线→FPGA→DDC或DUC。
软件设计采用Verilog硬件描述语言和模块化设计,结构如图4所示。

图4中,reg_proc模块是软件控制的核心部分。通过定义内部寄存器接收上位机的控制字,给各模块发出控制信息;pci_infe是FPGA与PCI 总线的接口模块,实现平台与上位机的信号交互;FPGA通过HPI口对DSP的程序加载,由hpi_infe模块实现;adc_infe和dac infe实现数据的A/D输入和D/A输出功能;ddc_config和duc_config完成对DDC及DUC芯片的配置;ram_ctrl模块实现 FPGA对存储器的读写功能,包括SRAM和SDRAM的子模块程序。此外,程序还设计了时钟管理模块clk_manage,用于产生全局时钟及复位信号。
3 试验验证
为了验证平台能否在程序控制下正确工作,本文编写了工作于DSP的8 192点FFT验证程序,实现对输入信号的FFT变换。
试验中设置DDC为70 MHz混频,DUC 70 MHz中频输出,输入信号为75 MHz正弦波。在FPGA/DSP程序加载和DDC/DUC配置完成后,首先进行ADC数据采集,把采集得到的数据存储到SRAM中,DSP与SRAM进行数据交互并在DSP中完成8 192点的FFT运算,计算结果保存于SDRAM中,经DMA方式读取到上位机硬盘形成二进制文件。同时将混频后的5 MHz单频信号从SRAM读出上变频到70 MHz输出。试验结果如图5、图6所示。

由图5可知,DMA输出的FFT结果显示处理的下变频信号为5 MHz,等于预期值;图6显示5 MHz单频信号经上变频后输出为70 MHz中频模拟信号。试验证明,平台的软硬件均能正确工作,实现了设计目的。

4 结 语
根据灵巧干扰平台功能要求,设计了基于FPGA/DSP的硬件平台,采用Verilog HDL及模块化方法设计了硬件平台的控制软件。试验结果表明,灵巧干扰平台构成合理,硬件设计、软件设计可靠,满足了灵巧干扰平台的功能要求,为灵巧干扰技术研究提供了硬件平台支持,该平台已成功应用于工程项目。
射频工程师养成培训教程套装,助您快速成为一名优秀射频工程师...

