- 易迪拓培训,专注于微波、射频、天线设计工程师的培养
电源设计小贴士:低成本、高性能 LED 驱动器
随着 LED 生产成本的下降,LED 在各种应用中的使用率越来越高,其中包括手持设备、车载以及建筑照明。其高可靠性(使用寿命超过 50000 小时)、高效率(175 流明/瓦)以及近乎瞬时的响应使其成为一种颇具吸引力的光源。但是,驱动 LED 却是一项很具挑战性的工作。
受控的亮度需要用一个恒定的电流来驱动 LED,无论输入电压如何这一恒定的电流都必须保持恒定不变。通常,LED 都会有调光要求,例如,想要调节显示器或建筑照明亮度。实现 LED 调光有两种方法:改变 LED 电流或使用脉宽调制 (PWM)。效率最低的方法是改变电流,因为光输出并非完成随着电流变化而发生线性变化,并且在电流低至其额定值时 LED 色谱会发生变化。
时刻谨记人类对亮度的感知呈指数型是很重要的,完全变暗需要对电流进行大幅度的变化。这对电路设计有很大的影响,因为全电流时 3% 的调节误差由会于电路容差而在 10% 负载时变成 30% 甚至更高的误差。尽管响应速度比较慢,但使用 PWM 调光电流波形会更加精确。在照明和显示器应用中,人们希望 PWM 超过 100 Hz,这样人眼就不会感觉到闪烁。

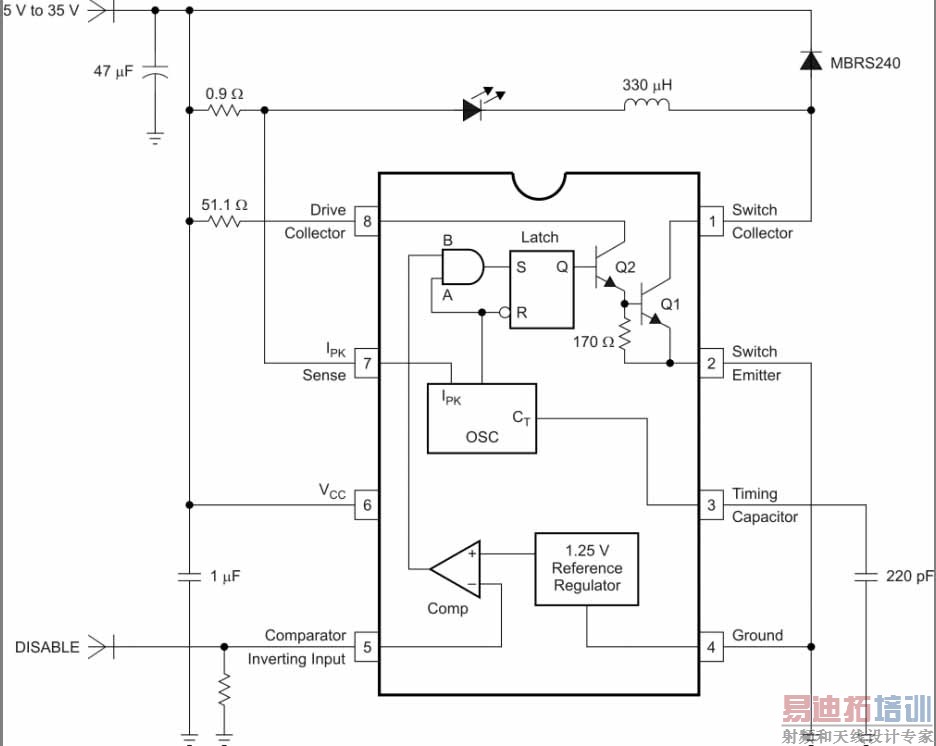
图 1 MC33063 构成了一款低成本 LED 驱动器
图 1 显示了一款驱动单个 LED 的非常简单且成本非常低的降压稳压器,该稳压器实施了一种快速调光的特性。其基于一个具有内部开关、电流限制比较器、振荡器和内部接口的 MC33063。通常用于稳压的引脚具有关闭功能。在此情况下,一个超过 1.25V 的电压会关闭电源,而一个较低的电压会开启电源。随着电路的开启,由于消除了电压反馈,控制器以电流限制/磁滞模式运行。 [p]
振荡器生成了一个会引起电源开关开启的启动脉冲。这使得输入电压正好适用于电流感应电阻、LED 和电感。当电流达到大约 350mA 时电流限制比较器开始感应电流并关闭电源开关。电感电压反向并超过输入电流,从而使续流二极管发生传导。电感和 LED 电流不断循环,直到开关在下一个开关周期时开启为止。该电路非常适用于广泛的应用。在要求简捷性和低成本的手持式便携式设备、白色家电以及车载应用中使用一个 40V 额定电压和一个 1.5A 电流的开关调节器是非常有用的。虽然实施磁滞控制和开启功能可能有一定的挑战性,但基本拓扑可适用于更广泛的应用。
我们构建并测试了图 1 中的电路。图 2 显示了关闭命令和因此而导致的 LED 电流波形。LED 可以轻松地以 500 Hertz 实现 PWM 调光。电流波形的上升时间和下降时间不到 100 uSec。如果 LED 中可以容忍更高的纹波电流,那么电感可以是一个更小的值且上升时间和下降时间可以缩短。然而,500 Hz PWM 适用于大多数应用。

图 2 磁滞电流控制提供了快速 PWM 响应
总而言之,只要不是专门设计用来驱动 LED,诸如 MC33063 的开关调节器就可出色地完成调光工作。其误差放大器可以用作关闭功能以提供 LED PWM 调光功能,其电流限制比较器提供了快速响应和精确的电流设置,并且其内置电源开关实现了一个小型简单的电路。本人非常感谢 TI 的 Dave Parks 帮我整理了这篇电源设计小贴士文章。
参考文献
《LED 照明阐述了降压稳压器设计》,作者:Betten, John,电力电子科技
射频工程师养成培训教程套装,助您快速成为一名优秀射频工程师...

