- 易迪拓培训,专注于微波、射频、天线设计工程师的培养
用MR16LED替代1W至5WLED驱动器设计参考
近年来,高亮度发光二极管(HB-LED)市场快速发展,LED效能(efficacy,单位为流明/瓦或lm/W)增加了一倍以上,使用更加适用于众多新应用,如我们在手持电筒、建筑照明及街道照明等应用中可以发现诸多革命性的新产品。但LED要成为比白炽灯和紧凑型荧乐灯性价比更高的照明系统,仍然面临着挑战。实际上,就许多应用而言,都涉及到基于宽输入电压范围的电源来为HB-LED供电的挑战。其中,轨道照明等通用照明应用尤为如此,这些应用采用可能很松散稳压的12 Vac或12 Vdc电源。然而,LED需要以电流源而非电压源驱动,因为根据工艺容限及温度的不同,HB-LED的正向电压(额定值3.4 V)变化幅度可能超过±20%。
此外,就当前的1 W暖白光功率LED的流明量而言,通常需要3到4颗LED来替代1个20 W白炽灯的光输出。而要获得可预期及匹配的亮度和色度,也需要以恒定电流驱动LED。从架构角度来说,降压-升压拓扑结构符合这个要求,但它不如标准降压或升压拓扑结构那样常见。但理解透彻的话,降压-升压拓扑结构也可以为输入电压(Vin)与正向电压(Vf)有交叠的高性价比HB-LED照明应用提供众多优势。
参考设计概览
本参考设计文档介绍经过精心构建及测试的GreenPoint
1 W至5 W LED驱动器方案,用于MR16 LED替代应用。这参考设计电路适合驱动多种照明应用中的HB-LED,但其尺寸和配置针对MR16 LED替代应用。这类配置常见于12 Vac/12 Vdc轨道照明应用、汽车应用、低压交流景观照明应用,以及工作照明应用,如可能采用标准现成交流电压墙式适配器供电的橱柜灯及台灯。
这参考设计的一项关键考虑因素,是在12 Vac输入条件下,跨输入线路变化及输出电压变化,实现平坦的电流稳流。这参考设计电路基于安森美半导体的NCP3065构建,工作频率约为150 kHz,采用非隔离型配置。NCP3065是一款单片开关稳压器,支持12 Vdc或12 Vac电源输入,设计用于为HB-LED提供恒定电流。除了NCP3065,这参考设计还结合了自动检测电路。这参考设计的功能框图如图1所示。

图1:安森美半导体用于MR16 LED替代应用的1 W至5 W LED驱动器GreenPoint
参考设计框图。
基本电源拓扑结构
降压-升压转换器的原理非常简单。导通状态时,输入电压源直接连接至电感(L),从而在电感中积聚能量。在这个阶段,电容C为输出负载提供能量。关闭状态时,电感通过输出二极管连接至输出负载及电容,从而传输能量给负载。
要注意的是这是一种反向(inverting)输出,负输出连接至LED的阳极,而正输出连接至LED的阴极。另外,用示波器探头来测量时,探头的接地端并不接地。示波滤器将需要浮置(从交流墙式电源移除接地连接),否则,接地环路/短路将导致器件关闭。
突发模式控制
基本控制环路包含235 mV内部参考、反馈比较器及2个设定优先(Set-Dominant) RS闩锁。基本上,NCP3065支持功率FET在降压-升压段导通(switch ON),这时反馈电压降到低于参考电压。而在Ct下降时,功率FET将无条件地强制关闭。
电阻R8(参见图5)用于感测输入电感电流,并提供给NCP3065的FB引脚。这应用产生关闭时间瞬时(Ivalley)电感电流控制。只有在关闭时间电感电流穿过Vref阈值时,开关导通时间周期才能开始。
由于NCP3065控制器并不提供集成的脉宽调制(PWM)控制,仅利用一个比较器来跟踪(trip)反馈点,因此,峰值负载电流与平均负载电流并不象降压转换器那样直接成正比,而是符合下列公式:
其中,Ivalley是最低电感电流点。将平均电流(Iave)与输入电压(Vin)之比绘成波特图即可得到动态曲线(见图2a),可能会导致LED光输出大幅变化。

图2:不带Vin补偿及带Vin补偿时的平均LED电流vs. Vin曲线。
因此,使用输入电压前馈补偿网络来减少由于Iout vs. Vin曲线的非线性响应导致的误差。由电阻R3、R5及加法电阻R4组成的电阻分压器网络(参见图5)用于增加Vin比例电压至FB引脚,从而在Vin增加时降低负载电流。这就起到使图2a曲线平坦化的效果,并降低了总体电流误差(见图2b)。
电阻R9和电容C6用于限制高输入电压外部开关的门极至源极电压。由R9和R2组成的电阻分压器网络用于设定最大门极至源极电压(Vgs):
脉冲反馈电阻
电阻R7与二极管D5用于降低跳脉冲(pulse skipping)的可能性。由于突发模式控制仅涉及一个反馈电压及每周期交叉检测,并不包含使用窗口比较器,有可能产生跳过的脉冲(skipped pulse),这跳过的脉冲不会影响直流调节,但如果脉冲有低频分量,可能会在LED应用中呈现闪烁。
R7和D5增加了流至Ct时序电容C2的电流。这有效地限制了NCP3065可提供的最大占空比。当条件允许低占空比时,R7和D5就使高于所需值的占空比不会出现。在关闭期间,需要D7来阻隔电压,因为这是降压-升压拓扑结构。更多有关脉冲反馈补偿的信息参见安森美半导体的NCP3065数据表。
交流工作Vs.直流
由于有半正弦波输入至降压-升压段,与纯粹直流输入相比,工作点就会不同。由于小尺寸是这设计的一项目标,故在全桥整流器后使用了极小的输入电容。
因此,这样一来,根据所选择的输入电容,线路电压能够降到低至3 V。故转换器的输入是全波整流正弦波。由于稳压器在电压低于约4 V时不工作(non-functional),故存在稳压盲区(dead spot)。因此,我们最后稳压的是120 Hz线路周期中约80%的有限部分,其余约20%则没有稳压。采用交流输入工作时,这会降低平均电流约20%。
当采用大于12 Vac的电压工作时,应当考虑散热问题。在多数应用中,这个模块会增加热耗散。输入电压补偿增加了额外的交流补偿网络,从而应对不同的工作点。 [p]
保护
齐纳二极管Z1和电阻R1,以及NCP3065的限流功能用于开路保护。在出现负载开路事件时,环路将尝试增加输出电压以满足零电流反馈的电流需求。当(Vin+Vout)超过Z1的电压时,电流会流过R1,触发NCP3065的限流功能。
短路保护通过输入端的熔丝F1来处理。电感型负载的浪涌保护也必须慎重考虑,特别是在变压器馈电系统中,这类系统携带大量的源电感,如景观照明应用中的磁变压器就是如此。需要选择恰当电压的浪涌保护器件,其电压不能超过功率FET门极至源极电压,并带有合理电压余量。这可能要求通过反复试验来选择,因为根据需要吸收能量的不同,钳位电压可能会扩展。
增加输出电流
这参考设计的配置针对的是350 mA平均LED电流。增加这参考电路板的电流调节点非常简单,只需要将电流感测电阻R8的值减半,即由250 mΩ减至125 mΩ。此外,也必须增加输入熔丝,以适应增大的输入电流消耗。当转向更高功率的设计时,根据外壳组件(housing)环境参数的不同,可能需要散热片。
测试结果
这参考设计在不同交流输入电压条件下的输出电流及在不同直流电压条件下的能效测试结果分别如图3a及3b所示。其中,如图3b所示,这参考设计在11至17 Vdc范围下能效高于0.75,这个能效数据在这类低功率应用中表现亮眼。

图3:a) Iout vs. Vac b) 能效 vs. Vdc
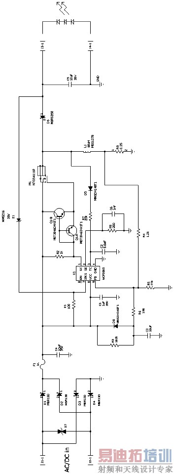
参考设计电路图
这参考设计电路板的实物图见图4,完整电路图则见图5。

图4:参考设计实物图。(尺寸11 mm x 29 mm)。 [p]

图5:安森美半导体用于MR16 LED替代应用的1 W至5 W LED驱动器参考设计电路图。
总结:
本文分析了驱动高亮度LED的挑战,介绍了安森美半导体用于MR16 LED替代应用的1 W至5 W LED驱动器参考设计,包括基本的电路拓扑结构、提供平坦输出电流的突发模式控制、脉冲反馈补偿、交流与直流工作特性对比、保护特性,以及如何修改这参考设计以提供更大输出电流等。测试结果显示,这参考设计在不同交流电压条件下提供较平坦的输出电流,且在不同直流条件下提供出色的能效。
射频工程师养成培训教程套装,助您快速成为一名优秀射频工程师...
天线设计工程师培训课程套装,资深专家授课,让天线设计不再难...
上一篇:基于单片机和可编程逻辑器件实现LED显示屏
下一篇:利用IEEE
1588和Blackfin嵌入式处理器实现设备时钟同步

