- 易迪拓培训,专注于微波、射频、天线设计工程师的培养
三基色LED驱动原理及IC线路设计
在三基色设计应用中通常是,通过调节设定LED电流来达到白平衡和最大的期望亮度值.
我们一般将最简单、最优化的配色方式作为,设计全彩显示技术的颜色再现方法.白平衡是检验颜色组成的重要标志之一.三基色白光一般是红绿蓝三基色按亮度比例混合而成,当光线中绿色的亮度为69%,红色的亮度为21%,蓝色的亮度为10%时,混色后人眼感觉到的是纯白色.早前的CRT电视机到现在的LCD液晶显示都是这样组成的,LED当然将成熟的技术照搬.
LED 红、绿、蓝三色的色品坐标因工艺过程等原因无法达到全色谱的效果,而控制原色包括有偏差的原色的亮度得到白色光,称为配色.当为全彩色LED 显示屏进行配色前,为了达到最佳亮度和最低的成本,应尽量选择三原色发光强度成大致为3:6:1 比例的LED 器件组成像素.白平衡要求三种原色在相同的调配值下合成的仍旧为纯正的白色.单就LED来说是很难实现,为了解决此类问题,一般IC都会设计设置电流大小的功能,便于不同批次LED都可以达到同样的白光效果.
我们一般把可以合成的颜色叫做,原色;在应用中的红、绿、蓝三色叫做,基色.色度图中的三个顶点为理想的原色波长.如果原色有偏差,则可合成颜色的区域会减小,光谱表中的三角形会缩小,从视觉角度来看,色彩不仅会有偏差,丰富程度减少,见下图.
LED 发出的红、绿、蓝光线根据其不同波长特性可大致分为紫红、纯红、橙红、橙、橙黄、黄、黄绿、纯绿、翠绿、蓝绿、纯蓝、蓝紫等,橙红、黄绿、蓝紫色较纯红、纯绿、纯蓝价格上便宜很多.三个原色中绿色最为重要,因为绿色占据了白色中69%的亮度,且处于色彩横向排列表的中心.因此在权衡颜色的纯度和价格两者之间的关系时,绿色是着重考虑的对象.

三基色PWM调光
PWM Dimming (脉宽调制),是LED最佳的灰度调节方式.PWM说的容易理解些,就是控制LED开和关的时间比例,将开和关的时间比例划分为若干等级,LED就会显示出相应数量的灰阶.
PWM频率:刚才说了PWM就是打开和关闭LED的时间比例实现的,但是开关次数不能使太低,最起码要欺骗过眼睛.借鉴电视机的经验一般大于100Hz,有些LED显示屏会受到摄像机的拍摄,有条件的建议设计在300-500Hz较为合理.
在三基色设计应用中通常是,通过调节LED电流来达到白平衡和最大的期望亮度,通过控制PWM来实现灰阶等级.LED领域灰度等级数目分别有7色、8级、16级、32级、64级、128级、256级、512级等几种方式.也可以是不同的数量级,这些数量等级主要是便于数字线路数据处理而已.比如非要划分为100级,那也是可以的.
三基色的灰度等级乘积,是产品理论可以再现的颜色数量,通常我们说多少种颜色.例如:单色是256色,红256(级)×绿256(级)×蓝256(级)= 16777216(16KK种颜色).
单色256级灰度已经完全满足眼睛的色域需要,目前的LCD液晶显示器就是这样,也是目前IC支持最多的灰阶之一.因LED色差较大有使用512级灰度,实际使用矫正后的部分灰度显示.512灰阶比较有代表性的IC有,MBI5030、TLC5940、DM137、DM133、DM412等.点校正的设计方法.这个方法用来在大型显示器中校准每个象素.校准完成后,或者说完成点校正之后,当显示器调整到某个特定亮度时,每个象素都能提供一样的亮度等级.
其它低灰阶等级,可以在设计时按需要不同选择.比如在商业装饰照明上面32级就够了,出文字符号等会更低.单色照明亮度调整16级即可满足要求.

通用型驱动方式-74HC595
74HC595通用逻辑器件,在数字线路上面一直扮演着重要的角色,在LED前阶段没有很好的IC支持时,74HC595串行数据传输在LED上得到了应用.在目前的产品设计中还是有许多厂家使用.实际优势并不明显,74HC595是解决了数据级联传输问题,但是IC并不恒流,一般是靠电阻限流或桥接小电流线路解决.长距离压差问题,恒流显得非常重要,恒流误差也会较大的影响高灰度表现.输出驱动讯号是类似PWM信号,灰度是控制器产生的,要是设计较大的项目,就需要较快的传输速度和刷新率,所以对控制器和线路级联要求相对较高.
目前使用74HC595并不节省成本.一是,时钟、锁存、灰度是并行传输,需要74HC245配合,这也是成本;二是,大数据量的传输速度会增加线路成本和控制器成本,开发难度高.总之,74HC595是借到LED领域使用的,利用三位显示RGB,闲置五位,一定会被专用IC所取代.已经使用习惯了,使用在要求不高的场合还是可以的,新上项目就不建议大家再使用.

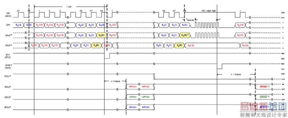
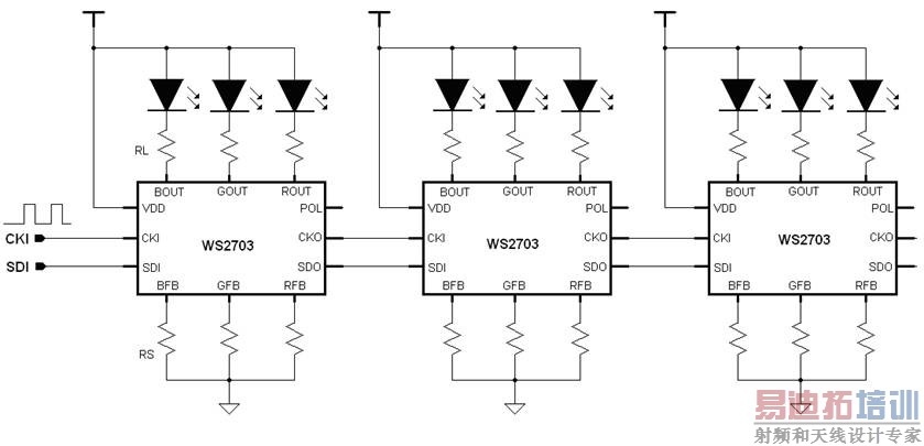
WS2703 芯片是专门为LED 驱动应用设计的芯片,可以应用于LED 显示系统,特比适合多离散点的级连应用.WS2703 提供了3 个恒定电流驱动输出,驱动电流最大为50mA.WS2703 芯片包括串行移位寄存器和输出寄存器.经串行移位寄存器,串移输入转为3bit 并行输出,并把该输出作为输出寄存器的输入.串移寄存器和输出寄存器由不同的时钟信号控制,并且都是在时钟信号的上升沿有效.WS2703 将控制信号驱动后输出,该输出可作为后级电路的输入信号.
[p]
恒流驱动设置
在WS2703中,各通道的通过的恒定电流可由与该通道电流反馈pin端所接的反馈电阻来设定,
恒压驱动
WS2703提供恒定电压驱动模式驱动LED,在该模式下,WS2703兼容ZQL9712.该模式(POL=高电平或者悬空),适用于驱动电流不大于50mA的情况.将Fig5中的RXFB设置为0,即直接将XFB短接到地, WS2703即可工作在该模式下.


外挂恒流驱动模式
WS2703的外挂恒流驱动模式使得其能够以极低的成本串联驱动多个LED,该模式下,POL=高电平或悬空。
在设计中往往我们希望IC耐压越高越好,但是这样会和成本发生冲突.为了我们的设计利益最大化,最佳的方式是低压制成设计,在需要较高的耐压时增加三极管钳位.这样可以随设计不同选择最佳的钳位方式,设计成本也得到了充分的考虑.见下图:

级联信号的驱动和连接
为了实现长距离的级联信号传输, WS2703在SDO和CKO数据时钟输出端口集成了具有强驱动能力的推挽输出电路,在2MHz的时钟频率下能够实现6米的驱动距离.
为了防止传输数据和时钟信号在传输线中反射形成驻波,需要在信号的输入输出端传接一个50Ω的电阻.
点晶科技-DM412
DM412在其它地方也有介绍过,这次要再重提下,主要是这颗IC还是有很多其它IC不可替代的地方. 目前是唯一一款可以支持16位灰度调节的三位移位LED恒流IC.每路输出高达16比特(65536级)灰阶的可调线性电流,单路电流在200mA以内;每路可单独设置电流;内置PWM功能;数据、时钟和锁存讯号输出端均内建缓冲器,支持长串接应用.高灰阶在设计需要灰阶矫正的产品中,这样可以通过软体矫正灯点色差技术应用.
[p]
DM412开路侦测功能:
DM412 提供实时的LED 开路检测功能,无须搭配额外的组件或芯片设计.当输出电流导通而输出电压小于0.3V 时,判定为LED 开路故障.当锁存信号激活时,每个通道的侦测结果会被写入相对应移位寄存器中之每字节最后一比特位置上按R[0], G[0], B[0].开路侦测结果可以从串行输出端口读回.当相对应位置之侦测数据为”1”表示该通道正常,若为”0”则表示该通道开路.为确使LED 开路侦测功能在良好的条件下进行,建议侦测时的影像数据(红绿蓝三色共48 比特)全填为1 以使通道设定为理想的导通状态.

使CKI 保持在高电位,并于其间送入8 个DAI 脉波即可成功启动自动锁存机制. LED 开路侦测数据将从DAO 端口传出. 自动锁存功能只在SDO =‘H’时有效. POL 与STB 或ISTB 皆互为独立.POL 端的任何电位变化都会设置(POL = H-L)或重设(POL = L-H)PWM 输出.
美信-MAX16824
Maxim推出MAX16824/MAX16825 3通道、高亮度LED (HB LED)驱动器,具有6.5V至28V输入电压范围.该系列器件具有三路36V额定、开漏极、恒定电流吸入输出能力,可向三串独立的HB LED提供高达150mA的电流.为优化设计灵活性,该系列IC可以独立设定各个通道的LED电流.为实现这一功能,MAX16824提供三路PWM调光输入,用于独立控制各串LED的亮度,并切换各串LED的导通与关断.而MAX16825则提供了3位透明锁存器、3位移位寄存器以及2Mbps、4线串行接口.该串行接口使器件的所有输出通道均可通过外部微控制器进行控制;同时还可以级联多片MAX16825驱动器,实现协同工作.该系列灵活的LED驱动器对于多种应用,包括工业、建筑以及装饰照明;室内/室外LED视频显示器、汽车内部照明以及LCD背光等应用非常理想.
MAX16824/MAX16825内置调整管,具有很低的压差,因此省去了所需的外部功率晶体管.器件内置的三路调整管可提供±5%精度的LED电流控制,确保优异的亮度匹配,同时缩减了尺寸、降低了整个驱动器方案的复杂度了成本.
MAX16824/MAX16825还可以提供一路+5V的稳压输出,具有4mA的输出电流驱动能力,当发生过热时可提供热关断功能.两个器件均采用热增强型、4mm×4mm、16引脚TSSOP封装,带有裸焊盘.

台湾晶琦科技-SCT2007
SCT2007是针对目前电光源设计产品,已经有1年多的批量,内部有数据修正线路,级联效果好.
四位移位数据输出,在有些设计中需要增加白光亮度或绿色组成会变得非常方便.每路可以独立设置电流,也可以通过5脚SEL设置统一电流.

原理图如下:线路简单,供电部分电阻减压稳压二极管稳压即可.

射频工程师养成培训教程套装,助您快速成为一名优秀射频工程师...

