- 易迪拓培训,专注于微波、射频、天线设计工程师的培养
LinkSwitch—TN系列节能型单片开关电源的电路设计
摘要:在某些家用电器的控制电源以及智能化电能表、住宅供热控制器中,允许使用非隔离电源。介绍了一种LinkSwitch-TN系列单片开关电源,可取代传统的阻容降压式线性电源,为实现高效节能型小功率开关电源的优化设计创造了有利条件。
关键词:节能;单片开关电源;Buck电路;Buck Boost电路;设计
0 引言
某些电子设备和家用电器并不需要使用输入与输出完全隔离的开关电源。例如,直流电机的驱动电源,空调、无霜冰箱和微波炉中的稳压电源,它们本身就属于隔离系统,因此可由非隔离式开关电源供电,但要求这种开关电源的电路简单、电源效率高。
PI公司于2004年1月最新推出LinkSwitch—TN系列四端非隔离式、节能型单片开关电源专用IC,它是专门为取代家用电器及工业领域所用小功率线性电源而设计的,不仅能去掉笨重的电源变压器,还克服了阻容降压式线性电源负载特性差的缺陷。LinkSwitch—TN系列包含LNK304P/G、LNK305P/G、LNK306P/G共6种型号,最大输出电流为360mA,适用于家用电器中的控制电源以及LED驱动器。
1 LinkSwitch—TN系列单片开关电源的性能特点
1)LinkSwitch—TN系列产品能以最少数量的外围元器件,构成非隔离式、节能型开关电源。与传统的“无源(靠电容降压)”解决方案相比,LinkSwitch-TN采用了EcoSmartR节能技术,不仅能达到比电容降压式线性稳压电源更高的效率,而且可提高功率因数。
2)使用灵活,既可设计成正压输出的降压式(Buck)电路,亦可设计成负压输出的降压或升压式(Buck-Boost)电路、降压式LED恒流驱动电路,能满足不同用户的需要。
3)输入电压范围宽,在交流85~265V范围内具有良好的电压调整率和负载调整率。有两种工作模式可供选择,即连续模式(CCM),不连续模式(DCM),多数情况下选择不连续模式。
4)抗干扰能力强,低功耗。LinkSwitch—TN的开关频率为66kHz,频率抖动范围是4kHz。利用频率抖动技术能将电磁干扰降低10dB,还能减小EMI滤波器的功耗。功率MOSFET能快速导通,并且无过冲现象。当电源空载且输入电压为230V时,采用自供电降压电路的功耗仅为80mW;采用外部偏置电路时的功耗低至12mW。
5)保护功能完善。芯片内部有短路后自动重启动的保护电路、开环故障检测及保护电路、限流保护电路和具有滞后特性的过热保护电路。
在交流固定输入230(1±15%)V或交流宽范围输入(亦称通用输入)时,LinkSwitch—TN的最大输出电流值见表1。
表1 LinkSwicth—TN系列产品的最大输出电流值 mA
| 产品型号 | 230(1±15%)V输入 | 85~265V输入 | ||
|---|---|---|---|---|
| 不连续模式 | 连续模式 | 不连续模式 | 连续模式 | |
| LNK304P/G | 120 | 170 | 120 | 170 |
| LNK305P/G | 175 | 280 | 175 | 280 |
| LNK306P/G | 225 | 360 | 225 | 360 |
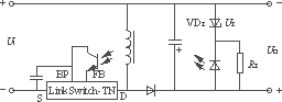
2 LinkSwitch—TN系列单片开关电源的接线方式
2.1 LinkSwitch—TN的7种电路接线方式
LinkSwitch—TN的7种接线方式分别如图1(a)~(g)所示。用户可根据需要选其中一种电路。

(a)正端降压式直接反馈电路

(b)正端降压式光耦反馈电路

(c)负端降压式光耦反馈电路

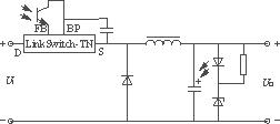
(d)负端降压式LED恒流驱动电路

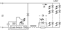
(e)正端升压/降压式直接反馈电路 [p]

(f)正端升压/降压式LED恒流驱动电路

(g)负端升压/降压式光耦反馈电路
图1 LinkSwitch—TN的7种接线方式
2.1.1 正端降压式直接反馈电路
正端降压式直接反馈电路见图1(a)。其主要特点如下:
——输出取决于输入(下同,不再赘述);
——正压输出;
——UO<UI;
——电路简单,成本低;
——UO的精确度约为±10%。
2.1.2 正端降压式光耦反馈电路
正端降压式光耦反馈电路见图1(b)。其主要特点如下:
——正压输出;
——UO<UI;
——采用光耦反馈电路,由外部基准电压决定UO的精确度,输出端不需要接负载电阻,空载时的功耗最低。
2.1.3 负端降压式光耦反馈电路
负端降压式光耦反馈电路见图1(c)。其主要特点如下:
——正压输出;
——UO<UI;
——采用光耦反馈电路,由外部基准电压决定UO的精确度,输出端不需要接负载电阻。
2.1.4 负端降压式LED恒流驱动电路
负端降压式LED恒流驱动电路见图1(d)。它适合驱动LED,其他特点与2.1.3相同。
2.1.5 正端升压/降压式直接反馈电路
正端升压/降压式直接反馈电路见图1(e)。其主要特点如下:
——负压输出;
——升压或降压式输出,做升压式输出时,|UO|>UI;做降压式输出时,|UO|<UI;
——电路简单,成本低,UO的精确度约为±10%;
——即使功率MOSFET失效,输入端电压也不会加到输出端上而损坏负载。
2.1.6 正端升压/降压式LED恒流驱动电路
正端升压/降压式LED恒流驱动电路见图1(f)。该电路适合驱动LED,它比图1(d)所示电路恒流驱动的精确度更高,受环境温度的影响更小。其他特点与2.1.5相同。
2.1.7 负端升压/降压式光耦反馈电路
负端升压/降压式光耦反馈电路见图1(g)。其主要特点如下:
——负压输出;
——升压或降压式输出,做升压式输出时,|UO|>UI;做降压式输出时,|UO|<UI;
——采用光耦反馈电路,由外部基准电压决定UO的精确度,输出端不需要接负载电阻;
——即使功率MOSFET失效,输入端电压也不会加到输出端上;
——空载时的功耗最低。
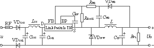
2.2 基本电路结构
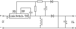
由LinkSwitch—TN系列构成非隔离式电源时有两种基本电路结构,即Buck(降压式)变换器,Buck-Boost(降压或升压式)变换器,分别如图2(a)及图2(b)所示。RF为熔断电阻器,VDIN1及VDIN2为输入级整流管。VDFW为超快恢复二极管。CIN1及CIN2为输入级滤波电容,LIN为输入级电感。CBP为旁路电容,RBAIS为偏置电阻。RFB,CFBB和VDFB分别为反馈电阻、反馈电容和反馈二极管。L为输出级电感,RPL为负载电阻。图2(a)及图2(b)所示电路的主要区别是VDFW及L的接线位置不同。Buck变换器是将VDFW并联在源极与输入电压的负端之间,L串联在源极与输出电压的正端之间。Buck-Boost变换器则与之相反。对于给定的LinkSwitch—TN芯片和电感值,选择Buck拓扑不仅可获得最大输出功率,还能降低LinkSwitch—TN芯片所承受的电压,减小通过滤波电感的平均电流。

(a)Buck变换器 [p]

(b)Buck-Boost变换器
图2 LinkSwitch—TN的两种基本电路结构
3 LinkSwitch—TN系列单片开关电源的典型应用
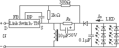
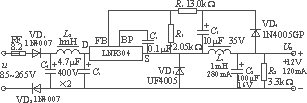
由LNK304构成+12V/120mA非隔离式开关电源的电路如图3所示,其输出功率为1.44W。该电路适用于空调、洗碗机、电饭煲等家用电器的控制电源,亦可用做夜间照明灯、LED驱动器、智能化电能表以及住宅供热控制器,在这些地方允许使用非隔离电源。

图3 +12V/120mA非隔离式开关电源的电路
输入电路由可熔断电阻器RF、二极管VD1及VD2、电容C4及C5和电感L2组成。可熔断电阻器具有以下功能:
——对VD1和VD2起限流保护作用;
——降低串模噪声干扰;
——当其他元器件发生短路故障时,RF迅速被熔断,切断输入电压。
用可熔断电阻器代替保险管的优点是它在熔断时不会产生电火花或烟雾,既安全又不造成干扰。将二极管VD1和VD2串联后,耐压能力可提高到2kV,并且使噪声电流只在二极管导通时通过。
电源调整电路由LNK304、UF4005型超快恢复二极管VD3、输出储能电感L1和滤波电容C2组成。电感L1的峰值电流是由LNK304P的极限电流来限制的,其控制方案与TinySwitch中的开/关控制器很相似。
由于VD4(玻璃钝化的1N4005GP)和VD3的正向压降相同,因此C3两端的电压能跟随输出电压的变化。C3上的电压经过电阻R1和R3分压后送至LNK304的引脚FB。为达到所期望的输出电压值,UFB应等于0.65V。
LNK304是通过跳过周期的方式来对输出电压进行调节的。当输出电压升高时,流入引脚FB的电流IFB也会增加,若电流IFB>49μA,则随后的周期将被跳过去,直到IFB<49μA。因此,当负载减轻时将跳过许多周期;负载加重时跳过的周期较少。如果发生输出过载、输出短路故障,LinkSwitch—TN开关就进入自动重启动阶段,输出功率降至POM×6%,从而限制了平均输出功率。R2为负载电阻,可将轻载或空载时的输出电压与额定输出电压的误差控制在±10%以内。取R2=2.4kΩ时,预设的负载电流为5mA。
实测该开关电源的负载调整曲线如图4所示。

图4 负载调整曲线
4 电路设计要点
下面以图3为例,介绍LinkSwitch—TN的电路设计要点。
4.1 续流二极管VD3
采用不连续模式时,VD3应选择trr≤75ns的超快恢复二极管作为续流二极管;采用连续模式时,要求trr≤35ns。UF4005属于超快恢复二极管,其trr=30ns,能满足上述两种工作模式的需要。不要使用快恢复二极管,因为,这种管子的反向恢复时间为几百ns,在启动过程中会使LinkSwitch—TN总处于连续工作模式,从而产生上升沿很高的尖峰电流强迫转换周期提前结束,使输出无法达到稳定状态。
4.2 反馈二极管VD4
反馈二极管VD4可选用廉价的整流管,如1N4005型整流管,但最好采用玻封管,这种管子的反向恢复时间较短。此外,VD4和VD3的正向压降应相等。
4.3 电感L1
推荐L1采用带铁氧体磁芯的电感,以降低成本并减小音频噪声。L1的电感量应大于或等于设计值,所能承受的有效值电流也要留出一定余量。
4.4 输出级滤波电容C2
C2的主要作用是平滑滤波。鉴于输出的纹波电压与C2的等效串联电阻(ESR)呈函数关系,因此,要尽量选择低ESR的电容。
4.5 反馈电阻(R1)和偏置电阻(R3)
由R1和R3构成的电阻分压器应使引脚FB的电压保持在1.65V。R3可选择标称阻值为2kΩ/±1%的电阻。
4.6 反馈电容C3
C3可选普通的电解电容,它具有“取样保持”的功能。在LinkSwitch—TN关闭时间内,C3上的电压被充电到输出电压值。C3的电容量范围是10~22μF,当电容量取得过小时会降低在小负载情况下的稳压性能。
4.7 负载电阻R2
当最小负载电流小于3mA时,直接反馈式电路要求有一个负载电阻来维持输出电压的稳定。选择R2=4kΩ时,可使IOmin=3mA。
此外,在光耦反馈式电路中还需要给外部稳压管接限流电阻(RZ),将稳压管的工作电流限制在1~2mA,以减小空载时输出的纹波电压,参见图1(c)。
5 结语
LinkSwitch—TN系列单片开关电源具有性能先进、使用灵活、电路简单、成本低廉等优点,具有良好的应用前景。利用LinkSwitch—TN还可设计多路输出式开关电源,其特点是电源的总输出电压及总输出电流等于各路输出之和(对负压应取绝对值)。
射频工程师养成培训教程套装,助您快速成为一名优秀射频工程师...

