- 易迪拓培训,专注于微波、射频、天线设计工程师的培养
一种谐波和无功电流检测的新算法
0 引言
随着电力电子技术的发展,电力电子装置的应用越来越广,但是其产生的谐波对电网的污染,以及电磁干扰等,也带来了危害。另一方面,现代用电设备对电能质量更加敏感,对供电质量提出了更高的要求。而有源滤波器可以消除谐波,提高电力系统运行的稳定性,其研究和应用越来越受到人们的重视。
有源滤波器消除谐波的基本原理主要有两种:一种是向电网注入与负载的无功和谐波电流大小相等、方向相反的电流来补偿无功和抑制谐波,称为并联型有源滤波器;另一种是向串联变压器副边注入基波补偿电流,使串联变压器对电网基波电流呈低阻抗,对谐波电流呈高阻抗[1],从而抑制谐波,这种方法称为串联型有源滤波器。另外,还有串并联型、混合型等。但是,无论采用哪一种,首先都必须将谐波和无功电流的值检测出来。目前比较成熟的电流检测方法主要有基于瞬时无功功率理论[2]的p瞦检测法[3]和 i p- i q检测法[4]。但这两种方法须进行两次坐标变换,计算量较大,其中 i p- i q检测法需要采用锁相环,而锁相环存在实现复杂,检测精确不高的问题。
本文研究了一种谐波和无功电流检测的新算法,并给出仿真结果和实验结果。
1 谐波和无功电流检测方法的原理
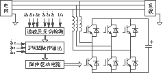
图1是并联型有源滤波器的系统框图,其基本原理是:通过检测环节计算出负载的谐波和无功电流,然后控制逆变电路输出,向电网注入与负载的无功和谐波电流大小相等、方向相反的补偿电流,从而使电网电流中只含有基波有功分量。这样,该装置既可以实现对谐波的滤波作用,又可以提供电力系统所需的无功电流,便可大大提高电能利用率,提高经济效益。
图1 并联型有源滤波器的系统框图
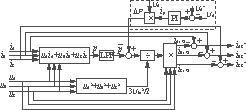
本文提出一种新的谐波和无功电流检测算法,图2为负载谐波和无功电流的检测原理图,图中虚线框内为直流侧电压控制部分。如图2所示,首先检测出实际负载电流和电网电压,对这6个量进行计算即可得到所需的三相负载谐波和无功电流。
图2 谐波和无功电流检测算法原理图
为简单起见,假定电网电压三相对称、无畸变,则
u A= U Msin ωt
u B= U Msin( ωt -2π/3)(1)
u C= U Msin( ωt +2π/3)
负载电流 i A, i B, i C可以表示为基波与谐波之和,即
i
A=
i
A1+
i
A
k
i
B=
i
B1+
i
B
k
(2)
i
C=
i
C1+
i
C
k
考虑到负载不对称,将电流分为正序、负序、零序,则基波电流为
i A1= i 1+sin( ωt - φ )+ i 1-sin( ωt + θ 1-)+ i 10
i B1= i 1+sin( ωt - φ -2π/3)+
i 1-sin( ωt + θ 1-+2π/3)+ i 10
i C1= i 1+sin( ωt - φ +2π/3)+
i 1-sin( ωt + θ 1--2π/3)+ i 10(3)
式中: i 1+, i 1-, i 10为基波正序、负序、零序分量的幅值;
φ 为功率因数角;
θ 1-为基波负序的初始相位。
谐波电流也分为正序、负序、零序, k 次谐波电流可表示为
i A k = i k +sin( kωt + θk +)+ i k-sin( kωt + θk -)+ ik 0
i B k = i k +sin( kωt + θk +-2π/3)+ ik -sin( kωt + θk -+2π/3)+ ik 0
i C k = i k +sin( kωt + θk ++2π/3)+ ik -sin( kωt + θk --2π/3)+ ik 0(4)
式中: ik +, ik -, ik 0为 k 次谐波正序、负序、零序分量的幅值;
θk +及 θk -为谐波正序、负序的初始相位。 [p]
三相有功功率的瞬时值 p 可由式(5)得到。
p
=
u
A
i
A+
u
B
i
B+
u
C
i
C=
u
A(
i
A1+
i
A
k
)+
u
B(
i
B1+
i
B
k
)+
u
C(
i
C1+
i
C
k
)=(
u
A
i
A1+
u
B
i
B1+
u
C
i
C1)+
(
u
A
i
A
k
+
u
B
i
B
k
+
u
C
i
C
k
)={3
U
M
i
1+cos
φ
/2-3
U
M
i
1-cos(2
ωt
+
θ
1-)/2}+
{3
U
M
ik
+cos〔(
k
-1)
ωt
+
θk
+〕/2}-{3
U
M
ik
-cos〔(
k
+1)
ωt
+
θk
-〕/2}(5)
式(5)包含直流和一系列谐波分量。谐波频率最低可达100Hz,经过低通滤波,功率中的谐波分量可以滤去,只剩下稳态值 p (3 U M i 1+cos φ /2),其中 i 1+cos φ 就是基波正序电流有功分量的幅值。对于A相,基波正序电流有功分量 i A1有= i 1+cos φ sin ωt 。由式(6)可以得到
i
A1有=
i
1+cos
φ
sin
ωt
=
=
(6)
同理可以得到其他两相基波正序电流的有功分量 i B1有= i 1+cos φ sin( ωt -2π/3), i C1有= i 1+cos φ sin( ωt +2π/3)。
从实际负载电流 i A, i B, i C中减去以上得到的基波正序电流的有功分量 i A1有, i B1有, i C1有,即可得到负载谐波和无功电流,以此作为三相逆变器输出的补偿电流指令,即
i AC*= i A- i A1有
i BC*= i B- i B1有(7)
i CC*= i C- i C1有
另外,有源滤波器运行中应维持逆变器直流侧电压 U d的恒定。图2中虚线框中表示的是直流侧电压控制部分。如图2所示,将给定值 U d*与实际检测值 U d的差输入PI调节器,输出乘以实际直流测电压 U d,结果作为有功的增量Δ P 。将Δ P 叠加到图2中低通滤波器的输出,使 i C*中有一定的基波有功电流,使逆变器直流侧电容从交流侧获得能量,补偿有源滤波器的运行功耗,从而使 U d稳定在给定值 U d*。
2 仿真和试验结果
采用MATLAB中的SIMULINK模块对这种检测算法进行仿真,仿真结果如图3所示。由仿真波形可知该检测算法计算出的基波有功电流同电网电压完全同相位,且为标准正弦,这说明检测出的谐波和无功电流是完全准确的。
图3 负载谐波和无功电流检测的仿真波形
图中:1电网电压 2负载电流 3检测出的基波有功电流 4检测出的谐波和无功电流波形
实验样机容量设计为6kW,电压为三相380V,负载为电机和不控整流桥。控制部分以TI公司的DSP芯片TMS320S2407为核心,谐波及无功电流检测以及PWM脉冲信号的产生都由相应的软件实现。
软件中主要涉及到的功能模块有:事件管理器、A/D转换模块、中断服务程序。用T1定时器定时启动A/D转换,对电网电压、负载电流、电网电流和直流侧电压依次采样,设定采样频率为10kHz。A/D转换完成后产生ADC中断,在中断服务子程序中实现算法,计算出谐波及无功电流即补偿电流指令。其中,低通滤波器采用截止频率为20Hz的二阶Butterworth滤波器。电流控制方法采用三角载波调制法,将补偿电流指令与实际的补偿电流相比较,差值送入数字PI调节器,PI调节器的输出与高频三角载波进行调制,由PWM模块产生6路PWM控制信号,其中三角载波由定时器实现,频率为10Hz。
将6路PWM控制信号送至驱动电路,最终通过IGBT产生相应的补偿电流注入电网。整个系统的仿真结果、实验结果如图4及图5所示。
图4 系统仿真波形 [p]
(a) 电网电压、负载电流
(b) 电网电压、电网电流
图5 系统实验波形
实验和仿真有类似的结果。由图5系统实验波形可知,实际负载电流中含有大量的谐波及无功分量,电网电压由于负载影响有部分畸变。经过补偿,电网电流基本为正弦,且与电压同相位。
3 结语
本文提出的这种新的电力系统谐波和无功电流的检测算法可以检测出包括基波无功电流、零序电流、负序电流及谐波电流在内的所有有害电流。仿真与实验结果验证了这种检测算法的正确性和可行性。这种算法不需要锁相环,不需要进行矩阵变换,具有计算准确,实现简单的特点。
射频工程师养成培训教程套装,助您快速成为一名优秀射频工程师...
天线设计工程师培训课程套装,资深专家授课,让天线设计不再难...
上一篇:基于FPGA的高速数据处理系统设计
下一篇:基于空间矢量调制的三相矩阵式变换器

