- 易迪拓培训,专注于微波、射频、天线设计工程师的培养
临界断续模式PFC在电子镇流器中的应用
摘要:分析了TinySwitch并虻墓ぷ髟理和主要性能特点,表明了它在构成小功率开关电源时的低成本、高可靠性和高效率等优点,并讨论了其在待机电源中的应用。
关键词:TinySwitch并颍豢关电源;待机电源
1 引言
近年来,单片开关电源以其构成电源系统的低成本、高可靠性和设计灵活性等优点越来越受到电源设计者的欢迎。TinySwitch-Ⅱ系列是美国Power Integrations公司继TinySwitch之后,最新推出的第二代增强型高效小功率隔离式开关电源用集成电路,该系列产品包括TNY264P/G,TNY266P/G,TNY267P/G,TNY268P/G,共8种型号。TinySwitch-Ⅱ是TinySwitch的改进产品,用它构成电源系统时,成本比分立元件PWM和其他集成/混合式电源方案低、体积小、效率和可靠性高,特别适合于要求低成本、高效率的应用场合,如移动电话充电器、PC机及电视机待机电源、AC适配器、设备控制和网络终端等。
2 TinySwitch-Ⅱ的性能特点
TinySwitch-Ⅱ和TinySwitch一样具有简单的拓扑电路,但最大输出功率由10W提高到23W。TinySwitch-Ⅱ不仅象TinySwitch一样将700V功率MOSFET,振荡器,高压开关电流源,流限和热关断电路集成到了单片器件内,由漏极电压提供启动和工作能量,不需要变压器偏置绕组及相关电路,而且还在器件内结合了自动重启动、输入欠压检测和频率抖动功能。这种设计有效地消除了音频噪声。全集成的自动重启动电路将输出短路或控制环开路等故障情况下的输出功率限制在安全范围内,既限制了短路输出电流也保护了负载、同时减少了元件数,降低了次级反馈电路的成本。线路欠压门限可用一只检测电阻外部设定,从而消除了在待机电源等应用中,由于输入存储电容缓慢放电而产生的电源掉电故障。开关频率从44kHz提高到132kHz,允许使用低价格、小尺寸的EF12.6或EE13型磁芯,从而减小了高频变压器的体积、提高了电源效率,同时它的132kHz的工作频率是抖动的,可以显著降低准峰值和平均EMI,使得滤波成本最低。另外,它有极高的能效和可靠性。
3 引脚功能描述
如图1所示,TinySwitch-Ⅱ系列单片开关电源采用8脚双列直插式(DIP-8)或表面粘贴式(SMD-8)封装,其各引脚功能描述如下:
图1 引脚配置图
漏极(D)引脚 功率MOSFET的漏极输出引脚,为启动和稳态工作提供内部工作电流;
旁路(BP)引脚 该端与地(S极)之间需接一只0.1μF的旁路电容;
使能/欠压(EN/UV)引脚 此引脚具有输入使能和输入欠压检测两个功能,正常工作时,通过此引脚可控制功率MOEFET的通断(当该脚的电流大于240μA时将功率MOSFET关断),此引脚还通过与输入直流高电压相连的外部电阻来检测欠压情况,若该引脚没有与外部电阻相连,则没有输入欠压功能;
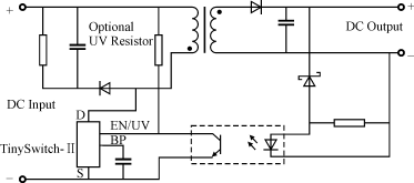
源极(S)引脚 控制电路的公用点,连接到内部MOSFET的源极,4个源极在内部是相连通的,它们被划分成两组,其中2个S端须接控制电路的公共端,另2个S(HVRTN)端则接高压返回端,其典型应用电路如图2所示。
图2 典 型 应 用 电 路
4 工作原理
图3为TinySwitch-Ⅱ的功能框图。其内部集成了一个耐压为700V的功率MOSFET和一个开/关控制器。与传统的PWM控制器不同,它使用一简单的开/关控制器来稳定输出电压。振荡器的频率为132kHz,振荡器中还增加了频率抖动电路,抖动量为±4kHz,该功能使EMI的均值和准峰值噪声均较低。
图3 功 能 框 图 [p]
TinySwitch-Ⅱ通常是工作在极限电流的模式下。启动时,它在每个时钟周期的起始对EN/UV引脚信号取样,然后根据取样结果决定是否跳过周期或跳过多少个周期,同时确定适当的极限电流阈值。当漏极电流 I D逐渐升高并达到 I LIMIT值或占空比达到最大值 D maxx时,使功率MOSFET关断。满载时TinySwitch-Ⅱ在大部分周期内导通,中等负载时则要跳过一部分周期并开始降低 I LIMIT值,以维持输出电压稳定,轻载或空载时,则几乎要跳过所有周期并且进一步降低 I LIMIT值,使功率MOSFET仅在很短时间内导通,以维持电源正常工作所必需的能量。这本质上是引入了PFM调制的原理。另外,在轻负载状态下,当开关频率有可能进入音频范围内时,流限状态调节器以非连续方式降低流限,较低的流限值使得开关频率保持在音频以上,降低了变压器的磁通密度从而减轻了音频噪声。
EN/UV引脚的使能电路包含一个输出设定为1.0V的低阻抗源级跟随电路,流经该电路的电流被限制在240μA,当流出此引脚的电流超过240μA时,使能电路的输出端会产生逻辑低(禁止)。连接在直流电源和EN/UV引脚间的外接电阻可用于监测直流输入电压,当电压低于设定值时,欠压检测电路就将旁路端电压UBP从正常值5.8V降至4.8V,强迫功率MOSFET关断,起到保护作用;当输出MOSFET关断时,5.8V稳压器通过漏极电压抽取电流将旁路引脚上连接的旁路电容充电至5.8V,当MOSFET导通时,TinySwitch-Ⅱ消耗存储在旁路电容中的能量;另外,TinySwitch-Ⅱ中还有一个6.3V并联稳压器,当电流经外部电阻注入旁路引脚时,稳压器将旁路引脚电压箝位在6.3V,这样能方便地通过偏置绕组对TinySwitch-Ⅱ外部供电,将空载功耗降至约50mW。
当发生输出过载,输出短路或开环故障时,TinySwitch-Ⅱ能自动重启动,直至排除故障后转入正常工作状态;极限电流检测电路用来检测功率MOSFET的漏极电流是否达到极限值,在每个开关周期内当电流达到极限电流ILIMIT时功率MOSFET就在此周期的剩余时间内关断;TinySwitch-Ⅱ的旁路引脚上仅需0.1μF的电容,由于电容小,充电时间极短,一般为0.6ms,因此上电过程迅速且电源输出无过冲。当EN/UV引脚和直流输入的正极间接了外部电阻(2MΩ)时,上电期间功率MOSFET的开关将被延迟到直流电压超过门限值(100V)以后。断电时,如果使用了外接电阻,功率
MOSFET在输出失调后仍将继续开关50ms,该特性在用做待机电源时,使待机电源具有缓慢关断的特性。
5 TinySwitch-Ⅱ在待机电源中的应用
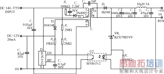
图4是一基于TNY267P,功率为15W的PC机待机电源电路,该电路提供两路输出:主输出5V,3A和初级辅输出12V,20mA。输入电压范围为DC140~375V,132kHz的工作频率使得变压器磁芯可用EE22型,线路检测电阻 R 2和 R 3检测直流输入电压是否出现欠压。 R 2和 R 3组合的阻值为4MΩ,将上电时的欠压门限设为DC 200V,一旦开启电源,只要整流直流输入电压高于140V,它都将继续工作,直到降到低于140V才关机,这种设计方案可为待机电源提供所需的保持时间。辅助初级绕组生成12V输出电压供电源初级控制器使用,另外,此电压还用于通过 R 4向TinySwitch-Ⅱ供电。从外部向TinySwitch-Ⅱ供电(尽管不是必须),由于不再使用内部漏级驱动电流向旁路引脚电容 C 3充电,从而能降低器件的静态功耗。 R 4阻值为10kΩ,为旁路引脚提供600μA电流,比TinySwitch-Ⅱ的电流消耗略大,多余的电流由片内的稳压管安全地箝位在6.3V。次级绕组由D3和 C 6整流滤波,由于自动重启动功能限制短路输出电流,因而勿须使用更大的D3, L 1和 C 8实现开关噪声滤波。光耦U2和VR1用于5V的输出检测, R 5用以给稳压管提供偏置电流。由于TinySwitch-Ⅱ限制了光耦LED电流的动态范围,使稳压管能以接近恒定偏置电流工作,因而得以提供一般所需要的精度(大约±3%)。该电源效率高于78%。
图4 PC机待机电源电路
6 结语
本文通过讨论TinySwitch-Ⅱ的工作原理及主要性能特点,表明在小功率开关电源应用中,它具有元件数少,成本低,体积小,可靠性和效率高等优点,有着广泛的应用前景。
射频工程师养成培训教程套装,助您快速成为一名优秀射频工程师...
天线设计工程师培训课程套装,资深专家授课,让天线设计不再难...
上一篇:基于RCP的混合型电力滤波器设计
下一篇:广电系三网融合受阻
专家建议统一技术平台

