- 易迪拓培训,专注于微波、射频、天线设计工程师的培养
矩阵式变换器双向开关四步换流技术研究
摘要:对矩阵式变换器(MC)中双向开关的安全换流课题进行了研究。分析了各种换流方案,进而提出采用可编程逻辑元件(GAL)的四步换流方案,仿真和实验的结果证实了这种换流方案的可行性与可靠性。
关键词:矩阵式变换器;双向开关;可编程逻辑器件;四步换流
0 引言
1979年,意大利学者M.Venturini第一次提出了矩阵式变换器存在理论及控制策略。与传统的交—交变频器及交—直—交变频器相比,矩阵式变频器具有明显的优点:高功率因数、低谐波污染、可四象限运行、无中间储能环节、体积小且效率高。随着交流变频调速技术成为当代电气传动中实现自动化和节能的主要技术手段,矩阵式变换器(MC)的研究已成为电力电子技术研究的热点之一。
1 矩阵式变换器及双向开关
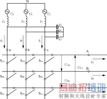
图1是矩阵式变换器的原理性结构,它可用一个虚拟的整流器和虚拟的逆变器构成。采用这样的结构可以充分利用交—直—交变换器中成熟的PWM技术。
图1 矩阵式变换器的原理性结构图
三相矩阵式变换器采用9个双向开关组成3×3的矩阵式结构,因而三相输入中的任意一相可与三相输出的任意一线相连,采用一定的开关控制策略可使输出线间平均输出电压为所需频率下的正弦调制电压,同时可使输入电流正弦并与输入电压同相。调制过程中,组成双向开关的单向器件间的换流是矩阵式变换器实现中的关键。
目前常用的IGBT组合双向开关主要有3种形式,即由单个IGBT和二极管组合成的桥式双向开关,共发射极反向串联IGBT组合的双向开关和共集电极反向串联IGBT组合的双向开关,如图2所示。
(a)桥式组合双向开关结构
(b)共发射极反向串联IGBT
(c)共集电极反向串联IGBT
图2 双向开关构成方案
桥式组合双向开关任意时刻都有三个器件参与导通,导通压降较大,损耗较高。共发射极和共集电极反向串联IGBT组合双向开关使用两个IGBT,利用器件内部的续流二极管以阻挡反向电压,结构紧凑,方便简单,开关损耗也较低,故获得了广泛的应用。
2 三种换流方案的比较
2.1 死区换流方案
安排死区以避免换流时刻输入线间短路,缺点是在有缓冲电路和电感性负载时开关为硬开关运行方式,缓冲能量被释放时会伴随能量损耗。
2.2 重叠换流方案
重叠换流是以输入线间短暂的短路过程来实现电流的切换,缺点是限流电感体积大、成本高,同时又有可能引入新的过电压。
2.3 四步换流方案
为保证MC的输入电流和输出电压都是正弦波,对9组双向开关都实行PWM控制,各开关须按一定规律进行切换。为了保证安全切换,同一相输出的任意两组开关不能同时导通,否则将造成输入两相短路;三相开关也不能同时断开,即在两组开关切换期间不能插入死区,否则就造成感性负载开路而感应高电压。这样,既不能两组开关交叠导通,又不允许有切换死区,必须有严格的逻辑控制才行,四步换流方案能很好地满足这个要求。
3 四步换流过程
图3是接到同一相负载的两组双向开关的换流示意图。 u 1及 u 2表示两相输入电压瞬时值,S1和S2表示两组双向开关, p 和 n 表示每组开关的正向和反向, u L和 i L分别是负载上的输出电压和电流。
图3 同一相负载两组开关的换流示意图
四步换流要实现对两个双向开关的换流控制,必须既要禁止可能使电源发生短路的开关组合,又要保证在任意时刻给负载提供至少一条流通路径,那么,满足这些条件的开关组合共有8组,列于表1。
表1 安全换流的开关组合方案
| S1p | S1n | S2p | S2n | i L方向 | |
|---|---|---|---|---|---|
| 1 | 1 | 1 | 0 | 0 | +- |
| 2 | 0 | 0 | 1 | 1 | +- |
| 3 | 1 | 0 | 0 | 0 | + |
| 4 | 0 | 1 | 0 | 0 | - |
| 5 | 0 | 0 | 1 | 0 | + |
| 6 | 0 | 0 | 0 | 1 | - |
| 7 | 1 | 0 | 1 | 0 | + |
| 8 | 0 | 1 | 0 | 1 | - |
表1中的第一种开关状态直接切换到第二种开关是不行的,这样会造成电源断路。但当 i L>0时,由状态1经过状态3、7、5,再切换到状态2则是可行的。同理, i L<0时,由状态4、8、6也可实现状态1到2的切换。图4绘出了这两种四步换流次序。 [p]
(a) i L>0 (b) i L<0
图4 安全的四步换流次序图
4 四步换流的死区补偿
采用滞环比较器和过零比较器得到电流方向,并预测电流是否在死区时间内可能过零,如果不会,则第一步可以在DSP发出PWM信号之前完成,如图5所示,则四步换流的死区共为 t d= t c1+ t c2+ t c3,死区补偿后的死区时间共为 t d= t c2+ t c3。
图5 死区补偿后的四步换流
5 GAL的四步换流方案
GAL22V10是Lattice公司生产的复杂可编程逻辑器件,其引脚间最大的传输时间为4ns,相应的计数器频率可达250MHz,具有电可擦除的CMOS结构和浮动门技术,可100次重复擦写,数据储存可达20年之久。
图6所示为矩阵式变换器的某一输出相的三个双向开关状态转换图。1表示为开关导通,0表示开关关断,前两位、中间两位和后两位分别表示与三个输入相连的双向开关。图中,椭圆形框表示稳态,矩形框表示暂态。可见,要正确实现四步换流需要知道当前状态、下一时刻状态、负载电流方向及定时器换流时间,判断得出正确的换流信号和顺序并输出到每个IGBT器件的栅极,完成换流所需的时序逻辑。
图6 矩阵式变换器的某一输出相的开关状态转换图
6 实验仿真
图7是实验中一对双向开关换流过程的实际波形,图8是实验中两相正向开关换流过程的实际波形,可见通过DSP已成功地实现了开关之间的安全换流。通过仿真软件Matlab/Simulink也可以对矩阵式变换器(MC)双向开关的四步换流过程进行验证,采用理想开关对矩阵式变换器一相电路换流过程进行仿真,其输出电压仿真波形如图9所示。
图7 一对双向开关换流过程实验波形 [p]
图8 两相正向开关换流过程的实验波形
图9 输出电压仿真波形
实验中采用IGBT以集电极反串联组合构成双向开关,图10是输出线电压实验波形。
x:t/10.0ms/格 y:v/200V/格
图10 输出线电压实验波形
观察IGBT器件上集、射极间电压波形,可见四步换流可以将器件换流时产生的电压过冲限制在合理选定的电压耐量范围内,确保器件安全工作。
7 结语
本文针对GAL控制的矩阵式变换器(MC)双向开关四步换流方案进行,然后以DSP为核心构成了矩阵式变换器的硬件系统,设计了控制系统软件,完成了异步电机拖动实验。实验结果验证了该方案的有效性。
射频工程师养成培训教程套装,助您快速成为一名优秀射频工程师...
天线设计工程师培训课程套装,资深专家授课,让天线设计不再难...
上一篇:结构化综合布线系统的问题分析
下一篇:一种新颖的自适应PWM逆变电源

