- 易迪拓培训,专注于微波、射频、天线设计工程师的培养
5W可调光非隔离式LED驱动电路设计
本文介绍使用LinkSwitch-PL系列器件LNK457DG设计的非隔离式LED驱动器(电源)。在12 V和18 V的LED灯串电压下可提供350 mA单路恒流输出。使用标准的AC市电可控硅调光器可将输出电流降低至1% (3 mA),这不会造成LED负载性能不稳或发生闪烁。该电路可同时兼容低成本的前沿调光器和更复杂的后沿调光器。
该电路用于在通用AC输入电压范围内(85 VAC至265 VAC,47 Hz至63 Hz)进行工作,但在0 VAC至300 VAC的输入电压范围内也不会造成损坏。这样可以提升现场应用可靠性,延长在线电压跌落和浪涌条件下的使用寿命。基于LinkSwitch-PL的设计可提供高功率因数(>0.9),有助于满足所有现行国际标准的要求,可使单个设计全球通用。
该电源所选用的外形可满足标准梨形(A19) LED替换灯的要求。输出采用非隔离式,要求外壳的机械设计能够将电源输出和LED负载与用户隔离。
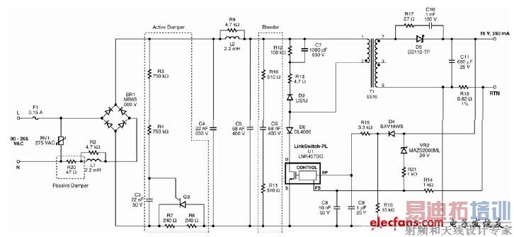
一、电路原理图

图1 电路原理图
二、电路描述
本电路为非隔离式、非连续导通模式反激转换器电路,以350 mA的输出电流为电压为12V到18 V的LED灯串提供驱动。驱动器完全能够在宽输入电压范围内工作,并提供高功率因数。本电路可同时满足输入浪涌和EMI要求,其元件数较少,能够使电路板尺寸满足LED灯泡替换应用的要求。
1 、调光性能设计指南
对于使用低成本的可控硅前沿相控调光器提供输出调光的要求,我们需要在设计时进行全面的权衡。由于LED照明的功耗非常低,整灯吸收的电流通常要小于调光器内可控硅的维持电流。这样会产生调光范围受限和/或闪烁等不良情况。由于LED驱动器的阻抗相对较大,因此在可控硅导通时,会产生很严重的振荡。在可控硅导通的一瞬间,一股非常大的浪涌电流会流入驱动器的输入电容,从而激发线路电感并造成电流振荡。这同样会造成类似不良情况,因为振荡会使可控硅电流降至零并关断,同时造成LED灯闪烁。为克服这些问题,电路中采用了两个电路功能块–一个有源衰减电路和一个泄放电路。这些电路功能块的缺点是会增大功耗,进而降低电源的效率。
在本设计中衰减电路和泄放电路的取值能够使一个电路板与的绝大多数调光器(600 W以下的调光器并包括低成本前沿可控硅调光器)在整个输入电压范围内正常工作。这一设计可实现在高压输入时将一个灯连接一个调光器来实现无闪烁照明。一个灯在高压下工作会导致最小输出电流和最大浪涌电流(可控硅导通时),这代表最差情况。因此,主动衰减电路和泄放电路的作用非常明显:泄放电路可降低阻抗,衰减电路可提高阻抗。但这会增加功耗,进而降低驱动器的效率和整个系统的效能。
要求将多个灯连接到一个调光器以便正常工作会降低泄放电路所需的电流,此时可增大R10和R11的值并减小C6的值。
如果使灯具仅在低压(85 VAC至132 VAC)下工作时,可在前沿可控硅调光器导通时出现的峰值电流大幅降低时降低R7和R8的值。这两种更改都会降低散耗和提高效率。对于非调光应用,可直接省去这些元件,用跳线替代R7和R8,从而提高效率,但不会改变其他性能特性。 [p]
2 、输入EMI滤波和输入整流
EMI滤波器经优化可降低对调光性能的影响。电阻R20为可熔电阻。如果某个元件故障会导致输入电流过大,应选择可熔电阻来使开路失效。与非PFC设计或无源PFC设计相比,薄膜电阻(相对于线绕电阻)是可以接受的。这会在输入电容充电时降低瞬间功率耗散,但对于在高压下工作的设计建议使用2W的额定值。此外,它们可以限制相位超前可控硅调光器导通以及电容C4和C5充电时所产生的浪涌电流。当可控硅以90度或270度角导通时出现最差条件(浪涌电流达到最大),它对应于AC波形的波峰。最后,它们可以在前沿可控硅导通时衰减在AC输入阻抗与电源输入级之间由浪涌电流再次导致的任何电流振荡。
两个π型差模滤波器EMI级与C1、R2、L1和C2一起形成一个级,C4、L2、R9和C5形成第二个级。在测试时发现,没有要求C1满足传导EMI限值,因此没有装配。AC输入由BR1进行整流,由C4和C5进行滤波。所选取的总等效输入电容(C4、C5与C6的和)可确保LinkSwitch-PL器件对AC输入进行正确的过零点检测,这对于在调光期间维持正常工作和实现最佳性能很有必要。
3 、有源衰减电路
有源衰减电路用于限制调光器内的可控硅导通时所产生的浪涌电流、相关电压尖峰和振荡。该电路在每个AC半周期的短暂时间内连接与输入整流管串联的阻抗(R7和R8),在剩下的AC周期则通过一个并联SCR (Q3)旁路。电阻R3、R4和C3决定Q3导通前的延迟时间。
4 、泄放电路
电阻R10、R11和C6形成泄放电路,确保初始输入电流量足以满足可控硅的维持电流要求,特别是在可控硅导通角不够大的情况下。对于非调光应用,可同时去除有源衰减电路和泄放电路。为此,可删除下列元件:Q3、R20、R3、R4、R10、R11、C6及C3。 将R7、R8及R20替换为0欧电阻。
5 、LinkSwitch-PL初级
LNK457DG器件(U1)集成了功率开关器件、振荡器、输出恒流控制、启动以及保护功能。集成的725 V MOSFET提供更宽的电压裕量,即使在发生输入浪涌的情况下仍可确保高可靠性。该器件通过去耦电容C9从旁路引脚获得供电。启动后,C9由U1从内部电流源并经由漏极引脚进行充电,然后在正常工作期间则由输出经由R15和D4进行供电。经整流和滤波的输入电压加在T1初级绕组的一端。U1中集成的MOSFET驱动变压器初级绕组的另一侧。D2、R13、R12和C7形成RCD-R箝位电路,对漏感引起的漏极电压尖峰进行限制。
二极管D6用于防止IC在功率MOSFET因反射输出电压超过DC总线电压而关断时产生负向振荡(漏极电压振荡低于源极电压),确保以最小输入电容实现较高的功率因数。
6、输出整流
变压器的次级由D5整流,由C11滤波。选用肖特基势垒二极管来提高效率。由于C11在AC过零点期间提供能量存储,因此它的值决定了线电压频率输出纹波的幅值(因采用全波整流而为2 x fL )。因此可根据所需的输出纹波来调整该值。对于所显示的680微F值,输出纹波为±IO的50%。电阻R17和C10用来衰减高频振荡,改善传导及辐射EMI。
7、输出反馈
恒流模式设定点由R18上的电压降决定,然后馈入U1的反馈引脚。输出过压保护由VR2和R14提供(R14对电流检测信号的影响微不足道,可忽略不计)。
射频工程师养成培训教程套装,助您快速成为一名优秀射频工程师...
天线设计工程师培训课程套装,资深专家授课,让天线设计不再难...
上一篇:超小型ADC提升低功耗医疗应用
下一篇:基于USB
2.0的边界扫描控制器设计

