- 易迪拓培训,专注于微波、射频、天线设计工程师的培养
TI TPS24720 2.5V-18V热插拔控制方案
TI 公司的TPS24720 是容易使用全特性保护的2.5V-18V热插拔控制器.器件驱动外接N沟MOSFET,起动时能精确地限流,可编程FET SOA保护,可调整电流检测阈值,短路时具有快速中断保护,工作电压2.5V到18V,主要用在服务器背板,存储区域网(SAN),通信子板,医疗系统,插入模块和基站.本文介绍了TPS24720主要特性, 方框图,10A时12V的典型应用电路图以及评估模块TPS24720EVM-001主要特性,电路图和材料清单与PCB布局图.
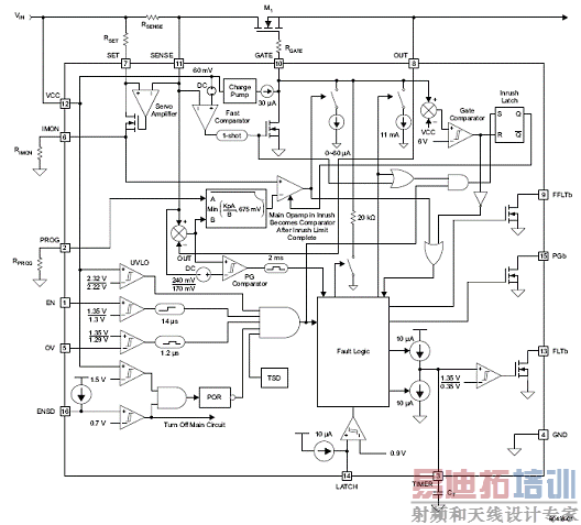
The TPS24720 is an easy-to-use, full-featured protection device for 2.5-V to 18-V power rails. This hot-swap controller drives an external N-channel MOSFET, while protecting source, load and external MOSFET against multiple potentially damaging events. During startup, load current and MOSFET power dissipation are limited to user-selected values. After startup, currents above the user-selected limit will be allowed to flow until programmed timeout – except in extreme overload events when load is immediately disconnected from source.
Programmable power limiting ensures the external MOSFET operates inside its safe operating area (SOA) at all times. This allows use of smaller FETs while improving system reliability.
TPS24720主要特性:
2.5-V to 18-V Operation
Accurate Current Limiting for Startup
Programmable FET SOA Protection
Adjustable Current Sense Threshold
Programmable Fault Timer
Power-Good Output
Fast Breaker for Short-Circuit Protection
Analog Load-Current Monitor Output
Programmable UV and OV
Low-current Standby Mode
FET Fault Detection Flag
3-mm × 3-mm, 16-Pin QFN package
TPS24720应用:
Server Backplanes
Storage Area Networks (SAN)
Telecommunications Mezzanine Cards
Medical Systems
Plug-In Modules
Base Stations
图1.TPS24720方框图
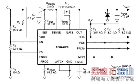
图2.TPS24720典型应用电路图(12V/10A)
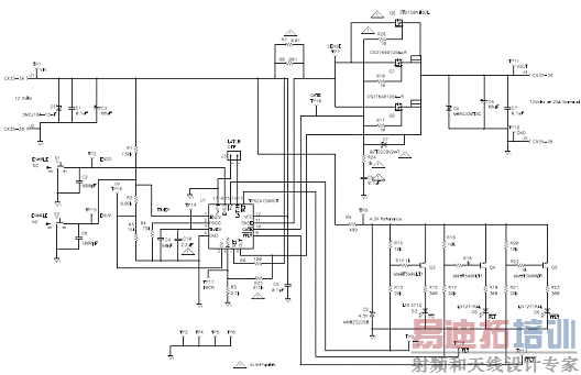
图3.TPS24720设计案例中简化方框图
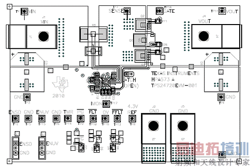
评估模块TPS24720EVM-001
The TPS24720EVM-001 is a fully assembled and tested circuit for evaluating the TPS24720 Positive Voltage Power-Limiting Hotswap Controller. The evaluation module is a 12V, 25A hot swap controller operating in latch off or re-try mode with an external MOSFET.
评估模块TPS24720EVM-001主要特性:
+2.5V to +20V Operation
Programmable Power Limit for FET Protection
Programmable Fault Timer
Load Current Indicator Output
High-side Drive for External NFET
Power Good Output - Open-Drain
UV, OV Inputs
16-pin QFN [p]
评估模块TPS24720EVM-001应用:
• Server
– Plug-in Circuit Boards
– RAID/Disk Drive
• Telecom
– ATCA
– Micro-ATCA
• General Hot Plug
图4.评估模块TPS24720EVM-001电路图
评估模块TPS24720EVM-001材料清单(BOM):


图5.评估模块TPS24720EVM-001 PCB布局图(顶层)
详情请见:
http://focus.ti.com/lit/ds/symlink/tps24720.pdf
和
http://focus.ti.com/lit/ug/sluu458/sluu458.pdf
射频工程师养成培训教程套装,助您快速成为一名优秀射频工程师...
天线设计工程师培训课程套装,资深专家授课,让天线设计不再难...
上一篇:基于TMS320C642电子稳像算法的实现
下一篇:PIC系列单片机应用设计与实例

