- 易迪拓培训,专注于微波、射频、天线设计工程师的培养
TMS320LF2407在天然气发动机控制中的应用
摘 要:本文介绍了TI(美国德州仪器)公司推出的一种面向数字控制系统开发的新型可编程DSP芯片TMS320LF2407的主要特点,及其在天然气发动机控制系统中的应用。该控制系统硬件电路简单,系统可靠,实时性高。
1 引言
近年来,数字信号处理器(DSP)芯片已经广泛用于自动控制、图像处理、通信技术、网络设备、仪器仪表
仪器仪表
广义的说仪器仪表也可具有自动控制、报警、信号传递和数据处理等功能,如气动调节仪、电动调节仪表,以及集散型仪表控制系统等也皆属器仪表。仪器仪表能改善、扩展或补充人的官能。如显微镜、望远镜、声级计、酸度计、高温计等,可以扩展人的视、听、尝、摸外部事物的官能;有些仪器仪表,如磁强计、射线计数计等,可感受和测量到人所不能感受到的物理量;还有些仪器仪表可以超过人的能力去记录、计算和计数,如高速照相机、计算机等。 [全文]
和家电等领域;DSP为数字信号处理提供了高效而可靠的硬件基础。目前,应用最广泛的DSP芯片是TI(德州仪器)公司的产品,TMS320C2000系列是该公司的适合于数字控制的一种DSP。这种系列DSP芯片具有完美的性能并集成了闪存、高速A/D转换器、高性能的CAN模块等,因此使用它可以降低开发难度,缩短产品开发时间,有效地降低开发成本,具有很高的性价比。TMS320LF2407芯片是TMS320C2000系列中最新的、集成度最高、性能最强的运动控制DSP芯片。
天然气作为动力能源是传统燃料的理想替代品。各种天然气发动机的专用电子控制系统不断地涌现,使天然气发动机的动力性、经济性、排放性等各项性能不断提高。天然气专用发动机通过良好的控制可以比同等的汽油机和柴油机具有更低的排放,并且动力性能有很大的提高,因此选用高性能的DSP芯片设计好天然气发动机控制系统是非常重要的。
2 TMS320LF2407芯片简介
DSP芯片是一种具有特殊结构的微处理器。该芯片的内部采用程序和数据分开的哈佛结构,具有专门的硬件乘法器,广泛采用流水线操作,提供特殊的指令,可以用来快速地实现各种数字信号处理算法。
TMS320x24x系列数字信号处理器是TI(美国德州仪器)公司推出地一种面向数字马达控制、嵌入式控制系统和数字控制系统开发的新型可编程DSP芯片。TMS320LF240x是x24x系列DSP控制器中的新成员,是为了满足控制应用而设计的。LF240x的片内程序存储器
存储器
存储器是用来存储程序和数据的部件,有了存储器,计算机才有记忆功能,才能保证正常工作。它根据控制器指定的位置存进和取出信息。 [全文]
为Flash EEPROM,包括LF2402、LF2406和LF2407三个型号。LF2407是x240x系列DSP控制器*能最强、片上设施最完备地一个型号,被广泛用于代码开发、系统仿真及实际系统中,其主要特点:
(1) 采用高性能静态CMOS技术,使得供电电压降为3.3V,减小了控制器的功耗;30MIPS的执行速度使得指令周期缩短到33ns(30MHz),从而提高了控制器的实时控制能力。
(2) 两个事件管理器模块EVA和EVB,每个包括:两个16位通用定时器;8个16位的脉宽调制(PWM)通道。适用于控制交流感应电机、无刷直流电机、步进电机和逆变器等。
(3) 10位A/D转换器最小转换时间为500ns,可选择由两个事件管理器来触发两个8通道输入A/D转换器或一个16位通道输入的A/D转换器。
3 TMS320LF2407芯片在天然气发动机控制系统中的应用
传统的控制系统是选用单片机
单片机
单片机是单片微型计算机(Single-Chip Microcomputer)的简称,是一种将中央处理器CPU随机存储器RAM、只读存储器ROM、多种I/O口和中断系统、定时器/计时器等功能(可能还包括显示驱动电路、脉宽调制电路、模拟多路转换器、A/D转换器等电路)采用超大规模集成电路技术集成到一块硅片上构成的微型计算机系统。 [全文]
来控制,一是其运行速度不高,达不到很好的实时控制,不能有效的起到在线检测控制的效果;二是单片机的集成度较低,片上不具备运动控制系统所需的专用外设,这就需要较多的元器件,增加了系统电路的复杂性,降低了系统的可靠性。然而选用TI(美国德州仪器)公司的x240x系列DSP芯片,片上集成了专用的运动控制外设电路,且其内部的DSP核可提供更高的运算速度、运算精度和处理大量数据运算的能力。DSP芯片能较好地满足系统的实时性要求,能够比较方便实现复杂的控制算法。 [p]
3.1控制系统的硬件设计
控制系统的主要功能是通过两个转速传感器
传感器
凡是利用一定的物性(物理、化学、生物)法则、定理、定律、效应等把物理量或化学量转变成便于利用的电信号的器件。传感器是测量系统中的一种前置部件,它将输入变量转换成可供测量的信号”。按照Gopel等的说法是:“传感器是包括承载体和电路连接的敏感元件”,而“传感器系统则是组合有某种信息处理(模拟或数字)能力的系统”。传感器是传感系统的一个组成部分,它是被测量信号输入的第一道关口。 [全文]
和一个温度传感器,一个转速传感器测得信号来控制各缸的点火时间,另一个转速传感器测得信号来计算转速,温度传感器是测量排放尾气的温度,通过测得的转速和尾气温度来判断发动机的运行情况,再根据一些控制规则来调节电磁阀来控制天然气和空气的进气量,从而使发动机的转速恒定,以提高天然气发动机的动力性能。
控制系统采用TMS320LF2407的DSP芯片,系统的外围元件很少,电路结构很简单,系统结构简图如图1所示:

图1系统结构简图
1)人机接口部分的设计:
主要设计8位LED显示和20键键盘,一是为了转速和排气温度的显示,一是点火角度的输入和调整。采用了一种键盘和数码管
数码管
数码管是一种以发光二极管为基本单元的半导体发光器件。在我们日常生活中,比如电子秤、电子数码钟等的显示都是利用数码管实现,数码管现今已得到广泛的应用。 [全文]
的智能控制芯片HD7279A和DSP芯片相连,只需用DSP的4个I/O口,能够有效的减少硬件电路,提高系统可靠性。由于TMS320LF2407的I/O口输出都是3.3V,和HD7279A引脚相连时可以加钳位电路。
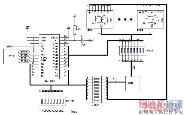
HD7279A是一片具有串行接口的智能显示驱动芯片,可同时驱动8位共阴式数码管和连接64键的键盘矩阵,无需外围元件可直接驱动LED,单片即可完成LED显示和键盘接口的全部功能。电路如图2所示:
HD7279A应连接共阴式数码管,应用中无需用到的键盘和数码管可以不连接。若不用键盘,则图2中的连接到键盘的8只10K电阻
电阻
电阻,物质对电流的阻碍作用就叫该物质的电阻。电阻小的物质称为电导体,简称导体。电阻大的物质称为电绝缘体,简称绝缘体。 [全文]
和8只100K下拉电阻均可以省去。若使用了键盘,则电路中的8只100K下拉电阻均不得省略。若不用数码管,则图2中串入DP及SA-SG连线的8只0.2K电阻可省去,否则不能省略。实际应用中8只下拉电阻和8只键盘连接位选线DIG0-DIG7的8只位选电阻应遵从一定的比例关系,下拉电阻应大于位选电阻的5倍而小于其50倍,典型值为10倍。
HD7279A需要外接RC振荡电路以供系统工作,其典型值分别为R=1.5K,C=15pF,若芯片无法正常工作,要首先检查此振荡电路。

图2 键盘和LED显示 [p]
2)信号采集部分的设计
控制系统主要采集天然气发动机的转速和排气温度。
转速传感器采集的信号是脉冲信号经过LF356放大,再经过LM339比较器整形后,通过光电隔离送到DSP的I/O口,通过所得的脉冲信号个数来计算出转速值。
排气温度在800度左右,因此温度信号使用K型热电偶采得,由AD590构成热电偶冷端温度补偿,经过OP07放大后送到DSP的模拟信号端口。电路框图如图3所示:

图3 转速、温度信号采集框图
AD590是一种恒流源形式的温度传感器,只需在其二端加上一定的工作电压,则其输出电流随温度变化产生线性变化,温度每变化1℃,输出电流变化1μA。采用AD590对热电偶进行温度补偿,根据不同的热电偶的塞贝克系数,选取合适的电阻,使其读数变化的电压变化与热电偶此时的冷端电动势抵消,从而达到温度补偿。
3.2软件设计
软件采用汇编语言编写,使用TI公司的CC2000开发环境,主程序主要是实现显示功能和数据采集功能。主程序流程图如图5所示:

图4 主程序流程图
在控制程序中,将计算出的转速和温度与期望值比较,得出误差和误差变化率,再根据制定好的控制规则来调整燃气和空气的电磁阀,从而改变燃气和空气的进气量,以便输出恒定的转速。DSP芯片内部具有电动机控制专用硬件机制,能够直接产生PWM波形,这样可以直接用来控制燃气和空气的电磁阀。
4 结语
基于DSP芯片构成的控制系统事实上是一个单片系统,因为整个控制所需的各种功能都可由DSP芯片来实现。因此,可以减小目标系统的体积,减少外部元件的个数,增加系统的可靠性。对于那些性能和精度要求高、实时性强、体积小的场合,基于DSP芯片来构成控制系统是具有很高性能价格比的实现方法。
射频工程师养成培训教程套装,助您快速成为一名优秀射频工程师...
天线设计工程师培训课程套装,资深专家授课,让天线设计不再难...
上一篇:基于DSP的便携式雷达系统
下一篇:基于DSP的无刷直流电机智能控制系统研究

