- 易迪拓培训,专注于微波、射频、天线设计工程师的培养
让LED更高效的驱动设计
1 引言
LED的市场越来越广阔,究其原因,无外乎低廉的生产成本、高可靠性、极佳的效率以及瞬态响应能力,无论是手持终端设备,还是车载乃至建筑照明,无不在用到LED。白炽灯在现在的生活中虽然还是应用的主力,白炽灯泡可以发出各种各样的光线,但是在具体的应用中我们通常只需要绿色、红色以及黄色光线--例如交通信号灯。若要使用白炽灯泡,则需使用一个滤波器,这会浪费一些光能,而LED则可以直接产生所需颜色的光线,并且在上电时,LED几乎是瞬间发光,而白炽灯则需要200mS的响应时间。因此,LED比白炽灯更能使用这个时代的用电需求。
2 LEDI-V特性
图1显示了典型InGaAlPLED的正向电压特征。您也可以把LED作为电压源与电阻串联建模,并查看模型与实际测量之间的密切关联性。电压源拥有一个负的温度系数,当结温上升时,电压源的正向电压会发生负的变化。InGaAlPLED(黄色和琥珀红)的系数在-3.0mV/K到-5.2mV/K之间,而InGaNLED(蓝色、绿色以及白色)的系数则在-3.6mV/K和-5.2mV/K之间。这就是为什么不能直接对LED进行并联的一个原因。产生热量最多的器件往往需要更大的电流,更大的电流会产生更多的热量,进而引起散热失控。

图1 LED作为电阻与电压源串联建模
图2显示了作为工作电流函数的相对光输出(光通量)。很明显,光输出与二极管电流是密切相关的,因此可以通过改变正向电流进行调光。并且,在电流较小时,曲线几乎是一条直线,但是在电流增大时,其斜率变小了。这就是说,在电流较低的时候,若将二极管电流增大一倍,则光输出也会增加一倍;但是电流较高的时候,情况就截然不同了:电流上升100%仅能使光输出量增加80%。这一点很重要,因为LED是由开关电源驱动的,这会导致在LED中产生相当大的纹波电流。实际上,电源的成本在某种程度上是由所允许的电流大小决定的,纹波电流越大,电源成本就越低,但光输出会因此受到影响。

图2 电流超过1A以上,LED效率就会降低 [p]
图3量化显示了叠加于DC输出电流之上的三角纹波电流所引起的光输出的减少。在绝大多数情况下,该纹波电流的频率高于肉眼可以看到的80Hz。并且,肉眼对光线的响应是指数式的,不能察觉出小于20%的光线减弱。因此,即使LED中出现相当大的纹波电流,我们也不会察觉出光输出的减少。

图3 纹波电流对LED光输出的轻微影响
此外,纹波电流还通过提高功耗而影响LED性能,这可能导致结温升高,而且对LED的使用寿命有重大影响。图4给出了一个例子,其中LED的相对光输出是时间和结温的函数。如果我们确立了LED的使用寿命光输出为额定的80%,则LED的使用寿命将从74摄氏度时的10000小时延长到63摄氏度时的25000小时。

图4 高结温会缩短LED的使用寿命
图5量化显示了由于纹波电流造成的LED功耗的增加。与LED的散热时间常量相比,由于纹波频率较高,因此高纹波电流(以及高峰值功耗)不会影响峰值结温,其是由平均功耗决定的。LED的大部分压降就像一个电压源,因此电流波形对功耗没有影响。然而,压降有一个电阻分量,并且功耗由该电阻乘以均方根(RMS)电流的平方决定。
图5还阐明即使是在纹波电流较大的时候,对功耗也没有重大影响。例如,50%的纹波电流仅增加不到5%的功率损耗。当大大超过此水平时,您需要减小电源的DC电流以保持结温不变,从而维持半导体的使用寿命。根据经验结温每降低10摄氏度,半导体的使用寿命就会延长两倍。并且,由于电感的限制许多的设计都倾向于更小的纹波电流。绝大多数的电感的设计旨在处理小于20%的Ipk/Iout纹波电流比率。

图5 纹波电流增加了LED的功耗
3 典型应用
LED中的电流在很多情况下都是由镇流电阻或线性稳压器进行控制的。但是,本文中我们主要讲述的是开关稳压器。在驱动LED时常用的三种基本的电路拓扑为:降压拓扑、升压拓扑以及降压-升压拓扑。采用何种拓扑结构取决于输入电压和输出电压的关系。 [p]
在输出电压始终小于输入电压的情况下,应使用降压稳压器,图6显示了该拓扑结构。在该电路中,对电源开关的占空比(dutyfactor)进行了控制,以在输出滤波器电感L1上确立平均电压。当FET开关闭合时(TPS5430内部),其将输入电压连接到电感,并在L1中形成电流。环流二极管D2提供了开关断开时的电流路径。电感可对流经LED的电流起到平滑的作用,通过用电阻监控(测量)LED电流,并将该电压与控制IC内部的参考电压进行比较,从而最终实现对流经LED的电流的调节。如果电流太低,则占空比增加,平均电压也上升--从而也就导致了电流的升高。由于电源开关、环流二极管以及电流检测电阻上的压降非常低,该电路可提供极佳的效率。

图6 降压LED驱动器逐步降低输入电压
当输出电压总是比输入电压大时,最好是采用如图7所示的升压转换电路。该电路的U1中也有一个带有控制电子器件的高度集成的电源开关。当开关闭合时,电流流经电感到接地。当开关断开时,U1引脚1上的电压会不断升高,直到D1导通。然后电感放电,电流进入输出电容器(C3)和LED串。在大多数应用中,C3通常用于平滑LED电流。如果没有C3,则LED电流将是断断续续的。也就是说,它会在零和电感电流之间切换,这会导致LED热量增加(从而缩短使用寿命),并且亮度减少。在前面的例子中,LED的电流是通过一个电阻检测的,并且占空比会发生相应地变化。请注意本拓扑存在一个严重的问题,即它没有短路保护电路。若输出短路,则会有较大的电流通过电感器和二极管,从而导致电路故障,或者输入电压崩溃。

图7 高度集成的升压LED驱动器逐步升高输入电压
许多时候输入电压范围变化很大,其可以高于或低于输出电压,此时降压拓扑和升压拓扑结构就不起作用了。并且,可能在升压应用中需要短路保护。在这些情况下,您可能非常想使用降压-升压拓扑结构(请参见图8)。当电源开关闭合、电感有电流通过时该电路就相当于升压电路;当电源开关断开时,电感开始放电,电流进入输出电容和LED。不过,输出电压不是正的,而是负的。此外,请注意本拓扑中不存在像升压转换转中出现的短路问题,因为其通过使电源开关Q1开路,提供了短路保护功能。该电路的另一个值得注意的特性是虽然其是一个负的输出,但并不需要对传感电路的电平进行转换。在本设计中,控制IC接地到负的输出,并且可直接测量电流检测电阻R100上的电压。尽管本例中仅显示了一个LED,但是通过串联可以连接许多LED。电压的上限是控制IC的最大额定电压;输入电压加上输出电压的和不能超过该限值。

图8 降压-升压电流可限制和处理广泛的输入范围
4 关闭环控制电路
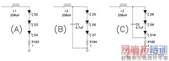
关闭LED电源上的电流环路比关闭传统电源上的电压环路要简单的多。环路的复杂性取决于输出滤波器结构。图9显示了三种可能的结构:只有一个电感的简单滤波器(A);典型的电源滤波器(B);以及改良的滤波器(C)。

图9 电位输出滤波器结构 [p]
为每一个功率级都构建一个简单的P-Spice模型,以阐明每一功率级控制特性的区别。降压功率FET和二极管的开关动作建模为压控电压源,增益为10,而LED则建模为与6V电压源串联的3Ω的电阻。在LED和接地之间添加了一个1Ω的电阻,用于对电流进行检测,图10显示了其结果。在电路A中,该响应就是稳定的一阶系统的响应。DC增益由压控电压源(LED电阻和电流检测电阻构成的分压器)确定,系统的极性由输出电感和电路电阻决定,补偿电路则简单地由类型2放大器构成。电路B由于增加了输出电容,因此有二阶响应。若LED的纹波电流过大并达到难以接受的程度,则可能需要该输出电容,这是由于EMI或热量等问题的出现造成的。DC增益与第一个电路一样。不过,在输出电感和电容确定的频率处有一对复极点。
滤波器的总相移为180度。若没有很好地设计补偿电路,可能会导致系统不稳定。补偿电路的设计与传统电压模式电源相类似,传统电压模式电源要求有一个类型3的放大器。与电路A相比,该补偿电路增加了两个组件以及一个输出电容。在电路3中我们对输出电容进行了重定位,以便更容易对电路进行补偿。LED的纹波电压与电路B类似,所不同的是电感的纹波电流流过电流检测电阻R105。因此在计算功耗时也要考虑到这一部分功耗。该电路有一个零点,一对极点,并且其补偿设计与电路A差不多简单,DC增益也与前两个电路相同。该电路的电容和LED串联电阻引入了一个零极,并拥有两个极点,一个由输出电容和电流检测电阻确定;另一个则由电流检测电阻和输出电感确定。在高频率时,其响应与电路A一样。

图10 电位滤波器的增益和相位图
5 调光
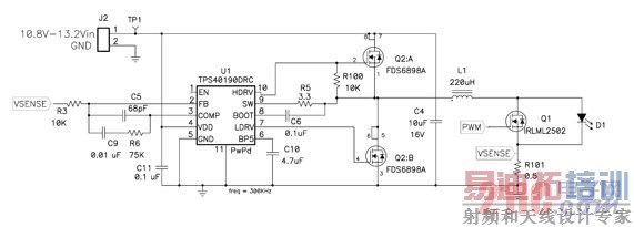
通常,我们需要对LED进行调光。例如,您需要调低显示器或建筑照明的亮度。实现上述目标有两种方法:您既可以降低LED的电流,也可以快速地开关LED。效率最低的方法是降低电流,因为光输出并不完全与电流呈线性,并且LED的色谱往往是在电流小于额定值时才会发生变化。请不要忘记,人们对亮度的感知是指数式的,因此调光可能需要对电流进行很大更改,这对电路设计会造成很大的影响。考虑到电路的容差,满负载电流值工作时3%的调节误差可以造成10%负载时的30%或更高的误差。通过电流波形的脉宽调制(PWM)进行调光更为准确,尽管这种方法存在响应速度问题。在照明和显示器应用上,PWM需要高于100Hz的频率,以使肉眼感觉不到闪烁。10%的脉冲宽度在毫秒范围内,并要求电源的带宽大于10kHz,此项工作可以通过图9(A与C)中简单的环路轻松地完成。图11阐明了带PWM调光功能的降压功率级电路。在本例中,LED轻松地闭合/断开电路。通过这种方式,控制环路总是处于激活状态,并实现了极快的瞬态响应(请参见图12)。

图11 Q1用于对LED电流进行脉宽调制

图12 PWM技术可实现亚微秒的LED开关速度
6 结语
LED的应用和前景我们都有目共睹,但在实际生活中仍存在不少问题,需要去解决。在汽车应用中,由于对可靠性和安全性的要求非常高,LED器件就得到了最大程度的应用。车载电气系统对电源质量要求很高,因此,必须设计保护电路避免在电压超过60V时出现“抛负载”现象。建筑照明LED的电源设计问题也很多,由于其经常是离线式运行,因此需要进行功率因数校正,以及对电流和亮度的控制。另外,LED正被广泛地整合到投影和电视等产品中,此类产品要求快速的响应、控制良好的电流、以及完美的开关控制,这些都给设计人员提出了新的挑战,也就意味着LED将趋向更广阔的市场。
射频工程师养成培训教程套装,助您快速成为一名优秀射频工程师...
天线设计工程师培训课程套装,资深专家授课,让天线设计不再难...
上一篇:基于DSP的矢量控制变频调速系统设计
下一篇:CMOS振荡器设计

