- 易迪拓培训,专注于微波、射频、天线设计工程师的培养
一种用于座舱显示器的直下式RGB LED背光驱动技术
摘要:使用直下式RGB LED 作为座舱用液晶显示器背光源,并采用背光模块分区技术; 通过对背光源驱动电路的设计,使用CAN 总线通讯,实现了显示器背光模块的光强根据周围环境光的三原色光强或用户喜好自动或手动调节。该设计能更好地满足座舱内用户的需求。
引言
为使座舱内的用户随时得到准确、可靠的信息,座舱内使用的显示器必须具有高可靠性; 同时,为提高其易读性和缓解视觉疲劳,显示器的光强还应能根据周围环境和用户需求进行调整,避免用户在环境光很强时看不清显示内容,或在环境光很暗时感到刺眼。目前,液晶( LCD) 显示器已广泛用于商业、工业及军事等领域。而LED 背光源是国家863 重点攻关课题,其在稳定性、可视性、环保、发光效率、色彩饱和度、体积、动态控制等方面具有明显优势,正在迅速普及。
本文设计了一种将LED 背光源运用到座舱显示器的驱动电路,其中采用了国际上较为领先的直下式RGB LED 背光驱动技术,并将背光模块分区,利用CAN 总线技术保证有效通讯; 电路的设计使显示器背光模块的光强能够根据环境光的三原色光强或用户喜好自动或手动调节。该设计能够更好地满足座舱内用户的观看需求。
1 背光模块
1. 1 RGB LED 背光模块
传统的LCD 背光源采用的是冷阴极荧光灯( CCFL) ,色彩还原性差,仅能提供NTSC ( NationalTelevision System Committee) 标准中色域的72%;而LED 背光源色彩还原性好,可以达到NTSC 标准中色域的105% ,甚至超过120%,并且寿命长、不含汞。
LED 背光模组按入射位置一般分为侧光式和直下式; 按LED 种类可分为RGB LED 与白光LED。与侧光式背光源相比,直下式背光源由于LED 分布在面板的后方,亮度分布更均匀。RGB LED 背光采用了RGB 三原色的LED 作为独立发光元件,与白光LED 相比,具有更好的亮度、对比度和色彩还原性。
采用RGB LED 作为背光模组,显示器的色域范围最高能达到NTSC 色域的150% 左右,同时,RGB LED背光源支持背光区域调整技术,动态对比度可达到千万: 1 级[5]。通过分析,直下式RGB LED 更适合作为座舱环境下的LCD 显示器背光源。图1 为采用直下式LED 背光源的LCD 显示器结构示意图。

图1 采用直下式LED 背光源的液晶显示器顶视图
由于LED 光源为点光源,我们需要对其进行光学设计,形成亮度均匀的面光源。另外我们对背光模块屏幕进行了分块,每块区域采用三片LED 驱动集成电路分别对三原色LED 的发光强度进行控制。
1. 2 自动调节光强度
由于人眼习惯于看受环境光影响的自然界中的物体,本文设计的背光模块的亮度模拟在自然界中物体的亮度特性,其中的R、G、B 三色LED 亮度达到最大值时,显示屏的白平衡达到最好。
电路检测环境光的光强,使环境光经三原色传感器分解成红、绿、蓝信号,其大小分别用xR、xG、xB表示,然后根据环境光的强度分别调节背光源的三原色光强度。将背光模块需要发出的三原色的光强分别用yR、yG、yB表示。使背光模块需要发出的三原色光强与环境光的三原色光强的关系为:
![]()
式中,i 可取R、G、B; bi是环境光为0 时背光源第i 种颜色的光强,k i是参照自然界中普通物体在自然光照射下的光强特性而设定的,ki和bi都大于0,其值存储在单片机中,并可以根据用户的需要改变。
控制模块通过三原色传感器不断对环境光的光强及背光模块的三原色实际光强进行测量,控制LED 驱动集成电路输出相应的PWM 信号,从而实现背光模块的光强能根据周围环境光的照度自动调节。
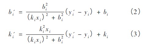
1. 3 手动调节光强度
如果用户对自动调节的光强不满意,可根据个人喜好手动调节背光模块的光强。背光模块调节前的三原色光强为yi,经人工调节后的三原色光强为y'i,通过y'i计算出b'i、k'i:

该二式计算出的b'i和k'i可能会非常小,针对这种情况,在电路中设置了bmini和kmini。比较b'i和bmini,将较大的值作为调整后的bi值存入电路中; 比较k'i和kmini,将较大的值作为调整后的ki值存入单片机中。从而完成对背光模块光强和环境光强度之间关系的修改。
系统初始化时设定bi和ki的初始值为bsi和ksi,并存储到单片机内,用户可以通过按键使bi和ki还原到bsi和ksi。
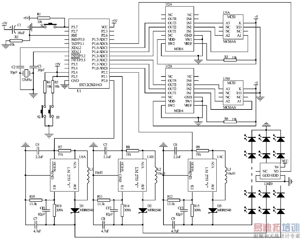
2 驱动和检测电路
座舱式显示设备主要集中在中尺寸,本文设计的是7 寸液晶显示器的背光驱动电路。检测和驱动部分的电路原理图如图2 所示。

图2 检测和驱动部分的原理图
电路中采用STC12C5624AD 单片机作为控制模块; 采用National Semiconductor 生产的LM 2733 升压电源,分别驱动红、绿、蓝三色LED; 以LM20 作为温度传感器,随时检测LED 的温度,保证LED 正常工作; 选用光敏二极管MCS3AS 作为三原色传感器,将光信号转换为红、绿、蓝的三原色的电信号; 通过按键控制是否复位到初始值及手动调光。
为提高系统的可靠性,将液晶的背光模块分为9个区域。同时,为滤除50Hz、60Hz 干扰信号,本电路对环境光及背光模块的光强信号进行采样时,采用1s 采样600 个点求平均值的方法。
3 通讯模块
为保证通讯的可靠性,本设计采用CAN 总线通讯。CAN 网络是一种有效支持分布式控制或实时控制的串行通讯网络,其总线规范已被ISO 国际标准化组织制定为国际标准,并被公认为是最有前途的现场总线之一。由于其设计成本低、通讯可靠性高,广泛应用于控制系统中各检测和执行机构之间的数据通信。
将单片机、三原色传感器、温度传感器、LED 驱动集成电路作为一个节点,采用SJA1000 和TJA1040作为节点的通讯器件。节点单片机将背光信息和环境光信息发送到CAN 总线上,同时也能够接收到CAN 总线上的信息。本设计采用的传输速率为500kbps。
4 结论
以上通过对液晶显示器背光源进行调研,结合座舱环境对显示器的要求,设计了一种用于座舱的直下式RGB LED 背光驱动电路,它能自动或手动调节显示器背光源的亮度。经测试使用,采用本设计技术的LCD 显示屏在周围光线较亮时仍具备可读性,保证了显示器显示信息的安全性和可靠性。
由于本设计采用分区设计,其背光电路设计方案也可用于大尺寸液晶显示器中。
射频工程师养成培训教程套装,助您快速成为一名优秀射频工程师...

