- 易迪拓培训,专注于微波、射频、天线设计工程师的培养
智能防盗防火及照明控制系统的实现
随着经济的快速发展及社会的进步, 人们出差及在外工作的时间逐渐增长,当家里、商场、机房或实验室等公共场所空无一人时,最令人担心的可能是安全问题,比如是否会有小偷破门而入, 是否因为各种电源线路由于长时间使用而引起火灾等等; 并且现在绝大多数电灯在使用时都是由人手动操作,尤其当我们半夜回家时摸不到开关,当灯光不足或在上楼梯时手动开启电灯,这都会给我们带来诸多的不便。另外,常常会由于工作人员的疏忽在人离开之后忘记关闭设备而导致用电的浪费。为了解决以上问题,在本系统设计中,考虑采用单片机为主控制器,用热释人体红外模块、温度传感系统及光敏二极管来分别来检测室内有无人员以及室内温度, 从而控制室内灯光开启的明暗程度,且当温度超准及时报警等功能,总体设计了一个智能防盗防火及照明控制系统,实时调节和控制室内灯光的照明,从而达到智能控制、节能及防盗防火的目的。
1 原理与设计
1.1 系统总体设计
在本系统设计中,采用单片机为主控制器,以热释人体红外和温度传感系统来检测室内有无人员以及室内温度,设计一个智能防盗防火控制系统,另外又以光敏二极管来探测室内的光照强度,实时调节和控制室内灯光的照明,从而达到智能控制和节能的目的。
根据系统设计要求,并考虑到系统的可行性,整个系统的设计框图如图1 所示。系统以单片机为主控制器,分别控制着人体感应模块、温度采集模块、光度采集模块、光管亮度模块和报警模块。通过51 单片机和热释人体红外来检测区域内是否有人,如有人再检测其光度是否需灯光并且实现该调在哪个档位,并由指示灯显示档位。最后用蜂鸣器作为报警源,如果启动报警模式,当检测到其区域内有人就会发出报警信号,当温度超过一定范围内也启动长鸣报警声。

图1 系统方框图
智能防盗防火及照明控制系统的基本工作原理是当未启动报警模式时,当检测到室内有人时,开启光度采集模块,根据室内光照强度,分别开启不同档次的LED 灯;假如室内温度过高,报警装置会发出二级警鸣,防止火灾的发生;当有人进入室内,开启报警装置,若是本人或工作人员可以通过一个隐形手动复位键消除报警,若有他人进入室内,则会开启一级报警,并且所有的LED 灯亮,起到了及时报警与防盗的作用。
1.2 系统硬件设计
系统的硬件设计分为五大块模块,即热释人体红外模块温度采集模块、光度采集模块、LED 灯显示模块、报警模块。
下面分别来分别介绍各个模块的硬件设计及基本工作原理。
2 实验
2.1 热释人体红外模块
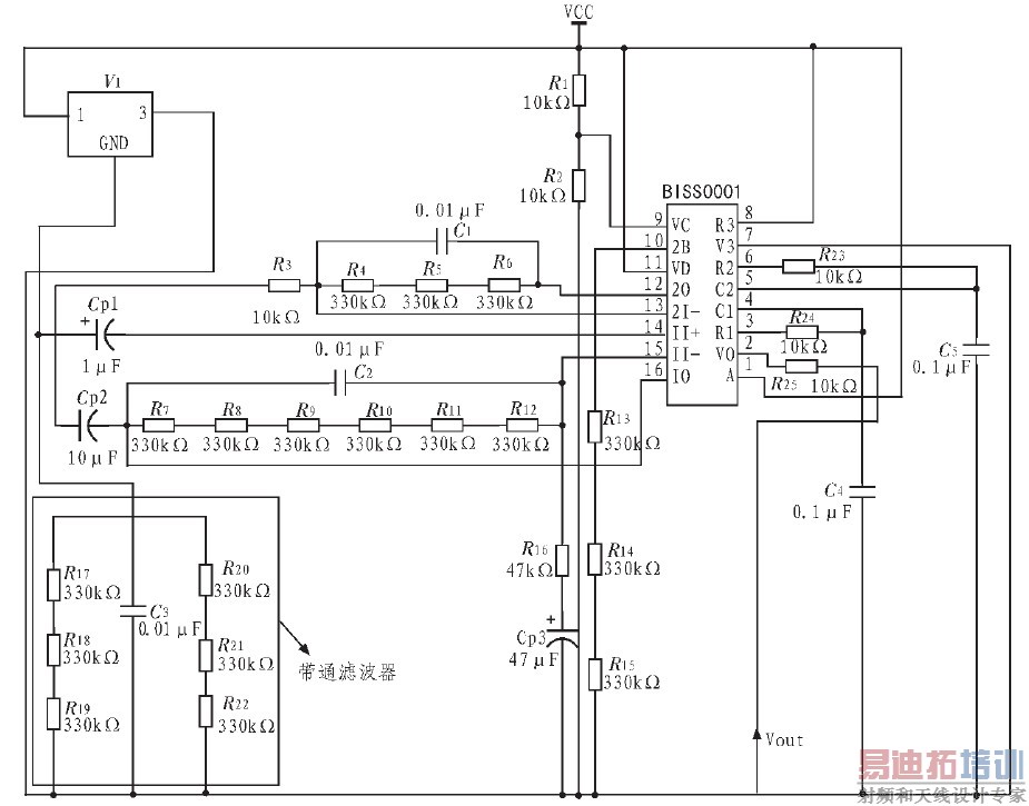
人体红外感应模块电路主要由人体红外传感器、菲涅尔透镜、专用芯片BISS0001组成。当有人出现在它的探测区,传感器便能探测到信号并把信号传给单片机,单片机再根据实际情况是否该开启器件设备或让房间的电器设备处于一种可开启状态。另外,关于走廊及洗手问用灯情况,当晚上有人经过时,人体红外感应到人便开启走廊用灯或者洗手间用灯。热释人体红外模块电路如图2 所示。

图2 热释人体红外电路图
电路中运用了热释红外专用芯片BISS0001。它是由运算放大器、电压比较器、状态控制、延迟时间定时器以及封锁时间定时器等构成的数模混合专用集成电路,内部电路如图3 所示。当人体辐射的红外线通过菲涅尔透镜被聚焦在热释电红外传感器的探测元上时,电路中的传感器将输出电压信号,然后使该信号先通过一个带通滤波器,该滤波器的上限截止频率为16 Hz,下限截止频率为0.16 Hz。

图3 BISS0001 芯片内部电路图
由于热释电红外传感器输出的探测信号电压十分微弱(通常仅有1 mV 左右),而且是一个变化的信号,同时菲涅尔透镜的作用又使输出信号电压呈脉冲形式(脉冲电压为0.1~10 Hz 左右),所以应对热释红外传感器输出的电压信号通过运算放大器OP1 和OP2 进行二级放大。再经由电压比较器COP1 和COP2 构成的双向鉴幅器处理后,检出有效触发信号Vs去启动延迟时间定时器。
输出信号Vo接单片机以便检测, 当有人时便输出5 V高电平,当人离开之后延时一段时间后便复位为0 V 以便主控制电路的控制。电路设计让芯片处于可重复触发状态以便适合教室的实际情况。重复触发其工作过程:可重复触发工作方式下在Vc=“1”、A=“1”时,Vs可重复触发Vo为有效状态,并可促使Vo在Tx周期内一直保持有效状态。在Tx时间内,只要Vs发生上跳变, 则%将从Vs上跳变时刻起继续延长—个Tx周期;若Vs保持为“1”状态,则Vo一直保持有效状态;若Vs保持为“0”状态,则在Tx周期结束后Vo恢复为无效状态,并且,同样在封锁时间Ti时间内,任何Vs的变化都不能触发Vo为有效状态。
2.2 温度采集模块
利用单片机的P2.5 口控制DSl8B20,将实时采集到的温度与单片机软件设置的数值做对比,并用P2.3、P2.4 口控制三极管的导通和截止,实现了用蜂鸣器在高温时报警的要求。
这里选用的DS18B20 温度传感器是美国达拉斯(Dallas)公司生产的单线数字温度传感器芯片,它与传统的热敏电阻不同,DSl8B20 可直接将被测温度转换为串行数字信号[9],供单片机处理。通过编程DSl8B20 可以实现9~12 位的温度读数,并可分别在93.75 ms 和750 ms 内完成9 位和12 位的数字量。其测温范围-55~+125 ℃,最大分辨率为0.062 5 ℃,在-10~+85 ℃范围内其测温准确度为±0.5 ℃。
DS18B20 具有体积小、功耗低、抗干扰能力强、易与微处理器连结等特点, 而且它无需任何外围硬件就可方便地进行温度测量,与单片机交换信息仅需要一根I/O 口线,其读写及温度转换的功率也可来源于数据总线。其电路连接图如图4 所示。

图4 温度采集电路图
2.3 光度采集模块
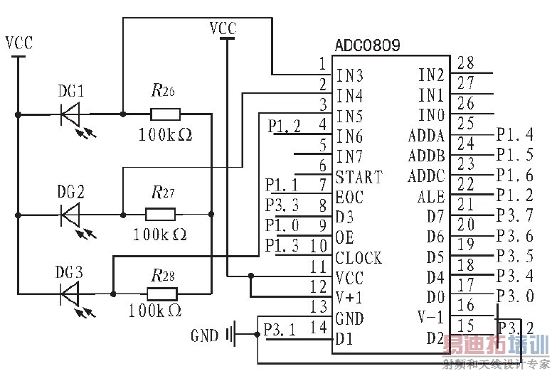
本模块主要由光敏传感电路、数模转换模块及室内LED灯几部分组成。这里为了模拟用了一个光敏二极管和一个100 k 的电阻。共5 组并联连接接入5 V 电压,分别引出5 条线路接至ADC0809 芯片的IN3~IN7 通道电路连接如图5所示,通过光敏二极管检测教室的光照亮度,根据光敏二极管特性,遇光照时,阻值会明显减少,随着光度的减少,光敏二极管的阻值会逐渐增大的原理,那么每个光敏二极管分压得到的不同电压值(即模拟量),通过ADC0809 模数转换 检测到它们输出的模拟量。通过ADC0809 芯片的IN3~IN7 端口,转化成数字量,D0~D7 作为数据输出端口,连接至单片机的P0 口进行数据的处理。

图5 光度采集电路图
模拟时灯管用LED 灯代替,灯管亮度分为3 个档位(以最佳光度为准,不影响人的眼睛为前提):
1 档:检测到室内光线充足时,开启一盏LED 灯,此时房间灯管亮度为最低。
2 档: 检测到室内光线不充足时, 同时开启前两排三盏LED 灯管,此时室内灯管亮度为适中。
3 档:此时检测到室内光线明显不足,同时开启所有LED灯管,此时室内灯管亮度为较大。
2.4 LED 灯显示模块
模拟时LED 灯显示模块主要由三级LED 灯组成, 用P2.0、P2.1、P2.2 口控制三极管导通和截止,实现了对输入端不同要求的响应, 系统中LED0,LED1,LED2 分别是第一档、第二档、第三档的光度控制输入口。其硬件电路图如图6 所示。

图6 LED 灯显示电路图
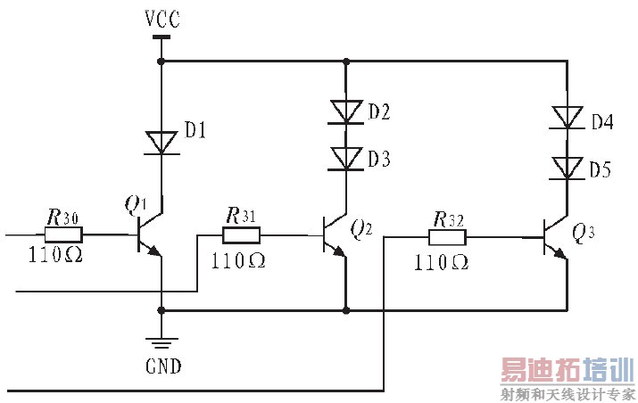
2.5 报警模块
模拟时本模块用两个NPN 三极管分别作为蜂鸣器的驱动,当b 极高电平时三极管导通,蜂鸣器工作发出声音。当b极为低电平时三极管不导通,蜂鸣器不工作。b 极连接一个隐形的手动开关作为报警模式的启动与关闭切换。通过单片机的P2.3、P2.4 口控制其发出报警声音, 当有小偷入侵时蜂鸣器发出连续的报警声,当温度太高或发生火灾时蜂鸣器长鸣以警示工作人员。其硬件连接电路如图7 所示。

图7 报警电路图
当然在实际应用中,蜂鸣器的报警声音不能满足要求,可以改用其他功率较大的报警器件,如大功率警铃等可以满足要求。
3 系统软件设计
本软件系统分为光度采集模块、人体感应模块、温度采集模块、LED 灯显示模块和报警模块5 部分,系统的软件设计的主体流程如图8 所示。

图8 软件流程图
具体的程序设计已经基本完成,由于代码比较多在这就不一一赘述了。
4 结论
本设计中采用AT89C51 单片机为控制器,用热释人体红外、光敏二极管和温度传感系统来检测室内有无人员、室内的光照强度及室内温度,设计了一个智能防盗防火及照明控制系统。该系统可以根据室内的光线和是否有人来控制灯管的照明;用蜂鸣器作为报警源,如果启动报警模式,当检测到其区域内有人就会发出报警信号,当温度超过一定范围也启动长鸣报警声。能够达到智能控制和节能以及安防的目的,尤其适用于学校教室、图书馆、楼道照明灯场所。
本设计通过制作PCB 电路, 利用PROTEUS 软件和KeilC 软件实现了分别完成了系统的硬件仿真和程序设计。
该系统仿真调试已经通过, 系统的基本功能都可以完全实现,可以通过电路器件的改进投入实际运用。
射频工程师养成培训教程套装,助您快速成为一名优秀射频工程师...

