- 易迪拓培训,专注于微波、射频、天线设计工程师的培养
基于ARM7和DSP的逆变电源设计
引 言
在电气智能化发展无处不在的今天, 无数用电场合离不开逆变电源系统( Inverted Pow er Supply System,IPS) 为现场设备提供稳定的高质量电源, 特别在如通信机房、服务器工作站、交通枢纽调度中心、医院、电力、工矿企业等对电源保障有苛刻要求的场合。许多IPS产品因遵循传统设计而不符合或落后于现代电源理念,突出表现为控制模块的单一复杂化, 控制器芯片落后且控制任务繁重, 模拟闭环控制而得不到理想的监控和反馈调节效果, 并由此带来单个控制设备软硬件设计上的隐患, 这对IPS 电源输出造成不利影响, 甚至对用电设备因为供电故障而导致灾难性后果。数字化控制技术日趋成熟, 而且在某些领先理念的电源设备控制应用场合得到应用, 凸显出模块化、数字化控制已成为一种必然的趋势。
本文描述了基于ARM7 Cortex-M3 的单片机STM32F103 和T I C2000 系列DSP 芯片TMS320F2808 联合控制
的IPS 核心控制电路, 针对上述产品中的不足而提出了改进。所设计的IPS 核心控制电路通过测试仿真及现场测试结果证明, 这种新型IPS 设计改善了IPS 结构设计, 满足IPS 运作的高要求, 而且丰富了远程监控等人机交互接口, 从而也间接多方面节约用户的管理成本。
1 逆变电源整体介绍
为满足电源敏感性设备对逆变电源的要求, 目标IPS 采用本次设计的电路作为核心; 以高速数字信号微处理器( DSP TMS320F2808) 及外围器件作为信号产生及反馈检测调整模块; 以ARM7 单片机ST M32F103及其外设作为人机交互逻辑控制模块, 两个模块交互协同控制。应用硬件自反馈调节SPWM 波形输出, 采用DSP 数字化算法提供高精度锁相技术。软件编程进行全数字化分任务模块控制, DSP 模块执行IGBT 逆变所需的控制波形产生、反馈调节、铅酸蓄电池充电波形产生及调节、自检和自侦测功能, 对电路板上所有独立电路连接进行自检和故障分析等功能。而ARM7 模块执行参数设定、运行管理、环境参数监控和人机交互处理等任务。DSP 模块控制力求精准, ARM 模块则具备完善的系统级事件管理功能。如图1 所示, 两个模块在任务上相互独立而又紧密联系, 分工协调共同维护IPS 的正常运转。

图1 IPS 逆变原理框图
2 双核控制系统的组成
2. 1 DSP 控制模块
该模块是逆变信号产生及反馈检测调整模块, 核心是一片C2000 系列高性能DSP 处理器TMS320F2808( 以下简称F2808) , F2808 产生的SPWM 信号经过CPLD 进行逻辑延时移相形成三相逆变器IGBT 控制信号。F2808 是德州仪器( TI) 公司的一款高速DSP 芯片, 最高运行速度可达100 MIPS, 为适应工控强干扰环境, F2808 内部集成了增强型输入捕获单元( eCAP) 和带死区控制功能的输出比较PWM 产生单元( ePWM) ,12 位16 通道快速ADC 单元; 内核支持用于定点DSP实现浮点运算的IQ 变换函数库; 还有诸如SCI, SPI,eCAN 等丰富而通用的外设接口。如图2 所示, 设计中F2808 的主要任务是监控IPS 功率部分的开关状态和动作, 根据逆变器和负载状态反馈调整3 路SPWM波形的输出, 电池充电脉冲控制。DSP 输出的3 路SPWM 信号直接送给CPLD, 经过CPLD 的等间隔脉冲延迟移相作为逆变器产生U, V, W 三相电的控制波形。

图2 DSP 控制模块框图 [p]
2. 2 人机交互全局控制模块
人机交互控制模块是此IPS 设计中最为复杂的数字化管理模块, 它不仅监测和管理逆变系统的运作, 还要保证IPS 控制器与外界的通信。设计中要求人机交互模块能处理复杂的任务调度和很强的突发访问( 中断) 处理, 这就必须有较高运行速度; 模块内部还要有丰富的扩展接口提供IPS 与外部即时通信; 具备优越的总线控制和访问机制等。综合考虑上述需求, 设计中选择了意法半导体( ST ) 公司推出的最新32 位单片机STM32F103ZET6 ( 以下简称ST M32) 。ST M32 是基于ARM7 Co rtexM3 内核架构的高速高性能嵌入式控制芯片, 拥有72 MHz 内核工作频率和1. 25 DMIPS/ MHz的指令流水处理速度; 先进的总线结构和多达16 级的带DMA 功能抢占中断机制( NIVC) [ 10] 。如图3 所示, 设计中ST M32 通过SCI 接口及1 根中断请求/ 接收线与DSP 2808 进行通信; 利用片上扩展的其中2 个SCI 口分别作为RS 232 和RS 485通信协议口; CAN 总线接口和U SB 总线通过共享数据缓冲区和中断向量入口与外界互联通信; 通过STM32 的26 位地址总线和16 数据总线扩展外挂256 KB SRAM 和4 MB N OR FLASH, 以及8 位数据口的LCM 模块RA8806 以及用于SNMP 的16 位并行数据的以太网芯片W5100; 启用ST M32 的SDIO 总线以启用用户插入SD 卡存储查询IPS 状态数据功能; 启用现场环境下独立时钟看门狗电路和STM32 特有的窗口看门狗; 启用内部芯片温度传感器采样监控, RC时钟源以及外部唤醒功能; 通过通用引脚接入DS18B20 温度传感器对环境温度的采样, 预留I2 C 方式E2PROM 和SPI 方式的DA TA FLASH 接口为产品后续升级开发做准备。

图3 STM32 模块组成框图
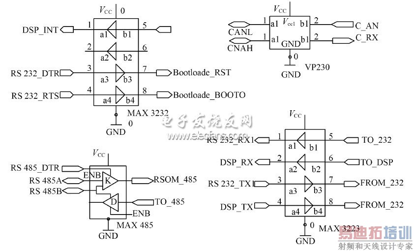
通信接口电路设计如图4 和图5 所示。

图4 IPS 与外间通信接口电路图

图5 STM32 通信接口定义
3 控制系统的软件架构
控制模块中的程序语言为ANSI 标准C 语言, 程序结构、变量命名和注释都遵循国际通用标准, 容易理解, 也便于移植或扩展, 如图6 和图7 所示。

图6 DSP 程序流程图

图7 ST M32 程序流程图
代码经过合理编写, 逻辑清晰, 功能完善, 结构紧凑而又突出健壮性, 可维护性强, 符合工控软件编写要求。
项目过程中整理的开发测试说明文档详实准确, 也为后继研究带来便捷。 [p]
4 样机验证
目标板经过测试验证后成功应用在一台6KVA 工频双变换纯在线式单相小功率逆变电源上。各负载加载测试波形如图8 所示。空载输出电压波形1/ 4 负载输出电压波形满载输出电压波形测量结果表明, 220 V 交流输入时不同负载情况下电源的输出波形失真度小于3%,非线性负载失真小于5%, 逆变器效率大于96%。

图8 负载测试波形输出
5 结 语
核心控制数字化是工控发展的必然趋势。本文所研究设计的基于基于STM32 和TMS320F2808 控制的IPS 处理速度快, 控制精度高, 模块化结构合理, 能很好的实现现代IPS 设计的要求, 而且增加了SNMP, U SB和SDIO 等人机交互通信接口, 便于IPS 本地及远程管理维护。测试结果证明本设计的可行性与有效性。
射频工程师养成培训教程套装,助您快速成为一名优秀射频工程师...
天线设计工程师培训课程套装,资深专家授课,让天线设计不再难...
上一篇:一种LED路灯光伏充电器的设计
下一篇:太阳能、市电互补LED路灯控制器研究

