- 易迪拓培训,专注于微波、射频、天线设计工程师的培养
MSP430F169的环境光自适应LED显示屏的设计方案
本设计主要实现LED 显示屏随着环境光改变其亮度,以避免白天显示不清或黑夜因太亮而炫目;并与上位机进行通信。 本系统由MSP430F169 单片机、16* 32 共阳极LED 点阵显示屏、行驱动电路、列驱动电路、环境光自适应电路、数字开关调压电路、直流稳压源电路等组成。 采用按列并行发送数据,按行扫描的方式实现LED 点阵屏内容的显示; 单片机通过数字开关调压电路实现对LED 点阵屏电源电压的自动调节,使屏幕亮度随环境光自动变化。
LED 点阵显示屏在生活中是很常见的,给我们的生活带来了很多的便利。 由于LED 显示亮度不能随外界环境光而改变,存在白天显示不清或黑夜因太亮而炫目的问题。 如果能实现控制其亮度,不仅可以节省能源,还可以使显示屏的显示效果更加清晰。 本设计介绍的是利用MSP430F169单片机系统控制的环境光自适应LED 显示屏,该屏能够根据环境光的强弱自动调整亮度,以避免白天显示不清或黑夜因太亮而炫目,并与上位机进行通信。 LED 显示屏应用领域广泛,如商场、娱乐场所、工厂、学校等大型场所,对其研究有着实用的价值及良好的发展前景。
1 系统结构框图
本系统主要由MSP430F169 单片机系统、降压整流滤波电路、稳压电路、开关调压电路、RS485 通信接口电路、LED 行列驱动电路、环境光检测电路、LED 显示屏、上位PC 计算机等构成。
本系统的结构框图,如图1 所示。

图1 系统结构框
2 基本原理
本设计采用列发送数据,行扫描的方式实现LED 显示文字或图像。 本方法与硬件电路相结合,达到显示屏整体亮度相对均匀的目的。
利用光敏电阻对环境光的敏感特性,采集环境光的变化状况,将其转换成电信号并送入到单片机中,由单片机进行信号处理,并按照一定的规律控制输出PWM 波的占空比。
在单片机与LED 显示屏之间加一个开关调压电路,实现单片机对显示屏的亮度调整。 将调整后的PWM 波对开关调压电路进行控制,从而调节显示屏的输入电压的大小,最终实现显示屏的亮度控制。
3 电路设计
3. 1 MSP430F169 单片机系统电路
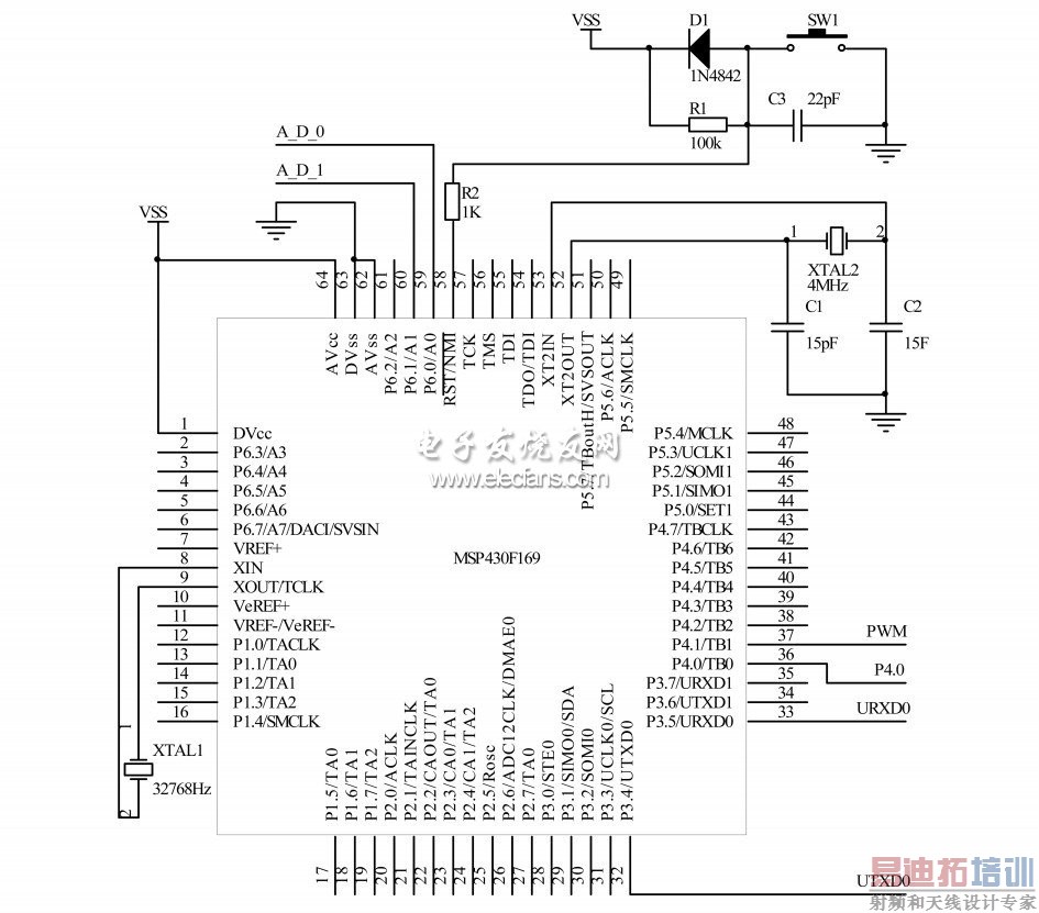
MSP430F169 单片机系统电路为主控制电路。 MSP430 系列单片机是美国德州仪器公司1996 年开始推向市场的一种16 位超低功耗的混合信号处理器( Mixed Signal Processor) ,该单片机具有以下几个特点: 超低功耗、强大的处理能力、丰富的片内外围模块、方便高效的开发环境、系统工作稳定。 由于MSP430F169 单片机内部集成了12 位的A/D 和D/A 并且产生PWM 波程序简单,不再需要外加A/D 电路、D/A 电路和PWM 波产生电路,由此简化了外围电路的设计,所以本设计选用MSP430F169 单片机,如图2 所示。

图2 单片机系统电路 [p] 3. 2 降压整流滤波电路
220 V 交流电经过变压器降压后,由整流桥整流成单向脉动电压,经电容滤波成脉动很小的直流电压。 由于该直流电压随电网电压波动,如果直接作为显示屏电源,会造成显示屏的闪烁,因此采用稳压电路对其进行稳压。 7805 是专用的三端稳压器件,输入滤波后的电压( U≈9 V) ,稳压输出的5 V 电压( VCC) 供IPIC68273 使用。 MSP430系列单片机电源电压范围是1. 8 ~ 3. 6 V,因此将5 V 电压经二极管降压0. 7 V( VSS) 后,供单片机系统使用。 经长期实验证明,单片机系统可长期安全可靠运行,其优点是与5 V 供电的TTL 或CMOS 电路接口,不必再加电平转换电路,如图3所示。

图3 降压整流滤波电路
3. 3 开关调压电路
利用两个NPN 型晶体管组成反相放大电路以实现PMOS 开关管斩波放大,用PWM 波调整PMOS 开关管的导通时间来控制VDD 作用于显示屏的平均电压的大小,进而控制LED 的亮度。
为防止网络电压的波动对显示屏造成影响,故用定值电阻R4 与R5 组成分压测量电路,对电压进行精确测量控制,用于实现显示屏电压的稳定可靠,如图4 所示。

图4 开关调压电路
3. 4 行列驱动电路
LED 显示驱动采用动态扫描驱动方式,每次只能点亮一行LED( 共阳形式LED 显示点阵模块) ,由于TPIC6B273 是以OC 门方式输出的,所以特别适宜选择共阳形式LED 显示点阵模块做基础显示单元。 行扫描电路采用4 /16 译码器CD4515 译码形成行扫描脉冲,放大后直接形成行扫描信号,如图5 所示。

图5 单色共阳极LED 驱动电路 [p] 3. 5 环境光检测电路
光敏电阻是用半导体材料制成的光电器件,它没有极性。 利用光敏电阻RG 与定值电阻R1 组成环境光检测电路,通过测量R1 两端电压的变化来检测环境光强弱的变化,如图6 所示。

图6 环境光检测电路
3. 6 RS485 通信接口电路
MAX485 是用于RS485 通信的差分平衡收发器,由MAXIM 公司生产。 芯片内部包含一个驱动器和一个接收器,适用于半双工通信。 上位PC 机通过通信接口电路与单片机系统进行通信,如图7 所示。

图7 RS485 通信接口电路
4 程序设计
环境光自适应LED 显示屏控制程序使用IAR 软件,利用C 语言进行编写,如图8 所示。

图8 环境自适应LED 显示屏程序框
5 :结论
本文所论述的环境光自适应LED 显示屏,可随环境光的变化而改变亮度,使显示屏不至于太过刺眼或者太暗,同时有效地控制了能耗,使电源效率达到75%以上,本系统达到了预期的实验目的。 [p]
射频工程师养成培训教程套装,助您快速成为一名优秀射频工程师...
天线设计工程师培训课程套装,资深专家授课,让天线设计不再难...
上一篇:以DSP器件为核心的嵌入式系统技术分析
下一篇:基于DSP的数字频率计设计

