- 易迪拓培训,专注于微波、射频、天线设计工程师的培养
LPC2939设计在MCU USB接口技术的应用
LPC2939以ARM968E-S CPU为内核,在一个芯片中集成了两个操作频率高达125MHz的TCM模块、全速USB2.0主机/OTG/设备控制器、CAN和LIN、56KB SRAM、768KB Flash存储器、外部存储器接口、3个10位ADC和多个串行、并行接口,定位于消费应用、工业、医疗、通信和汽车制造业市场。为了使系统功耗最优化,LPC2939具有一个非常灵活的时钟产生单元(CGU),可提供动态时钟门控和调节。本文介绍了LPC2939主要特性, 方框图,以及各种USB,USB OTG接口方框图。
MCU(MicrocontrolUnit)中文名称为微控制单元,又称单片微型计算机(singleChipMicrocomputer)或者单片机,是指随着大规模集成电路的出现及其发展,将计算机的CPU、RAM、ROM、定时计数器和多种I/O接口集成在一片芯片上,形成芯片级的计算机,为不同的应用场合做不同组合控制。微控制器在经过这几年不断地研究,发展,历经4位,8位,到现在的16位及32位,甚至64位。产品的成熟度,以及投入厂商之多,应用范围之广,真可谓之空前。目前在国外大厂因开发较早,产品线广,所以技术领先,而本土厂商则以多功能为产品导向取胜。但不可讳言的,本土厂商的价格战是对外商造成威胁的关键因素
LPC2939: ARM9 microcontroller with CAN, LIN, and USB
The LPC2939 combine an ARM968E-S CPU core with two integrated TCM blocks operating at frequencies of up to 125 MHz, Full-speed USB 2.0 Host/OTG/device Controller, CAN and LIN, 56 kB SRAM, 768 kB flash memory, external Memory interface,three 10-bit ADCs, and multiple serial and parallel interfaces in a single chip targeted at consumer, industrial, medical, and communication markets. To optimize system power consumption, the LPC2939 has a very flexible Clock Generation Unit (CGU) that provides dynamic clock gating and scaling.
LPC2939主要特性和优势:
ARM968E-S processor running at frequencies of up to 125 MHz maximum.
Multilayer AHB system bus at 125 MHz with four separate layers.
On-chip memory:
Two Tightly Coupled Memories (TCM), 32 kB Instruction (ITCM), 32 kB Data TCM (DTCM)
Two separate internal Static RAM (SRAM) instances; 32 kB SRAM and 16 kB SRAM
8 kB ETB SRAM, also usable for code execution and data
768 kB high-speed flash program memory
16 kB true EEPROM, byte-erasable/programmable
Dual-master, eight-channel GPDMA controller on the AHB multilayer matrix which can be used with the SPI interfaces and the UARTs, as well as for memory-to-memory transfers including the TCM memories
External Static Memory Controller (SMC) with eight memory banks; up to 32-bit data bus; up to 24-bit address bus
Serial interfaces:
USB 2.0 full-speed Host/OTG/Device controller with dedicated DMA controller and on-chip device PHY
Two-channel CAN controller supporting FullCAN and extensive message filtering
Two LIN master controllers with full hardware support for LIN communication. The LIN interface can be configured as UART to provide two additional UART interfaces.
Two 550 UARTs with 16-byte Tx and Rx FIFO depths, DMA support, modem control, and RS-485/EIA-485 (9-bit) support
Three full-duplex Q-SPIs with four slave-select lines; 16 bits wide; 8 locations deep;Tx FIFO and Rx FIFO
Two I2C-bus interfaces
Other peripherals:
One 10-bit ADC with 5.0 V measurement range and eight input channels with conversion times as low as 2.44 s per channel
Two 10-bit ADCs, 8-channels each, with 3.3 V measurement range provide an additional 16 analog inputs with conversion times as low as 2.44 s per channel. Each channel provides a compare function to minimize interrupts.
Multiple trigger-start option for all ADCs: timer, PWM, other ADC, and external signal input
Four 32-bit timers each containing four capture-and-compare registers linked to I/Os
Four six-channel PWMs (Pulse-Width Modulators) with capture and trap functionality
Two dedicated 32-bit timers to schedule and synchronize PWM and ADC
Quadrature encoder interface that can monitor one external quadrature encoder
32-bit watchdog with timer change protection, running on safe clock
Up to 152 general-purpose I/O pins with programmable pull-up, pull-down, or bus keeper
Vectored Interrupt Controller (VIC) with 16 priority levels
Up to 22 level-sensitive external interrupt pins, including USB, CAN and LIN wake-up features
Configurable clock-out pin for driving external system clocks
Processor wake-up from Power-down via external interrupt pins and CAN or LIN activity
Flexible Reset Generator Unit (RGU) able to control resets of individual modules
Flexible Clock-Generation Unit (CGU) able to control clock frequency of individual modules:
On-chip very low-power ring oscillator; fixed frequency of 0.4 MHz; always on to provide a Safe_Clock source for system monitoring
On-chip crystal oscillator with a recommended operating range from 10 MHz to 25 MHz. PLL input range 10 MHz to 25 MHz.
On-chip PLL allows CPU operation up to a maximum CPU rate of 125 MHz
Generation of up to 11 base clocks
Seven fractional dividers
Second, dedicated CGU with its own PLL generates USB clocks and a configurable clock output
Highly configurable system Power Management Unit (PMU):
clock control of individual modules
allows minimization of system operating power consumption in any configuration
Standard ARM test and debug interface with real-time in-circuit emulator
Boundary-scan test supported
ETM/ETB debug functions with 8 kB of dedicated SRAM also accessible for application code and data storage
Dual power supply:
CPU operating voltage: 1.8 V 5 %
I/O operating voltage: 2.7 V to 3.6 V; inputs tolerant up to 5.5 V
208-pin LQFP package

图1.LPC2939方框图
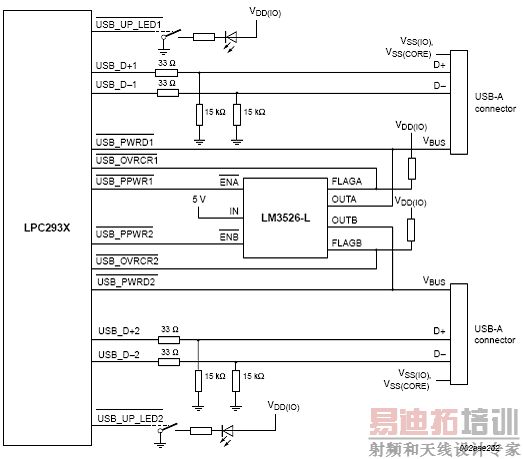
图2.LPC2939自供电设备USB接口方框图
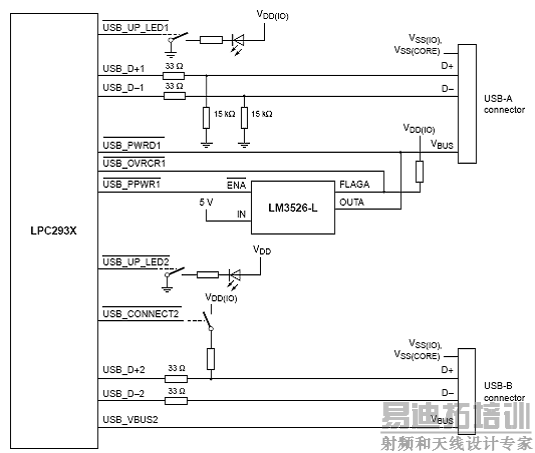
图3.LPC2939总线供电设备USB接口方框图
图4.LPC2939 USB OTG端口配置:USB端口1 OTG双任务设备,USB端口2主机
图5.LPC2939 USB OTG端口配置:USB端口1主机,USB端口2主机
图6.LPC2939 USB OTG端口配置:USB端口2设备,USB端口1主机
射频工程师养成培训教程套装,助您快速成为一名优秀射频工程师...

