- 易迪拓培训,专注于微波、射频、天线设计工程师的培养
LED在指示灯中的应用
在LED于20世纪60年代问世到80年代之前这10多年中,LED只有红、黄、绿几种颜色,发光效率很低(仅约1 lm/W),亮度比较低,而且价格高,人们只是将其用作电子产品的指示灯。从LED发展和应用历程上看,这一时期为LED的指示应用阶段。虽然目前LED已发展到全彩应用和普通照明阶段,但是LED 的指示应用不但没有消失,而且更加广泛,人们几乎随时随地可见。
1交流电源指示灯
交流电源指示电路如图1所示。该电路只要连接220V/50Hz的交流供电线路,LED就会被点亮,指示电源接通。限流电阻R的阻值为220V/IF。
2交流开关指示灯
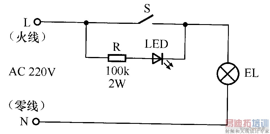
用LED作白炽灯开关指示灯的电路如图2所示。当开关断开灯泡熄灭时,电流经R、LED 和灯泡EL形成回路,LED亮,方便人们在黑暗中找到开关。此时曲于回路中的电流很小,灯泡是不会亮的。当接通开关时,灯泡被点亮,而LED则熄灭。

图1 交流电源指示灯电路

图2 自炽灯开关指示灯电路
3交流电源插座指示灯
图3所示是用双色(共阴极) LED作交流电源插座指示灯的电路。插座的供电由开关S控制。当红光LED亮时,插座无电;当绿光LED亮时,插座有电。
4保险管座指示灯
图4所示为 LED用作工厂设备配电箱保险管座指示灯的电路。当保险管完好时,LED不亮;当保险管熔断时,LED会被点亮,以指示用户是哪一个熔断器已被烧断,以便更换。这对于用肉眼无法观察好坏的瓷芯式熔断器来说是非常方便的。
5直流电源指示灯
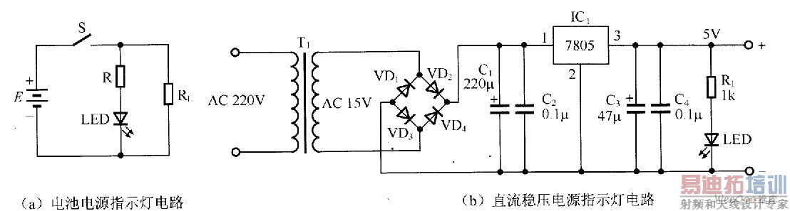
用LED作直流电源指示灯的电路如图5所示。其中,图5(a)所示为电池供电电路的指示电路;图5(b)所示为直流稳压电源的指示电路。在图5(a )中,R=(E一VF)/IF。
图5(b )所示电路由电源降压变压器、桥式整流器和以三端调节器IC1为核心的稳压电路组成,当产生稳定的直流输出时,LED点亮。

图3 交流电源插座指示灯电路

图4 保险管座指示灯电路

图5 直流电源指示灯电路
射频工程师养成培训教程套装,助您快速成为一名优秀射频工程师...
天线设计工程师培训课程套装,资深专家授课,让天线设计不再难...
上一篇:VMR6512的技术分析及功能特点
下一篇:一种电视分集天线系统的设计和实现

