- 易迪拓培训,专注于微波、射频、天线设计工程师的培养
Maxim MAX3814 TMDS驱动解决方案
Maxim公司的MAX3814 TMDS EQ/驱动器件能用来补偿DVI/HDMI传输连接器连接线FR-4和电缆所引起的损耗,提供完全兼容DVI/HDMI的输出.
广泛应用便携式PC TMDS均衡器和驱动器,对接站(Docking StATION)TMDS均衡器和驱动器以及电缆TMDS均衡器.本文介绍了MAX3814的主要性能,方框图,应用以及典型应用电路图和评估板电路与所用元器件.
The MAX3814 TMDS® EQ/driver IC compensates for FR-4 and cable losses up to the DVI/HDMI transmit connector and provides a fully compliant DVI/HDMI TMDS output. The device can also be used in DVI/HDMI Cable applications to extend reach and improve jitter margin of cable channels at the receive-side conNECtor.
The on-chip TMDS drivers operate at a standard current level for implementing a typical DVI/HDMI nonback- terminated transmitter, as well as a 50% higher current mode for using a 200 ohmBack termination resistor (nonmatching) to achieve a 10dB return loss.
Typical DVI/HDMI Output drivers contribute to reflection problems between the connector and a typical highimpedance (open) DVI/HDMI Tx output. The Selectable output current (LEVEL pin) gives the option of partial back termination (e.g., differentially connected 200) to mitigate the reflection problem effectively while keeping common-mode offset to a minimum.
The 4-channel implementation treats all channels identically. To allow board layout flexibility for DVI and HDMI connectors, which have different channel order, the clock and data channels can be arbitrarily assigned. The MAX3814 operates from a 3.3V power supply, standard for DVI/HDMI applications, and is packaged in a 5mm x 5mm x 0.1mm, 32-pin TQFP package.
主要特性:
_ Equalizes FR-4 Board Microstrip and Cable HF Losses Up to 15dB at 825MHz for Operation at 0.25Gbps to 1.65Gbps
_ Compatible with HDMI 1.3
_ Less Than 0.2UIP-P Residual Jitter at 1.65Gbps for 0 to 15dB Channel Loss at 825MHz
_ Input Terminations: 50(Each Side to VCC) ±10%
_ Output of Driver is a Fully DVI/HDMI TMDSCompatible Cable Driver
_ Output Amplitude: 1.05VP-P Differential
_ Enable Pin to Select Normal Operation or power-Down Mode
_ LEVEL Pin to Select Output Current for Use With or Without Back Termination
_ 32-Pin TQFP for Four Channels; Any Channel Can Be Either a TMDS Data or Clock Signal
_ VCC = 3.3V; Signal Pins Have Absolute Max Ratings of 5.5V (for Fault Conditions)
应用:
Laptop PC TMDS Equalizer and Driver
Docking Station TMDS Equalizer and Driver
Cable TMDS Equalizer

图1:器件的功能方框图
图2.典型应用电路图
图3.系统应用方框图.
图4.MAX3814应用方框图.
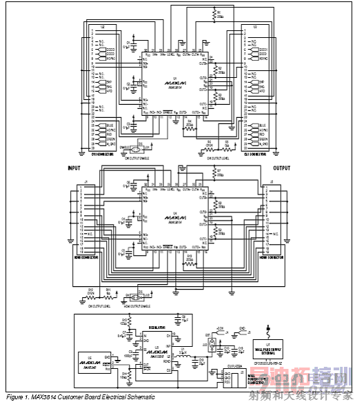
下面是关于MAX3814的评估板(EVK):
The MAX3814 evaluation kit (EV kit) simplifies evaluation of the MAX3814 TMDS equalizer/driver. This EV kit allows for quick testing of the MAX3814 with either a DVI or HDMI environment. The MAX3814 EV kit is fully assembled and tested.
下表是所用元件列表:


图5.MAX3814评估板(EVK)电路图
射频工程师养成培训教程套装,助您快速成为一名优秀射频工程师...

