- 易迪拓培训,专注于微波、射频、天线设计工程师的培养
交通灯系统软硬件设计
一、 系统功能要求:
1. 设计任务在一十字路口设置交通灯,并用单片机对其进行合理的控制。
时间方向 控制要求
白天 东西 绿灯 黄灯 红灯 南北 红灯 绿灯 黄灯
晚上 东西 黄灯 南北 红灯
2.总体设计方案现在流行的一种设计为两主干线相交的十字路。本设计采用一主干道(南北方向),一从干道(东西方向)的路口,即主干道的通行时间为从干道的2倍。在正常情况下,两干道的交通灯按图1进行转换,并以倒计数的方式将剩余时间显示在每个干道对应的两位LED上;另发挥部分为当出现紧急情况时,路口的交通灯全为红灯,紧急情况解除时,恢复到原来的状态。
二、 总体设计方案提示:
1.假设一个十字路口为东西南北走向。初始状态0为东西红灯,南北红灯。然后转状态1东西绿灯通车,南北红灯。过一段时间转状态。
2.东西绿灯灭,黄灯闪烁几次,南北仍然红灯。再转状态。
3.南北绿灯通车,东西红灯。过一段时间转状态。
4.南北绿灯灭,闪几次黄灯,延时几秒,东西仍然红灯。最后循环至状态1。
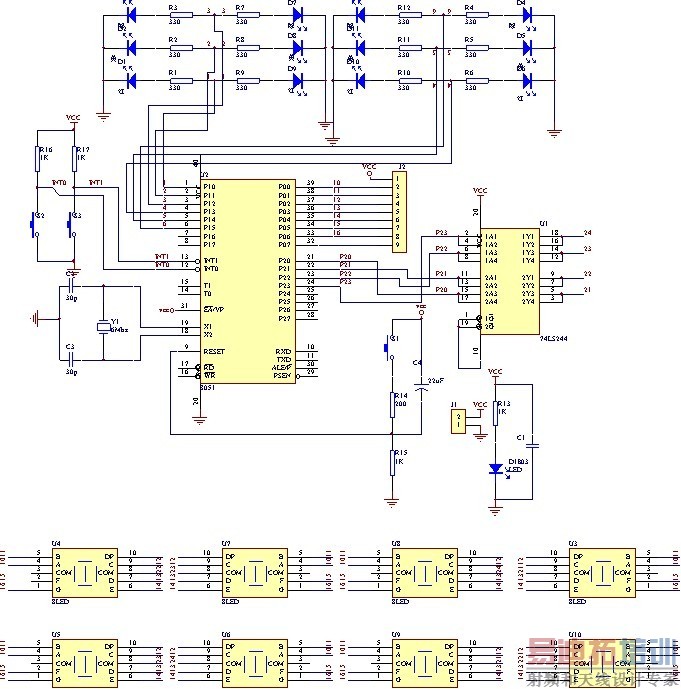
三.硬件设计
电路原理图如下:

四、软件设计
1、 流程图
[p]
2、程序设计
ORG 0000H
MOV P0,#00H ;确保P0为低电位
lJMP MAIN0
ORG 0030H
MAIN0: MOV 30H,#08H
MOV R6,#00H
MOV R7,#00H
MOV DPTR,#TABLE ;取数码管的译码
MOV TMOD,#01H ;设计定时方式及时间
MOV TL0,#0CDH
MOV TH0,#0BH
SETB TR0
MOV IE,#00H
MAIN: MOV P1,#0F3H ;南北绿灯,东西红灯
MOV R6,#1EH ;红灯30s倒计时
MOV R7,#19H ;绿灯25s倒计时
MAIN1:CALL DELAY ;1S延时子程序
JB P0.1,REL1 ;判断是否有东西方向按钮按下
CJNE R7,#00H,MAIN1 ;判断绿灯25s是否倒计完
MOV P1,#0F5H ;南北黄灯,东西红灯
MAIN2:CALL DELAY
MOV R7,#00H ;红灯继续倒计时,黄灯闪烁,保持0s
CPL P1.1 ;黄灯闪烁
CJNE R6,#00H,MAIN2 ;判断红灯是否倒计时完
MOV P1,#0DEH ;南北红灯,东西绿灯
MOV R7,#1EH
MOV R6,#19H
MAIN3:CALL DELAY
JB P0.0,REL2
CJNE R6,#00H,MAIN3
MOV P1,#0EEH
MAIN4:CALL DELAY
MOV R6,#00H
CPL P1.4
CJNE R7,#00H,MAIN4
JMP MAIN
REL1:MOV P1,#0F5H ;东西方向按钮按下,南北方向强制由绿灯变成黄灯警告
MOV R6,#05H
MOV R7,#00H
JMP MAIN2
REL2:MOV P1,#0EEH ;南北方向按钮按下,东西方向强制由绿灯变成黄灯警告
MOV R7,#05H
MOV R6,#00H
JMP MAIN4
;1s延时子程序
DELAY:MOV A,R6 ;进行南北方向倒计时时间的十进制调整
MOV B,#0AH
DIV AB
MOVC A,@A+DPTR ;找寻相应的数码管代码
MOV P2,#01H
MOV P3,A ;输出个位
MOV R4,#4 ;降低动态显示频率
LOOP2:MOV R3,#125
LOOP3:DJNZ R3,LOOP3
DJNZ R4,LOOP2
MOV A,B
MOVC A,@A+DPTR
MOV P2,#02H ;输出十位
MOV P3,A
MOV R4,#4
LOOP4:MOV R3,#125
LOOP5:DJNZ R3,LOOP5
DJNZ R4,LOOP4
MOV A,R7 ;进行东西方向倒计时时间的十进制调整
MOV B,#0AH
DIV AB
MOVC A,@A+DPTR
MOV P2,#04H
MOV P3,A
MOV R4,#4
LOOP6:MOV R3,#125
LOOP7:DJNZ R3,LOOP7
DJNZ R4,LOOP6
MOV A,B
MOVC A,@A+DPTR
MOV P2,#08H
MOV P3,A
MOV R4,#4
LOOP8:MOV R3,#125
LOOP9:DJNZ R3,LOOP9
DJNZ R4,LOOP8
JBC TF0,LOOP ;判断是否计满125ms
AJMP DELAY
LOOP:MOV TL0,#0CDH ;计满125ms重新给定时器赋值
MOV TH0,#0BH
MOV A,30H
DEC A
MOV 30H,A
JNZ DELAY ;判断是否计满8次125ms,即1s
DEC R6 ;计满1s,东西倒计时减1,南北倒计时减1
DEC R7
MOV 30H,#08H ;重新1s次数,重新计时
RET
TABLE:DB 0C0H,0F9H,0A4H,0B0H,99H ;相应数值的数码管代码
DB 92H,82H,0F8H,80H,90H
END
射频工程师养成培训教程套装,助您快速成为一名优秀射频工程师...

