- 易迪拓培训,专注于微波、射频、天线设计工程师的培养
高效LED驱动设计及其应用
就是个很好的例子,完成此项工作需要一组工作人员及一辆卡车对故障灯泡进行更换。因此,在此类应用中,使用LED可以大大降低成本。虽然LED和白炽灯泡的效率几乎相同,但在路灯应用中,有时会因为一些原因,用LED代替白炽灯泡,这样不但可以提高可靠性,而且还能节省能源。
白炽灯泡可以发出各种各样的光线,但是在具体的应用中,通常只需要绿色、红色以及黄色光线——例如交通信号灯。若要使用白炽灯泡,则需要一个滤波器,这会浪费掉60%的光能,而LED则可以直接产生所需颜色的光线,并且在上电时,LED几乎是瞬间发光,而白炽灯则需要200ms的响应时间。因此,在刹车灯设计中采用了LED。另外,LED将作为光源在DLP视频应用中使用,以替代机械汇编(mechanical assembly),其可进行高频率的切换。
LED的I-V特性
图1显示了典型InGaAlP LED(黄色和琥珀红)的正向电压特性。也可以把LED作为电压源与电阻串联建模,并查看模型与实际测量之间的良好关联性。电压源有一个负的温度系数,当结温上升时,电压源的正向电压会发生负的变化。InGaAlP LED的系数在-3.0mV/K~-5.2mV/K之间,而InGaN LED(蓝色、绿色和白色)的系数则在-3.6mV/K~-5.2mV/K之间。这就是为什么不能直接对LED进行并联的原因。产生热量最多的器件需要更大的电流,更大的电流会产生更多的热量,进而引起散热失控。

图1 LED作为电阻与电压源串联建模
图2显示了作为工作电流函数的相对光输出(光通量)。很明显,光输出与二极管电流是密切相关的,因此,可以通过改变正向电流进行调光。并且,在电流较小时,曲线几乎是一条直线,但是在电流增大时,其斜率变小了。这就是说,在电流较低的时候,若将二极管电流增大一倍,则光输出也会增加一倍;但是电流较高的时候,情况就不是这样了:电流上升100%仅能使光输出量增加80%。这一点很重要,因为LED是由开关电源驱动的,这会导致在LED中产生相当大的纹波电流。实际上,电源的成本在某种程度上是由所允许的电流大小决定的,纹波电流越大,电源成本就越低,但光输出会因此受到影响。

图2 电流超过1A以上,LED效率就会降低
[p]
图3量化显示了叠加于DC输出电流之上的三角纹波电流所引起的光输出的减少。在绝大多数情况下,该纹波电流的频率高于肉眼可以看到的80Hz。并且,肉眼对光线的响应是指数式的,不能察觉出小于20%的光线减弱。因此,即使LED中出现相当大的纹波电流,也不会察觉出光输出的减少。

图3 纹波电流对LED光输出的轻微影响
纹波电流也通过提高功耗而影响LED性能,这可能导致结温升高,并对LED的使用寿命产生重大影响。
- LED照明的电源拓扑结构的技术难点分析(图)
- LED照明电源的拓扑结构(图)
- 非隔离式降压稳压拓扑结构的LED驱动器KC24系列
- LED节能灯的应用剌激电子变压器电感器市场增长
图4量化显示了由于纹波电流造成的LED功耗的升高。与LED的散热时间常量相比,由于纹波频率较高,因此,高纹波电流(以及高峰值功耗)不会影响峰值结温,它是由平均功耗确定的。LED的高压降如一个电压源,因此,电流波形对功耗没有影响。不过,压降有一个电阻分量,并且功耗由电阻乘以均方根(RMS)电流的平方确定。

图4 纹波电流增加了LED的功耗
图4也阐明了即使在纹波电流较大的时候,对功耗也没有重大影响。例如,50%的纹波电流仅增加不足5%的功率损耗。当大大超过此水平时,需要减小电源的DC电流以保持结温不变,从而维持半导体的使用寿命。经验法则显示,结温每降低10%,半导体使用寿命就会延长两倍。并且,许多设计都倾向于更小的纹波电流,这是因为电感器的限制。绝大多数电感的设计处理能力小于20%的Ipk/Iout纹波电流比率。
典型应用
LED中的电流在很多情况下都是由镇流电阻或线性稳压器控制的。不过,本文主要讲述的是开关稳压器。在驱动LED时常用的三种基本电路拓扑为:降压拓扑结构、升压拓扑结构以及降压/升压拓扑结构。采用何种拓扑结构取决于输入电压和输出电压的关系。
在输出电压始终小于输入电压的情况下,应使用降压稳压器,图5显示了该拓扑结构。在该电路中,对电源开关的占空比(dutyfactor)进行了控制,以在输出滤波器电感L1上确立平均电压。当FET开关闭合时(TPS5430内部),其将输入电压连接到电感器,并在L1中构建电流。D2为环流二极管(catchdiode),可提供开关断开时的电流路径。电感器可对流过LED的电流起到平滑的作用,该工作可通过用电阻监控(测量)LED电流,并将电压与控制芯片内部的参考电压进行比较,最终进行调节。如果电流太低,则占空比增加,平均电压也上升,从而也导致了电流的升高。该电路具有极佳的效率,因为电源开关、环流二极管以及电流感测电阻上的压降非常低。

图5 降压LED驱动器逐步降低输入电压
[p]
当输出电压总是比输入电压大时,最好采用升压转换电路,如图6所示。该电路的U1有一个带有控制电子器件的高度集成的电源开关。当开关闭合时,电流流过电感器到接地。当开关断开时,U1的引脚1电压会升高,直到D1导通。然后电感器放电,电流进入输出电容器(C3)和LED串。在绝大多数应用中,C3通常用于平滑LED电流。如果没有C3,则LED电流将是断断续续的。也就是说,它会在零和电感电流之间切换,这会导致LED热量增加(从而缩短使用寿命),亮度减少。在前面的例子中,LED的电流是通过一个电阻感测的,并且占空比会发生相应的变化。请注意,本拓扑存在一个严重的问题,即它没有短路保护电路。若输出短路,则会有较大的电流通过电感器和二极管,从而导致电路失效,或者输入电压崩溃。

图6 高度集成的升压LED驱动器逐步升高输入电压
许多时候输入电压范围变化很大,可以高于或低于输出电压,此时降压拓扑和升压拓扑结构就不起作用了。并且,可能在升压应用中需要短路保护。在这些情况下,就需要使用降压/升压拓扑结构(见图7)。当电源开关闭合、电感器有电流通过时,该电路就相当于升压电路;当电源开关断开时,电感器开始放电,电流进入输出电容和LED。不过,输出电压不是正的,而是负的。此外,请注意本拓扑中不存在升压转换电路中出现的短路问题,因为其通过使电源开关Q1开路,提供了短路保护功能。该电路的另一个特性是,虽然它是一个负的输出,但并不需要对传感电路的电平进行切换。在本设计中,控制芯片接地到负的输出,并且可直接测量电流感测电阻R100上的电压。尽管本例中仅显示了一个LED,但是通过串联可以连接许多LED。电压的上限是控制芯片的最大额定电压;输入电压加上输出电压的和不能超过该限值。

图7 降压/升压电流可限制和处理广泛的输入范围
关闭控制环路
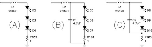
关闭LED电源上的电流环路比关闭传统电源上的电压环路简单。环路的复杂性取决于输出滤波器的配置。图8显示了三种可能的配置:只有一个简单电感器的滤波器(A);一个典型的电源滤波器(B);以及一个修正后的滤波器(C)。

图8 电位输出滤波器设置
为每一个功率级都构建一个简单的P-Spice模型,以阐明每一功率级控制特性的区别。降压功率FET和二极管的切换建模为电压控制的电压源,增益为10dB,而LED则建模为与6V电压源串联的3W电阻。在LED和接地之间添加了一个1W的电阻,用于对电流进行感测。在电路A中,该响应来自稳定的一阶系统。DC增益由电压控制的电压源确定,LED电阻和电流感测电阻构成了分压器,系统的极性由输出电感和电路电阻决定,补偿电路则由类型2放大器构成。电路B由于增加了输出电容,因此有二阶响应。若LED的纹波电流过大并达到难以接受的程度,则可能要求该输出电容工作,这是由于EMI或热量等问题的出现造成的。DC增益与第一个电路一样。不过,在输出电感和电容确定的频率处有一对复极点。
滤波器的总相移为180.若没有很好地设计补偿电流,可能会导致系统不稳定。补偿电流的设计与传统电压模式电源类似,传统电压模式电源要求有一个类型3的放大器。与电路A相比,补偿电路增加了两个组件以及一个输出电容。在电路3中对输出电容进行重定位,以便更容易对电路进行补偿。LED的纹波电压与电路B类似,所不同的是,电感的纹波电流流过电流感测电阻R105。因此,在计算功耗时也要考虑到这一部分。该电路有一个零点,一对极点,并且其补偿设计与电路A一样简单,DC增益也与前两个电路相同。该电路的电容和LED串联电阻引入了一个零点,并拥有两个极点,一个由输出电容和电流感测电阻确定;另一个则由电流感测电阻和输出电感确定。在高频率时,其响应与电路A一样。
通常需要对LED进行调光。例如,需要调节显示器或建筑照明的亮度。实现上述目标有两种方法:降低LED的电流,或快速对LED进行开关操作。更有效率的方法是降低电流,因为光输出并不完全与电流呈线性关系,并且,LED的色谱在电流小于额定值时会发生变化。人们对亮度的感知是指数型的,因此,调光可能需要对电流进行很大更改,这会对电路设计造成很大的影响。考虑到电路的容差,满电流值工作时,3%的调节误差可以造成10%负载时的30%或更高的误差。通过电流波形的脉宽调制(PWM)进行调光更为准确,尽管这种方法存在响应速度问题。在照明和显示器应用上,PWM频率高于100Hz,以使肉眼感觉不到闪烁。10%的脉冲宽度在ms量级内,并要求电源的带宽大于10kHz,此项工作可以通过图8(A与C)中简单的环路完成。图9为带PWM调光功能的降压功率级电路。在本例中,LED轻松地闭合/断开电路。通过这种方式,控制环路总是处于激活状态,并实现了极快的瞬态响应。

图9 Q1用于PWM LED电流
结语
虽然LED的应用日益流行,但还有许多电源管理问题亟待解决。在需要高度可靠性和安全性的车载市场上,LED器件得到了广泛的应用。车载电气系统对电源质量要求很高,因此,必须设计保护电路,以避免在电压超过60V时出现“抛负载”现象。建筑LED的电源设计问题也很多,需要进行功率因数矫正,以及对电流和亮度的控制。另外,LED正被集成于投影和电视等产品中,此类产品要求快速的响应、良好的电流控制,以及完美的开关控制,这些都给设计人员提出了新的挑战。
射频工程师养成培训教程套装,助您快速成为一名优秀射频工程师...
天线设计工程师培训课程套装,资深专家授课,让天线设计不再难...
上一篇:汽车牌照识别系统发展趋势及其应用
下一篇:LED连接方式分析及其对背光源技术的影响

