HFSS的时域仿真设置
步骤 1: 用户在"HFSS (菜单项目)"上左键单击(在"ANSYS Electronics Desktop - Project2 - HFSSDesign1 - 3D Modeler - [Project2 - HFSSDesign1 - Modeler]"中)

步骤 2: 用户在"Solution Type... (菜单项目)"上左键单击

步骤 3: 用户在"Transient (单选按钮)"上左键单击(在"Solution Type: Project2 - HFSSDesign1"中)

步骤 4: 用户在"OK (按钮)"上左键单击(在"Solution Type: Project2 - HFSSDesign1"中)

步骤 5: 用户在"Project2 - HFSSDesign1 - Modeler (窗口)"上右键单击(在"ANSYS Electronics Desktop - Project2 - HFSSDesign1 - 3D Modeler - [Project2 - HFSSDesign1 - Modeler]"中)

步骤 6: 用户在"Voltage... (菜单项目)"上左键单击

步骤 7: 用户在"打开 (按钮)"上左键单击(在"Voltage Source : General"中)

步骤 8: 用户在"New Line... (列表项目)"上左键单击

步骤 9: 用户在"Project2 - HFSSDesign1 - Modeler (窗口)"上左键单击(在"ANSYS Electronics Desktop - Project2 - HFSSDesign1 - 3D Modeler - [Project2 - HFSSDesign1 - Modeler]"中)

步骤 10: 用户在"Project2 - HFSSDesign1 - Modeler (窗口)"上左键单击(在"ANSYS Electronics Desktop - Project2 - HFSSDesign1 - 3D Modeler - [Project2 - HFSSDesign1 - Modeler]"中)

步骤 11: 用户在"下一步(N) > (按钮)"上左键单击(在"Voltage Source : General"中)

步骤 12: 用户在"Active (单选按钮)"上左键单击(在"Voltage Source : Transient"中)

步骤 13: 用户在"完成 (按钮)"上左键单击(在"Voltage Source : Transient"中)

步骤 14: 用户在"HFSSDesign1 (Transient Network)* (树项目)"上左键单击(在"ANSYS Electronics Desktop - Project2 - HFSSDesign1 - 3D Modeler - [Project2 - HFSSDesign1 - Modeler]"中)

步骤 15: 用户在"Analysis (树项目)"上右键单击(在"ANSYS Electronics Desktop - Project2 - HFSSDesign1 - 3D Modeler - [Project2 - HFSSDesign1 - Modeler]"中)

步骤 16: 用户在"Add Solution Setup... (菜单项目)"上左键单击

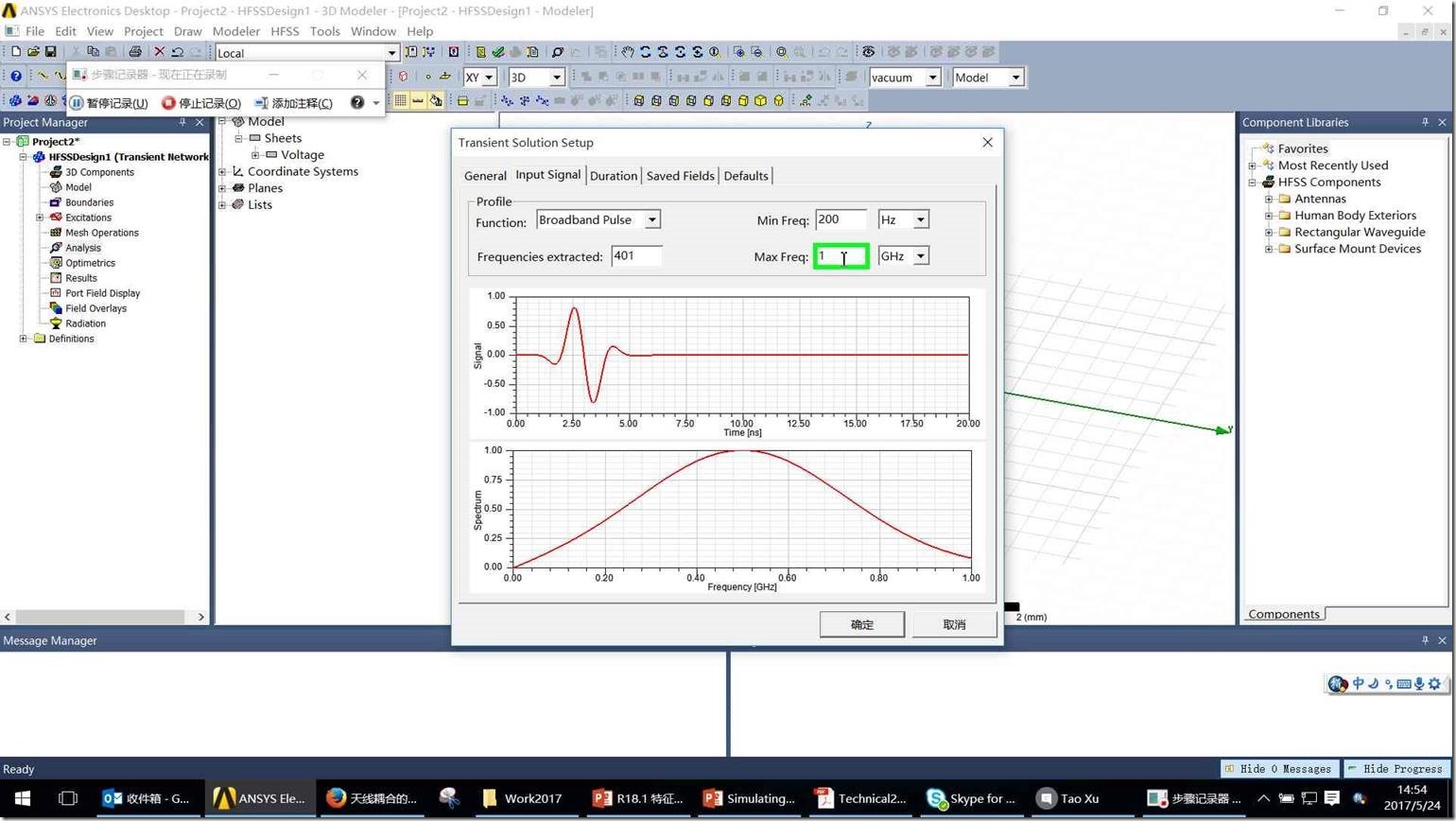
步骤 17: 用户在"Input Signal (选项卡项目)"上左键单击(在"Transient Solution Setup"中)

步骤 18: 用户在"打开 (按钮)"上左键单击(在"Transient Solution Setup"中)

步骤 19: 用户在"Hz (列表项目)"上左键单击

步骤 20: 用户在"Min Freq: (编辑)"上鼠标拖动开始(在"Transient Solution Setup"中)

步骤 21: 用户在"Profile (组)"上鼠标拖动结束(在"Transient Solution Setup"中)

步骤 22: 用户在"Min Freq: (编辑)"上键盘输入(在"Transient Solution Setup"中) [...]

步骤 23: 用户在"Max Freq: (编辑)"上鼠标拖动开始(在"Transient Solution Setup"中)

步骤 24: 用户在"Profile (组)"上鼠标拖动结束(在"Transient Solution Setup"中)

步骤 25: 用户在"打开 (按钮)"上左键单击(在"Transient Solution Setup"中)

步骤 26: 用户在"kHz (列表项目)"上左键单击

步骤 27: 用户在"确定 (按钮)"上左键单击(在"Transient Solution Setup"中)

HFSS 学习培训课程套装,专家讲解,视频教学,帮助您全面系统地学习掌握HFSS
上一篇:Ansys Maxwell到HFSS场链接
下一篇:HFSS学习笔记—17.超宽带天线(3.3~10.6GHz)


