- 易迪拓培训,专注于微波、射频、天线设计工程师的培养
RFID阅读器中信道选择滤波器的设计
射频识别( RFID)技术在当今无线通信领域应用十分广泛。相对于LF( 120~ 135 kH z)波段和HF( 13. 56MH z) 波段, UHF波段的RFID技术能够在m 级距离上提供数百kb it/s的数据通信, 因而备受关注。目前成功商业应用的UHF 射频识别系统阅读器往往采用分立元件构造, 共同的缺点是体积大、功耗大。随着CMOS工艺技术的发展进步, 如果能够提供基于CMOS工艺的单片阅读器将极大的降低成本, 应用前景也将更为广阔; 而且单片集成的阅读器方案也符合当前多应用便携式终端的发展趋势, 为未来多应用整合提供可能。
本文设计的信道选择滤波器用于UHF RFID阅读器接收机模拟基带部分, 接收机采用I/Q 两支路正交的零中频结构, 图1是接收机模拟基带结构图。
根据EPC global C1G2协议要求, UHF RF ID阅读器接收的最高数据速率达到640 kb it/s, 最大信号带宽不超过1. 28MH z; 对于40 kbit/s的最低速率, 其信号带宽小于250 kH z, 于是, 接收基带信道选择滤波器的带宽为0. 3~ 1. 3MH z范围内可调。

图1 信道选择滤波器用于RFID模拟基带
另外, 根据transmissiON mask的要求, 相邻两信道的功率差为40 dB。在本信道最小信号条件下,仍要保证本信道与相邻信道同时保持通信, 这就要求信道选择滤波器能够克服临道比本道高40 dB的干扰, 于是在设计的时候要求信道选择滤波器在两倍频处有大于45 dB的抑制。
根据UHF RFID接收机结构的特点, 在多读写器环境中, 接收机将面临幅度较大的干扰信号, 这就要求滤波器有能力处理大幅度的输入信号, 即对其线性度要求较高。为了得到更高的线性度与更好的噪声特性, 设计采用运算放大器- RC 结构滤波器模式。通过仿真, 决定采用六阶Chebyshev低通滤波器结构来实现信道选择滤波器的设计。
文章首先给出了六阶Chebyshev低通滤波器设计过程; 然后给出Chebyshev低通滤波器的版图以及滤波器和运放的仿真结果; 最后做出结论。
1 六阶Chebyshev低通滤波器设计
1. 1 二阶Chebyshev低通滤波节
图2给出了其二阶低通滤波节(B iquad)结构,其传递函数为:

尽管带内的平坦特性不如Butterworth近似,但它具有更快的幅度衰减特点。

二阶Chebyshev低通滤波节
图2 二阶Chebyshev低通滤波节
从图2可以看到, 滤波器中的运算放大器接成了缓冲器形式, 是典型的双端输入、单端输出的运算放大器。由于缓冲器的两个输入端均悬空, 当输入信号为差分形式时, 无法构成全差分缓冲器[ 7 ]。通常的解决方法是用两个单端输出的运算放大器去实现一个全差分结构的缓冲器, 即一个运放作为正输入端, 另一个运放作为负输入端, 这就造成了器件数量的加倍, 输入端的匹配也很难达到, 所形成的全差分缓冲器的性能并不理想。如何形成全差分的缓冲器, 在运放的设计过程中需要着重考虑。
1. 2 运放的设计
运算放大器是运算放大器- RC 滤波器的核心部件。根据系统的设计要求, 运算放大器开环增益在70 dB以上, 增益带宽积大于65 MH z, 相位裕度取在65b~ 70b左右, SR值应取大于12 V /L s。上文中提出缓冲器输入端悬空的问题, 采用全平衡差动放大器FBDDA( Fu lly BalancedD ifferentia lDifferenceAmplifier)可以方便的解决。
图3给出了FBDDA的示意图及按照负反馈方式构成的全差分缓冲器结构。FBDDA的输入输出关系可以表示为:

Ao 为理想状态下运放的开环增益。当采用负反馈时可以得到如下的关系:

以上关系仅当Aoy ] 时才可以成立, 所以在设计运放时开环增益越大越好。

图3 FBDDA 与全差分缓冲器
图4所示为FBDDA。图4( a)是一种两级结构的运算放大器, 是FBDDA的核心电路, 图4( b)与图4( c)所示电路分别用来稳定运算放大器第一级输出与第二级输出的共模电平。运算放大器的第一级放大器由两个差分对构成, 使得电路具有四个输入端。为了获得良好的噪声系数, 电路的输入管为PMOS管(M9、M10、M11、M12 ), 负载管为NMOS 管(M15、M16 )。运算放大器的第二级为共源级结构,输入管采用NMOS管(M14、M17 ), 负载管采用PMOS管(M6、M18 )。电路采用米勒补偿电容(Cc )和调零电阻(Rc )以保证运放的闭环稳定性。经过计算可以得到全平衡差动电路的小信号增益如下式所示:

图4 全差分差动放大器电路

其中gm 和ro 分别表示MOS管的跨导和输出电阻。
为了提高运放的增益, 可以增大gm 和ro。经过计算放大器的等效输入热噪声可表示为:

其中K为波耳兹曼常数( 1. 38 @10-23J/K), T 为开尔文温度。从上式可以看出, 要减小整个运放的噪声,输入管应使用较大宽长比的PMOS管, 负载管应使用较小宽长比的NMOS管。一般的共模反馈电路在设计时都是放在第二级的输出端, 用来稳定运放的输出电压[ 8]。本文为了满足在所有工艺角中运算放大器的性能, 在运放的第一级也添加了共模反馈电路, 用来稳定第一级的输出电平。本文设计的两种不同结构的共模反馈电路如图4( b)、4( c)所示。
1. 3 六阶Chebyshev低通滤波器设计
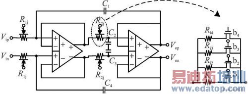
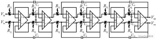
图5给出了采用FBDDA构造的二阶Chebyshev低通滤波器结构, 图6给出了FBDDA构造的六阶级联Chebyshev低通滤波器结构(C2 和C3、C6 和C7、C10和C11间接参考电平1. 6 V)。

图5 全差分二阶低通切比雪夫滤波器。

图6 全差分六阶切比雪夫滤波器。
为了实现截止频率的切换并防止由电阻电容误差引起的频偏, 使用MOS开关控制接入电路中电阻的大小, 电容为固定的3pf。在电路中通过译码器利用数字信号控制开关的通断, 实现了截止频率在300 kH z~ 1. 3MH z中可调, 表1为经过优化后信道选择滤波器的电阻取值方案。
表1 经过优化后电阻取值表

2 版图设计与仿真结果
本文的六阶Chebyshev低通滤波器采用IBM 0.18 Lm工艺进行设计, 仿真。图7是对滤波器的版图, 面积1 600 Lm @400 Lm。

图7 六阶Chebyshev低通滤波器版图
图8为截止频率设为900 kH z时滤波器的交流、噪声及群时延特性。从图8( a)中可以看到, 滤波器的- 3 dB带宽在900 kHz左右, 带内增益稳定在0 dB, 在1. 8MH z频率处具有大于49 dB的幅度衰减, 满足信道选择滤波器的设计指标; 从图8 ( b)可以看出, 滤波器在整个通带内的群时延在1 L s左右, 变化量不超过0. 5 L s; 在图8( c)中, 10 kH z频率处的输入噪声电压为44 nV /√ Hz, 1MHz频率处的输入噪声电压为80 nV / √H z, 通带内等效噪声系数为42 dB, 满足了UHF RFID阅读器系统的要求。

图8 信道选择滤波器的特性
图9 是全平衡差动放大器开环情况的幅频、相频特性。从仿真的结果可以看出运放的增益为71 dB, GBW为96MH z, 外接2 pF电容负载时的相位裕度为72. 7b, 可以满足闭环稳定工作的条件, 不会出现振荡的情况。图10 是全平衡差动放大器的噪声特性, 可以计算得到等效噪声系数约为16 dB。

图9 FBDDA 开环幅频、相频特性

图10 FBDDA噪声特性
表2总结了Chebyshev信道选择低通滤波器在27 e 、TT 条件下相关性能的仿真结果。对其它工艺角及温度的仿真结果也均达到系统的要求。
表2 信道选择滤波器的相关性能仿真结果

3 结论
本文介绍了一种用在UHF RFID模拟基带中的信道选择滤波器, 详细描述了它的工作原理和电路结构, 给出了具体的设计过程, 获得了比较理想的噪声特性和线性度。
如何成为一名优秀的射频工程师,敬请关注: 射频工程师养成培训
上一篇:产品内部的EMC设计技巧
下一篇:基于RFIC卡的分布式考勤管理系统

