DAC,large glitch
录入:edatop.com 阅读:
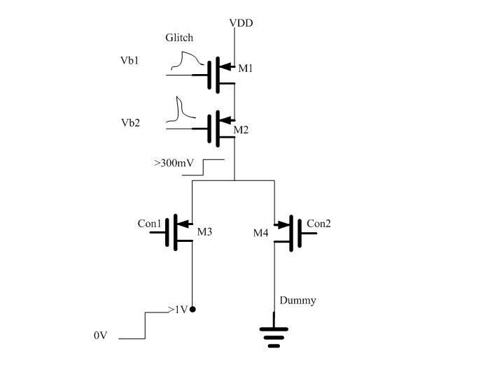
目前设计的一个高速DAC,输出最大范围〉1V,导致偏置点Vb1与Vb2存在较大的glitch,由于Vb1处负载电容较大,造成电路setting过长,有没有高人指点一下?或者有类似问题的讨论一下?
时间很紧迫,大大们指点一下阿?
申明:网友回复良莠不齐,仅供参考。如需专业解答,请学习本站推出的微波射频专业培训课程。

