315发射仿真(在线求救)
录入:edatop.com 阅读:
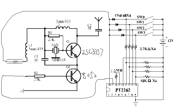
图一如何使用仿真软件仿真,因很软件中都没有pt2262的仿真库,如何进行?
请给出详细方案,最好能把仿真图附上,感激不尽
请给出详细方案,最好能把仿真图附上,感激不尽

申明:网友回复良莠不齐,仅供参考。如需专业解答,请学习本站推出的微波射频专业培训课程。

