problem:switch cap filter
录入:edatop.com 阅读:

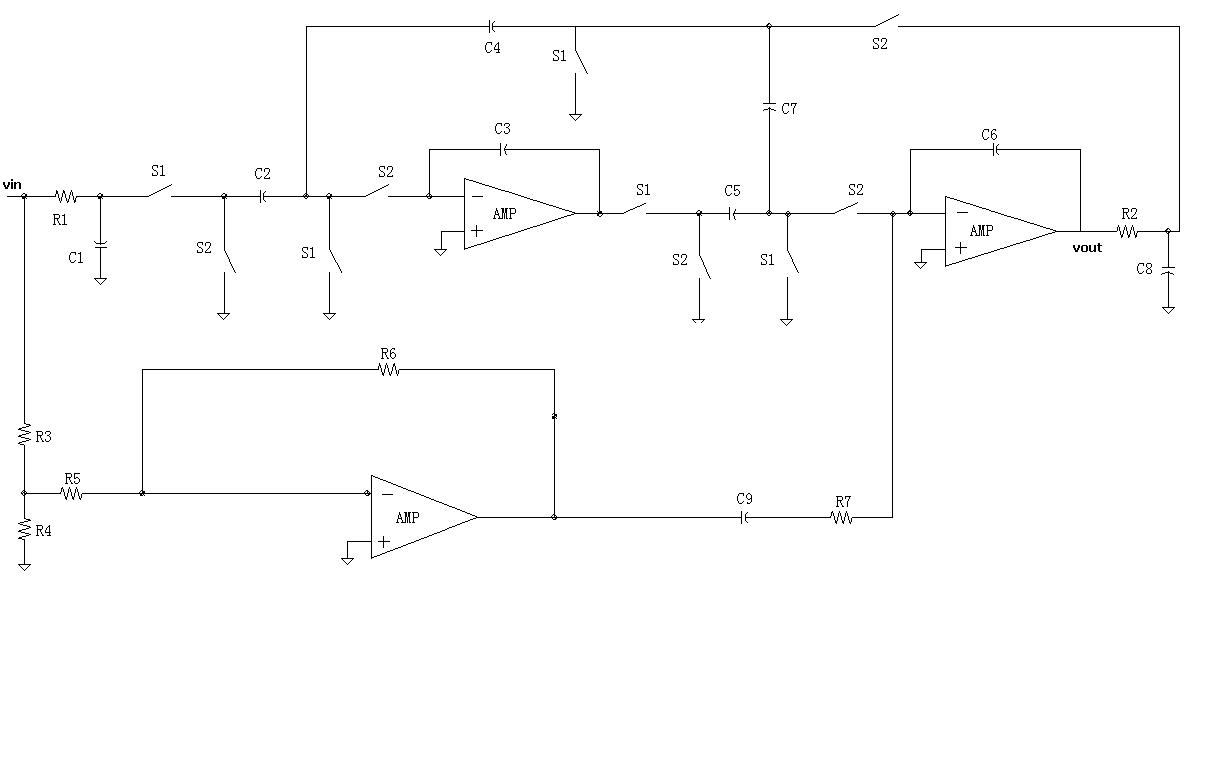
开关电容电路滤波器,在根据allen的书来画Z域等效图的时候,不知道怎么处理R1,C1,R2,C8,R7,C9,请帮帮我
还有就是大家都是怎么来仿真开关电容电路的,在matlab中做还是在allen的书中提到的 在hspice中建模仿真,再者就是用spectreRF中的pss和pac来仿真,不知道谁用过spectreRF仿真开关电容电路的。
怎么仿真比较简单和准确?
在cadence中的spectreRF怎么仿真的?
怎么没有人顶 啊?
我自己顶一下。
申明:网友回复良莠不齐,仅供参考。如需专业解答,请学习本站推出的微波射频专业培训课程。

