衬底驱动(bulk-driven)实现rail-to-rail的问题
录入:edatop.com 阅读:
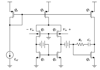
大家能告诉我图中的两个电源是干什么的呢?原文中是这样说的:如果共模电压接近正轨电压,电路能保持高的线性!但是如果共模电压接近负轨电压,差分对会引起信号的失真!因为此时有源负载开始关断了!为了解决这个问题,我们加入了两个带有源负载的电源组。
当然,这个不是最终的电路,我只是想知道上面的那句话是什么意思!谢谢大家了!
当然,这个不是最终的电路,我只是想知道上面的那句话是什么意思!谢谢大家了!

申明:网友回复良莠不齐,仅供参考。如需专业解答,请学习本站推出的微波射频专业培训课程。

