稳压的问题,有兴趣的过来研究研究哦!
录入:edatop.com 阅读:
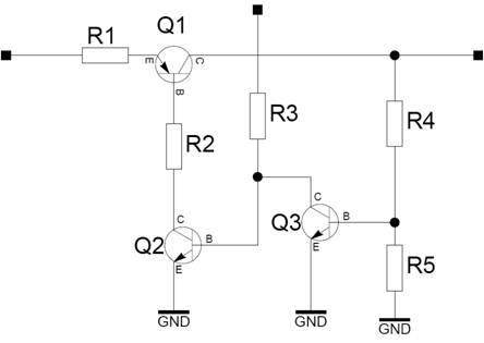
PNP三极管用于稳压电路,有效降低输出阻抗,降低温升;
这是我看到的资料上面的注释,大家一起来说说,怎么就稳压了?怎么就有效降低输出阻抗了?怎么就降低三极管的升温了?
下面是附图:
这是我看到的资料上面的注释,大家一起来说说,怎么就稳压了?怎么就有效降低输出阻抗了?怎么就降低三极管的升温了?
下面是附图:

没人说话吗?对这个没兴趣?世事洞明皆学问了,赶快来说一说了!
可悲呀!没人理!
你看你贴出来的都是些什么内容啊,bipolar 分立元件
这版上都是些做集成电路,对这个不怎么感兴趣,而且图也不明不白的
这个稳压结构类似于最简单的LDO电路,建议你参考LDO
连个电位都没有
教导的即是,我是菜鸟了,刚开始学,不懂的东西很多了!当然要问了!
是电压串联负反馈吗?我怎么觉得是电流串联负反馈!
嘿嘿,基础没学好,教训的是,以后要多学习了!
申明:网友回复良莠不齐,仅供参考。如需专业解答,请学习本站推出的微波射频专业培训课程。
上一篇:关于国内就业形势的问题,问问大家
下一篇:请问不同工艺角下如何调整让电路性能一致

