Current mode voltage reference的问题
录入:edatop.com 阅读:
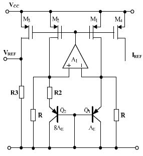
请问下图中当M1,M2,M3,M4相同的时候,怎么才可以看出来I2 = I3。因为Vref = R3(deltaVbe/R2+Vbe/R)
=,=................
申明:网友回复良莠不齐,仅供参考。如需专业解答,请学习本站推出的微波射频专业培训课程。

