双极工艺下的PLL中PFD的问题
录入:edatop.com 阅读:
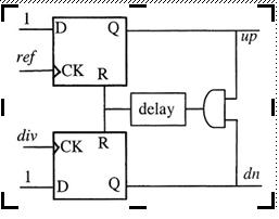
最近在做一个基于双极SiGe工艺的PLL,其中鉴频鉴相器想采用附图中的结构,但一直找不到一个好的触发器电路结构(延迟小,结构简单),望各位大人能指点一二,能给小弟提供一个较好的参考,感激不尽了
。
。
申明:网友回复良莠不齐,仅供参考。如需专业解答,请学习本站推出的微波射频专业培训课程。
上一篇:模拟电路的问题
下一篇:pll在simulink当中

