Bandgap是如何实现负反馈的?
在bandgap中,Op的正副端可以互换嘛?这种传统的电路图接法是怎么实现负反馈的。
一直搞不明白,希望帮我分析下。

不能互换 互换了out就为vdd了
拉扎唯 参考源那章有详细的解释
不可以互换,但是一些论文上可以互换,但是在做电路时,不可以互换
运放的输出影响M3M4的栅极
不可以换,Raziv书上有详细的分析。
Raziv 书上有分析的
all bandgaps are the same?
hehe, only one structure? Why all only cite razavi's book?
more other topologies in papers or any other books.. expand your sights pleas.
注意反馈的环路
确保为负反馈才能保证电路的正常
注意运放的设计 对bgr有比较大的影响
是不能互换的。
图中的接法是正确的,
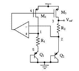
不妨假设V1大于V2,对于运放来讲,正端电压大于负端电压,输出电压增大。于是p管的偏置电压增大,流过R1的电流减小,最终V1下降,电路回到一个平衡点。
如果运放反接,结果就不是这样了,大家可以分析一下。
我想你是没有找到负反馈在哪里。
首先你看两个BJT上的电流同时减小,放大器的两个输入会有什么变化? 很明显,右边那支
输入V=Vbe,基本不变,左边那支V=Vbe+I*R, 所以电流的变化反应在左边那只上的输入,放大器
通过调整电流,进而影响左边那只上的输入电压实现负反馈
这个很显然,自己仔细分析一下很容易发现。 建议自己多思考
-
闭环主干路是电流串联负反馈,又接上跨导放大器,KO
dddddddddddddd
是阿,搞电子需要下很大的功夫,如果你的天赋不是很高。也就是入门有快有慢。
各位讲的不错
高手很多啊。
最浅显的道理就是负反馈loop要强于正反馈Loop才能保证稳定性
不能换
right!
Q1的VBE小於Q2
這樣接才有negative feedback效果
op可以控制pmos的gate達到系統平衡
恩,负反馈大于正反馈就行
这个图很典型啊 比较容易的
不可以互換
bandgap基本的原理
我想明白的人仔细解释一下,不要说常识,简单,没用,别人不明白还是不明白。。。。。
要保证运放工作在负反馈的情况下
这样运放的嵌位作用才能实现,从而保证输入端的电位近似相等
电阻和VT的正温度系数,VBE的负温度系数,假设温度变化时,看一下电压是怎么变化的就可以理解了!
原来真的这样
看到一片论文反接了,一直搞不懂,原来是论文作者自己弄错了
就是一个负反馈强于正反馈的问题吧
能否具体解释一下?
能否解释一下从这个图中怎么分析得出负反馈环路强于正反馈环路?谢谢!
can not exchange positive node with negative node. just remember that you need to ensure negative feedback is larger than positive feedback
10楼的lovexxnu解释的很好!
申明:网友回复良莠不齐,仅供参考。如需专业解答,请学习本站推出的微波射频专业培训课程。

