求教高手!高手请进!
录入:edatop.com 阅读:
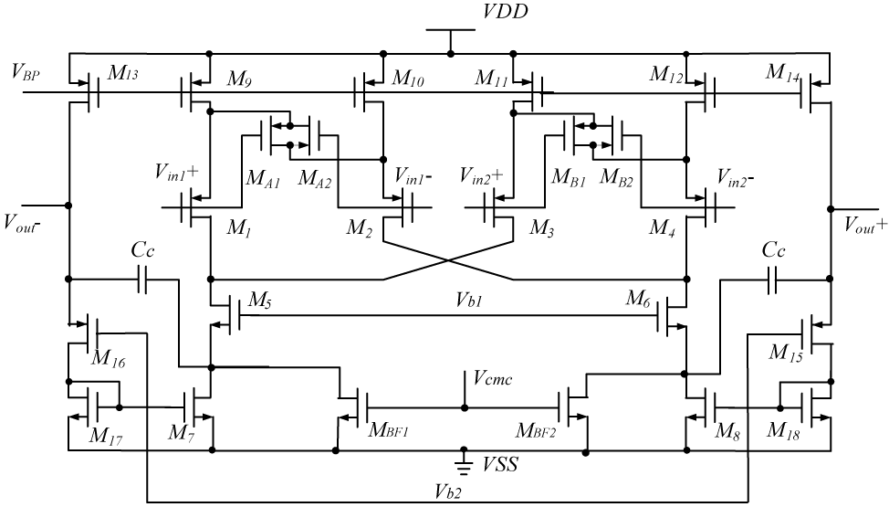
请帮忙分析一下这个电路,新手,根基尚浅!谢谢,望不吝赐教!

电路的输入和输出除了电容的联系之外,没有第二条通路,有问题。
电路画错了吧?
应该就是个四端输入的OP,如果输入差值太大就成2端了
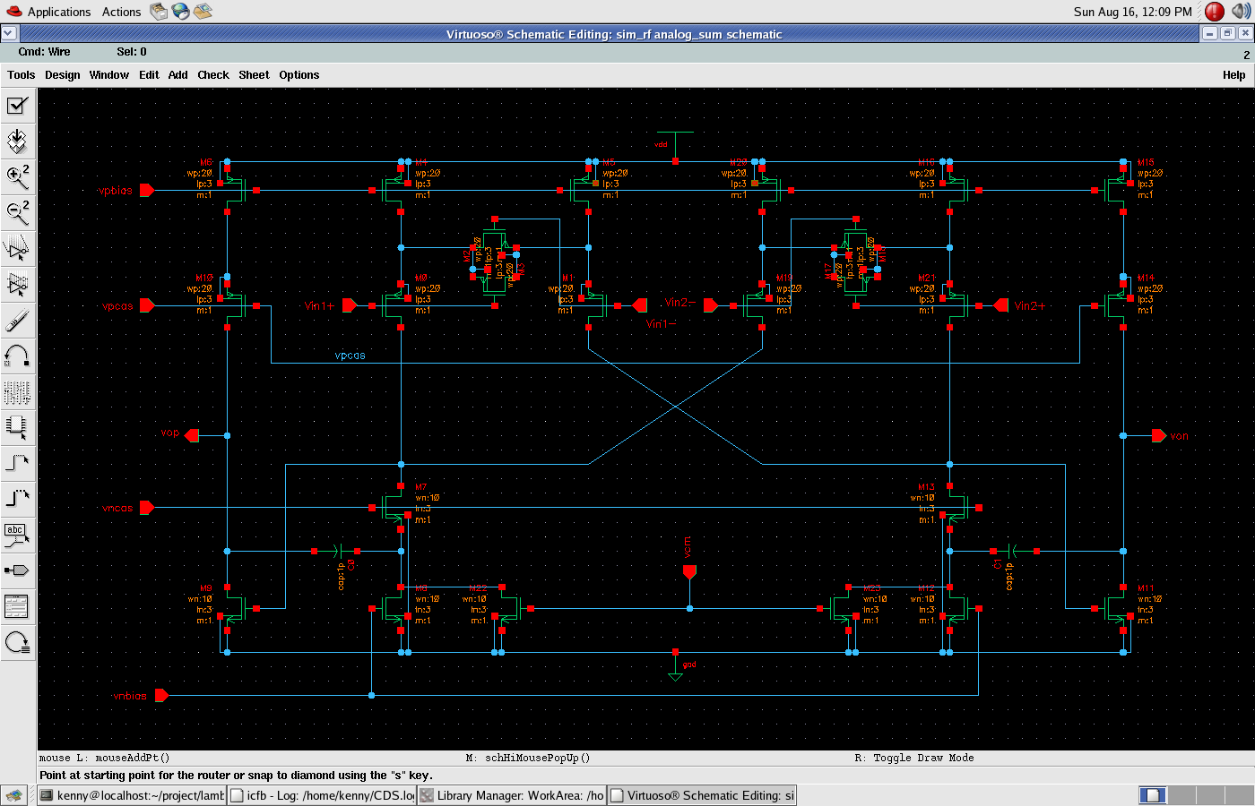
感觉是一个高线性放大器,MA1 MA2 MB1 MB2应该是为了提高输入gm的线性的,第二级正像iamxo说得,应该连错了。我试着猜,可能是下图的连接。不知道这电路用在什么地方?

某本书上引用一篇paper的,具体我忘了,正如楼上说的,MA1,2, MB1,2是用来提高线性度的,这四个管子等效成小信号电阻,类似source follower。高线性amplifier在RF前端还是很重要的吧。
不过电路看着怪,明天有空我找找那本书再看看,当初没怎么注意。
恩,是的,这确实是个高线性的电路!那为什么有双输入呢?该怎么理解呢!
差分输入是附件的图结构吧,用mosfet做电阻。
小弟认为,如果M7,M8是二极管连接应该说的通。
四输入的,感觉就是上面各位说的:信号相差大,只有一路导通,要不就两路导通。否则就是两队差分对。

申明:网友回复良莠不齐,仅供参考。如需专业解答,请学习本站推出的微波射频专业培训课程。
上一篇:Assura运行出错,求助!
下一篇:IC设计-选校的迷茫

